目錄
1.簡介2.分類
2.1 YRT轉台軸承
2.2 ZKLDF轉台軸承
2.3 交叉滾子軸承
3.軸承用途
4.設計與安裝
4.1 YRT轉台軸承安裝
4.2 交叉滾子軸承安裝
5.生產地
6.各型轉台軸承型號及參數
6.1 YRT轉台軸承型號
6.2 交叉滾子軸承型號
簡介
中文名:轉台軸承
英文名:Rotary table bearings
簡介:轉台軸承是一種能夠同時承受同時承受軸向負荷、徑向負荷和傾覆力矩等綜合載荷的軸承,集支撐、旋轉、傳動、固定等功能於一身的特殊結構的精密軸承。轉台軸承基本採用負游隙帶預緊的設計方式,保證軸承較高的剛性及旋轉精度;一般情況下,轉台軸承自身內外圈帶有安裝孔、潤滑油孔和密封結構,適用於精密工作條件下各類設備的不同安裝使用需求;轉台軸承具有結構緊湊、旋轉精度高、安裝和維護簡便等特點,轉台軸承主要包括YRT轉台軸承、ZKLDF轉台軸承以及交叉滾子軸承3大類。
現狀:轉台軸承屬於高精密軸承,是區別於普通轉盤軸承(迴轉支承)的一類軸承 ,目前已廣泛套用於高精尖領域,此類軸承最早由德國INA公司設計並生產,德國、日本轉台軸承生產處於世界領先水平,國內此類軸承只有少數企業小批量生產。
分類
轉台軸承主要包括YRT轉台軸承、ZKLDF四點球接觸軸承以及交叉圓柱滾子軸承,這3類轉台軸承具有各自獨特的結構及特點,均屬於精密級軸承。
YRT轉台軸承
YRT轉台軸承ZKLDF轉台軸承
ZKLDF轉台軸承 交叉滾子軸承
交叉滾子軸承軸承用途
轉台軸承主要適用於工具機用精密旋轉分度台、立式和臥式鏜床、立式磨床、旋轉表面磨床、大型滾齒機、槍炮和雷達迴轉台、大型無線電和光學望遠鏡、旋轉攝像機、轉向樞軸和連鑄機、高度受限的樞軸顯微鏡台 、旋轉轉向架、焊接支架、迴轉裝配夾具、精密旋轉工作檯機械加工中心的旋轉台、精密旋轉工作檯、工業機器人的關節部和旋轉部、測量設備、精密製造設備等高精密領域。其中YRTS系列轉台軸承和交叉圓錐滾子軸承屬於高轉速軸承,可適用於數控立車轉台等設備;YRTM轉台軸承含測量系統可用於科研等高端領域。
設計與安裝
YRT轉台軸承安裝
l對配合結構的要求見圖一
安裝圖二
安裝圖一運輸時固定螺釘保護軸承零件,為了較易定心安裝,安裝時固定螺釘可以鬆開,安裝後固定螺釘應再擰緊或者最好用定位螺釘替換固定螺釘。
l有或無附加支撐環都可安裝L-截面環2
a)無支撐環的,軸承代號YRT
b)用L-截面環支撐環的,軸承代號YRT…VSP,L-截面環的整個表面都必須得到支撐。
l裝配力只能通過被安裝的軸承套圈進行傳遞,絕不能通過滾動體傳遞。
l定位螺釘套用扭力扳手以呈十字交叉的形式來擰緊見圖二。
l安裝和拆卸式不要分開或交換軸承零件。
l啟動摩擦力矩是尺寸表中所列軸承摩擦力矩的3~3.5倍。
交叉滾子軸承安裝
1.將支承座或其它安裝部位徹底清洗乾淨,並確定是否有毛刺或毛邊。2.由於是薄壁,插入時易發生傾斜。為了防止這種現象,請一邊保持水平,一邊用塑膠錘均勻敲打,一點一點地將軸承插入支承座內或軸上,直到通過聲音確認與基準面完全緊靠時為止。
3.將固定法蘭放置在交叉滾子軸承軸環上,搖動固定法蘭幾次,使其與螺栓孔的位置相吻合。
4.將固定螺栓插入孔內,用手轉動螺栓時,確認沒有因螺栓孔偏離而引起螺栓難以擰入。
5.如圖1所示,固定螺栓的鎖緊由不完全鎖緊到全鎖緊分成3~4個階段,按對角線上的順序反覆擰緊。在擰緊分割的內環或外圈時,將一體型的外圈或內環稍微轉動一些,就能修正內外環與主體的偏離。
支承座及固定法蘭的設計
交叉滾子軸承安裝圖三因交叉滾子軸承是薄壁小型結構,所以要充分考慮支承座或固定法蘭的剛性。(如圖三)
當外圈是分割型時,如果支承座或固定法蘭及固定螺栓的剛性不足,就不能均等地固定內環或外環,在承受力矩負荷時軸承將產生變形,因此,滾子的接觸區域會變得不均勻,軸承的性能就會顯著地降低。
RB、RE、RA、RU、CRB、CRBC和SX型交叉滾子軸承的配合,建議選用表中的組合:
FitformodelsRB,RE,CRB,CRBCandSXseries
交叉滾子軸承與軸承座配合參數表生產地
轉台軸承的精度、剛度、穩定性要求較高,基本精度在P5級以上,多數達到P4/P2級精度,目前國內轉台軸承生產廠家並不多,主要廠家基本位於洛陽、瓦房店、哈爾濱這三個軸承製造基地,經過數十年發展,國內企業已可基本完成全系列轉台軸承(詳見型號及參數列表)的生產,部分品牌已可替代國外進口同類產品,為國內工具機行業等上游產業提供了堅實的發展基礎。
各型轉台軸承型號及參數
YRT轉台軸承型號:
YRT系列(德國INA/FAG公司對應型號)主要型號:YRT50、YRT80、YRT100、YRT120、YRT150、YRT180、YRT200、YRT260、YRT325、YRT395、YRT460、YRT580、YRT650、YRT850、YRT950、YRT1030
YRTS系列(德國INA/FAG公司對應型號)主要型號:
YRTS200、YRTS260、YRTS325、YRTS395、YRTS460
YRTM系列(德國INA/FAG公司對應型號)主要型號:
YRTM150、YRTM180、YRTM200、YRTM260、YRTM325、YRTM395、YRTM460
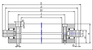
YRT轉台軸承結構圖
YRT轉台軸承參數交叉滾子軸承型號:
THK交叉滾子軸承RB系列型號如下:
RB7013RB8016RB9016RB10016RB10020RB11012RB11015RB11020RB12016RB12025RB13015RB13025RB14016RB14025RB15013RB15025RB15030RB16025RB17020RB18025RB19025RB20025RB20030RB20035RB22025RB24025RB25025RB25030RB25040RB30025RB30035RB30040RB35020RB40035RB40040RB45025RB50025RB50040RB50050RB60040RB70045RB80070RB90070RB1000110RB1250110
INA交叉滾子軸承SX系列型號如下:
SX011814SX011818SX011820SX011824SX011828SX011832SX011836SX011840SX011848SX011860SX011868SX011860SX0118/500
INA交叉滾子軸承XSU系列型號如下:
XSU080168XSU080188XSU080218XSU080258XSU080318XSU080398 XSU140414XSU140544XSU140644XSU140744XSU140844XSU140944
THK交叉滾子軸承RA系列型號如下:
RA10008RA11008RA12008RA13008RA14008RA15008RA16013RA17013RA18013RA19013RA20013
THK交叉滾子軸承RE系列型號如下:
RE7013RE8016RE9016RE10016RE10020RE11012RE11015RE11020RE12016RE12025RE13015RE13025RE14016RE14025RE15013RE15025RE15030RE16025RE17020RE18025RE19025RE20025RE20030RE20035RE22025RE24025RE25025RE25030RE25040RE30025RE30035RE30040RE35020 RE35025RE40035RE40040RE45025RE50025RE50040RE50050RE60040
THK交叉滾子軸承RU系列型號如下:
RU124GRU148GRU178GRU228RU297RU445RU228XRU297XRU445XRU228GRU297GRU445G
IKO交叉滾子軸承CRB系列型號如下:
CRB8016CRB9016CRB10016CRB10020CRB11012CRB11015CRB11020CRB12016CRB12025CRB13015CRB13025CRB14016CRB14025CRB15013CRB15025CRB15030CRB16025CRB17020CRB18025CRB19025CRB20025CRB20030CRB20035CRB22025CRB24025CRB25025CRB25030CRB25040CRB30025CRB30035CRB30040CRB35020CRB40035CRB40040CRB40070CRB45025CRB50025CRB50040CRB50050CRB50070CRB60040CRB60070CRB600120CRB70045CRB70070CRB700150CRB80070CRB800100
IKO交叉滾子軸承CRBC系列型號如下:
CRBC8016CRBC9016CRBC10020CRBC11020CRBC11020CRBC12025CRBC13025CRBC14025CRBC15025CRBC15030CRBC20025CRBC20030CRBC20035CRBC25025CRBC25030CRBC25040CRBC30025CRBC30035CRBC30040CRBC40035CRBC40040CRBC40070CRBC50040CRBC50050CRBC50070CRBC60040CRBC60070CRBC600120CRBC70045CRBC70070CRBC700150CRBC80070CRBC800100
IKO交叉滾子軸承CRBH系列型號如下:
CRBH10020ACRBH11020ACRBH12025ACRBH13025ACRBH14025ACRBH15025ACRBH20025ACRBH25025A
TIMKEN交叉圓錐滾子軸承XR系列型號如下:
XR496051XR678052XR766051XR820060XR855053XR882055XR889058XR897051JXR637050JXR652050JXR699050

