前言
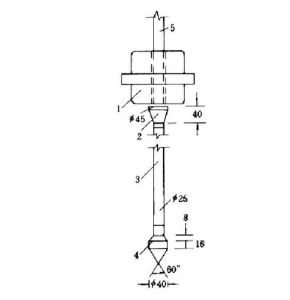
輕型動力觸探示意圖3)檢驗基底是否存在下臥軟層。
隨著基建投資的加大,工程建設如雨後春筍般湧現。對於淺基礎工程,通常用平板載荷試驗檢測地基承載力,需要消耗較長的時間、較高的人力物力。本文介紹的輕型動力觸探實驗能簡便、快捷的檢測淺地基承載力,而且費用便宜。下面以工程實例論述輕型動力觸探試驗在基槽驗收中檢測地基承載力的套用。
檢測方法
設備
輕型圓錐動力觸探設備。
試驗要點
(1)首先根據場地情況進行選點開挖,挖至勘察設計確定的持力層,然後對該持力層進行連續觸探。
(2)將探頭和探桿安裝好,保持探桿垂直,然後連續向下貫擊,穿心錘落距為50.0±2.0cm,使其自由下落。在基底輕型觸探試驗表內記錄打入土層中30cm所需錘擊數(N10),在地層較硬、錘擊數較多時,採用分段記錄,以每貫入10cm記錄一次相應的錘擊數,整理資料時按30cm所需的擊數作為指標計算。
(3)遇密實堅硬土層,當貫入30cm所需錘擊數超過50擊時或貫入10cm所需錘擊數超過30擊時,即停止測試。
檢測結果
工地現場基槽已開挖到持力層粉質粘土,通過現場隨機選點觸探,該樓盤第61棟和57棟的輕型圓錐動力觸探結果如表1所示:
由於第57棟基槽開挖以後遭雨水浸泡,地基承載力明顯受到影響,特別是面層(0-30cm)偏低嚴重,必須挖掉被雨水浸泡部分以後該地層方可作為持力層。
資料整理
(1)每完成一次輕型觸探後,在現場及時核對所記錄的錘擊數及深度是否有錯漏,並結合其它勘探資料,綜合研究分析,去掉不合理的特異值。
(2)輕型觸探不考慮桿長修正,根據每貫入30 cm所需的錘擊數繪製N10-h曲線圖。
(3)進行土層力學分層,根據N10-h曲線,考慮觸探的臨界深度及界面效應,即“超前”和“滯後”影響,一般觸探曲線由軟層進到硬層時,則分層界線定在軟層最後一個小值點以下2-3倍探頭直徑處,由硬層進入軟層時,則分層界線定在軟層第一個小值點以上2-3倍探頭直徑處。
(4)刪除個別異常值,臨界深度影響值、超前和滯後影響範圍值,按下式計算每層實測擊數的算術平均值:
N10=∑N10/n。
式中:N10為平均擊數;N10為第i個實測值;n為參加統計的總數。
(5)按《建築地基基礎設計規範》,確定地基土承載力標準值時實測錘擊數應按下式計算:
N(N10)=N10-1.645σ
式中:σ為統計量標準差。
對於第61棟,N10平均值為55.8:N(N10)錘擊數代表值為49.1。
對於第57棟,考慮到粉質粘土面層已受雨水浸泡,建議施工單位將該層挖掉,故統計結果不包括0-30cm數據。該棟N10平均值為48.9;N(N10)錘擊數代表值為23.5。
套用輕型動力觸探成果確定地基承載力
《建築地基基礎設計規範》中用輕型動力觸探擊數確定粘性土承載力標準值(fk)如表2所示。
根據上表採用內插法計算可知,第61棟的地基承載力約為390kPa;而第57棟的N(N10)錘擊數代表值僅為23.5,比實測值中的最小值42小了近一倍,地基承載力按23.5推算顯然不合理,按最小值推算約為325kPa。為了驗證採用最小值的可靠性,在57棟選點進行平板載荷試驗,根據平板載荷試驗P-S曲線得到地基承載力極限值為達450kPa,說明根據最小值推算是合理的。
除規範規定的內容外,各地在套用N10確定地基承載力所依據的公式有所不同,這是由於各地區地質條件的差異決定的。長沙地區一般粘性土和新近沉積粘性土N10地基承載力特徵值的回歸方程為:fNk=25+4.18NN10(kPa)。
結語
通過輕型動力觸探實驗在長沙某工程基槽驗收中的套用,有如下體會:
通過輕型動力觸探實驗能簡單方便的確定地基承載力。輕型動力觸探實驗既不象荷載試驗需要消耗較大的人力物力,也不象室內土工試驗需要較長的試驗周期。
輕型動力觸探實驗採用規範法確定地基土承載力時,N10宜選用實測值和代表值中較大的一個計算地基土承載力。
現場施工應注意,當基槽開挖到位並經有關單位驗收合格以後,應立即澆築混凝土墊層,避免基槽積水,尤其是雨季施工,應充分做好排水措施,確保地基承載力的發揮 。

