工作原理
車載逆變電源是將汽車發動機或汽車電瓶上的直流電轉換為交流電,供一般電器產品使用,是一種較方便的車用電源轉換設備。它是常用的車用汽車電子用品。通過它可以在汽車上使用平時我們用市電才能工作或充電的電器和數碼產品,如電視機、筆記本電腦、手機、電鑽、醫療急救儀器、軍用車載設備等,可套用於各行業領域。按照輸出波形來分,車載逆變電源可分為正弦波輸出和方波輸出兩種。前者可提供不間斷的高質量交流電,可適應任何負載,但其技術要求及成本高,電路結構比較複雜。後者提供的交流電的質量較差,且帶載能力差,不能接“感性負載”。雖有較多的缺點,但是其技術要求低,體積小,電路簡單,價格低。綜合上述兩者優點,目前,市場上出售的車載逆變電源是採取了輸出模擬正弦波的方案,與方波相比使用效果有所改善,不僅能驅動感性負載,並且具有體積小、重量輕、轉換效率高、輸出電壓穩定、可靠性強、保護功能完善等特點。
車內使用
車載逆變電源轉換器又稱DC/AC逆變器,可以將電源供給的直流電轉換成符合負載要求的交流電。適用於能提供12V直流電源的(包括電瓶)的場所,如汽車、輪船、卡車、野外等。在交流輸出端接入各種電器(筆記本電腦、手機充電器、CD-ROM等),滿足您隨心所欲的汽車生活需求。為白領一族應對激烈的市場競爭爭取更多的寶貴時間,創造更靈活的工作環境。我們以國際知名品牌NFA(紐福克斯)車載逆變電源為例詳細說明此類產品的功能和特點。
工作繁忙的人群,手機或筆記本電腦急需充電,卻因常常身處室外無法找到合適的電源而著急不已。NFA車載逆變電源轉換器將幫助解決煩惱。NFA7873N130W電源轉換器將車用12VDC轉換為家用220VAC電源,提供130W的持續功率,可用於筆記本電腦、攝像機、數位相機、視頻遊戲機等電子設備的充電需求。在車內就可以輕鬆完成各種隨身數碼電子產品的充電工作……只需將車載逆變電源轉換器插入標準12伏車載點菸器插座,車用12V電源即可轉換為220伏交流電(普通家用電流)。車載逆變器器利用130W電源反用換流器,提供自動過熱關閉,10.6v時低電量警報和自動關閉功能,超負荷保護並含可替換的保險絲。現在無論走到哪裡,都能為數碼產品充電或直接供電使用。
產品一般採用分離結構,連線線長0.9~1.2米,配備1個三孔萬用插座,內置風扇,能降低產品運行時的溫度。產品外觀精緻,使用方便、快捷。值得開車一族人手必備一台。
適用產品
為電視機、車用微波爐、榨汁機、平板電腦(如ipad)、攜帶型收音機、筆記本電腦、數碼攝像機、手機、CD以及各類數碼產品充電器等提供安全可靠的交流電源。設有自動保護功能,使您的轉換器、電瓶在超常負載下得到有效保護,方便實用。車載逆變電源有不同型號,不同型號對應不同功率,一般來說,功率越大,可適用的數碼產品就越多,當然,耗油也大。通用的130W電源可滿足一般數碼產品充電需求。
參考價格:
功率越大,價錢越高。以130W為例,超市價一般在200-250元/套,淘寶價一般在130-160。
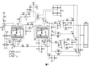
轉換器電路圖
市場上常見款式車載逆變器產品的主要指標
輸入電壓:DC10V~14.5V;輸出電壓:AC200V~220V±10%;輸出頻率:50Hz±5%;輸出功率:70W~150W;轉換效率:大於85%;逆變工作頻率:30kHz~50kHz。目前市場上銷售量最大、最常見的車載逆變器的輸出功率為70W-150W,逆變器電路中主要採用TL494或KA7500晶片為主的脈寬調製電路。一款最常見的車載逆變器電路原理圖見圖1。車載逆變器的整個電路大體上可分為兩大部分,每部分各採用一隻TL494或KA7500晶片組成控制電路,其中第一部分電路的作用是將汽車電瓶等提供的12V直流電,通過高頻PWM(脈寬調製)開關電源技術轉換成30kHz-50kHz、220V左右的交流電;第二部分電路的作用則是利用橋式整流、濾波、脈寬調製及開關功率輸出等技術,將30kHz~50kHz、220V左右的交流電轉換成50Hz、220V的交流電。
圖1圖1電路中,由晶片IC1及其外圍電路、三極體VT1、VT3、MOS功率管VT2、VT4以及變壓器T1組成12V直流變換為220V/50kHz交流的逆變電路。由晶片IC2及其外圍電路、三極體VT5、VT8、MOS功率管VT6、VT7、VT9、VT10以及220V/50kHz整流、濾波電路VD5-VD8、C12等共同組成220V/50kHz高頻交流電變換為220V/50Hz工頻交流電的轉換電路,最後通過XAC插座輸出220V/50Hz交流電供各種攜帶型電器使用。
圖1中IC1、IC2採用了TL494CN(或KA7500C)晶片,構成車載逆變器的核心控制電路。TL494CN是專用的雙端式開關電源控制晶片,其尾綴字母CN表示晶片的封裝外形為雙列直插式塑封結構,工作溫度範圍為0℃-70℃,極限工作電源電壓為7V~40V,最高工作頻率為300kHz。
TL494晶片內置有5V基準源,穩壓精度為5V±5%,負載能力為10mA,並通過其14腳進行輸出供外部電路使用。TL494晶片還內置2隻NPN功率輸出管,可提供500mA的驅動能力。TL494晶片的內部電路如圖2所示。
圖1電路中IC1的15腳外圍電路的R1、C1組成上電軟啟動電路。上電時電容C1兩端的電壓由0V逐步升高,只有當C1兩端電壓達到5V以上時,才允許IC1內部的脈寬調製電路開始工作。當電源斷電後,C1通過電阻R2放電,保證下次上電時的軟啟動電路正常工作。
IC1的15腳外圍電路的R1、Rt、R2組成過熱保護電路,Rt為正溫度係數熱敏電阻,常溫阻值可在150Ω~300Ω範圍內任選,適當選大些可提高過熱保護電路啟動的靈敏度。
熱敏電阻Rt安裝時要緊貼於MOS功率開關管VT2或VT4的金屬散熱片上,這樣才能保證電路的過熱保護功能有效。
IC1的15腳的對地電壓值U是一個比較重要的參數,圖1電路中U≈Vcc×R2÷(R1+Rt+R2)V,常溫下的計算值為U≈6.2V。結合圖1、圖2可知,正常工作情況下要求IC1的15腳電壓應略高於16腳電壓(與晶片14腳相連為5V),其常溫下6.2V的電壓值大小正好滿足要求,並略留有一定的餘量。
圖2當電路工作異常,MOS功率管VT2或VT4的溫升大幅提高,熱敏電阻Rt的阻值超過約4kΩ時,IC1內部比較器1的輸出將由低電平翻轉為高電平,IC1的3腳也隨即翻轉為高電平狀態,致使晶片內部的PWM比較器、“或”門以及“或非”門的輸出均發生翻轉,輸出級三極體VT1和三極體VT2均轉為截止狀態。當IC1內的兩隻功率輸出管截止時,圖1電路中的VT1、VT3將因基極為低電平而飽和導通,VT1、VT3導通後,功率管VT2和VT4將因柵極無正偏壓而處於截止狀態,逆變電源電路停止工作。
IC1的1腳外圍電路的VDZ1、R5、VD1、C2、R6構成12V輸入電源過壓保護電路,穩壓管VDZ1的穩壓值決定了保護電路的啟動門限電壓值,VD1、C2、R6還組成保護狀態維持電路,只要發生瞬間的輸入電源過壓現象,保護電路就會啟動並維持一段時間,以確保後級功率輸出管的安全。考慮到汽車行駛過程中電瓶電壓的正常變化幅度大小,通常將穩壓管VDZ1的穩壓值選為15V或16V較為合適。
IC1的3腳外圍電路的C3、R5是構成上電軟啟動時間維持以及電路保護狀態維持的關鍵性電路,實際上不管是電路軟啟動的控制還是保護電路的啟動控制,其最終結果均反映在IC1的3腳電平狀態上。電路上電或保護電路啟動時,IC1的3腳為高電平。當IC1的3腳為高電平時,將對電容C3充電。這導致保護電路啟動的誘因消失後,C3通過R5放電,因放電所需時間較長,使得電路的保護狀態仍得以維持一段時間。
當IC1的3腳為高電平時,還將沿R8、VD4對電容C7進行充電,同時將電容C7兩端的電壓提供給IC2的4腳,使IC2的4腳保持為高電平狀態。從圖2的晶片內部電路可知,當4腳為高電平時,將抬高晶片內死區時間比較器同相輸入端的電位,使該比較器輸出保持為恆定的高電平,經“或”門、“或非”門後使內置的三極體VT1和三極體VT2均截止。圖1電路中的VT5和VT8處於飽和導通狀態,其後級的MOS管VT6和VT9將因柵極無正偏壓而都處於截止狀態,逆變電源電路停止工作。
IC1的5腳外接電容C4(472)和6腳外接電阻R7(4k3)為脈寬調製器的定時元件,所決定的脈寬調製頻率為fosc=1.1÷(0.0047×4.3)kHz≈50kHz。即電路中的三極體VT1、VT2、VT3、VT4、變壓器T1的工作頻率均為50kHz左右,因此T1應選用高頻鐵氧體磁芯變壓器,變壓器T1的作用是將12V脈衝升壓為220V的脈衝,其初級匝數為20×2,次級匝數為380。IC2的5腳外接電容C8(104)和6腳外接電阻R14(220k)為脈寬調製器的定時元件,所決定的脈寬調製頻率為fosc=1.1÷(C8×R14)=1.1÷(0.1×220)kHz≈50Hz。
R29、R30、R27、C11、VDZ2組成XAC插座220V輸出端的過壓保護電路,當輸出電壓過高時將導致穩壓管VDZ2擊穿,使IC2的4腳對地電壓上升,晶片IC2內的保護電路動作,切斷輸出。
車載逆變器電路中的MOS管VT2、VT4有一定的功耗,必須加裝散熱片,其他器件均不需要安裝散熱片。當車載逆變器產品持續套用於功率較大的場合時,需在其內部加裝12V小風扇以幫助散熱。
圖3車載逆變器產品的維修要點
由於車載逆變器電路一般都具有上電軟啟動功能,因此在接通電源後要等5s-30s後才會有交流220V的輸出,同時LED指示燈點亮。當LED指示燈不亮時,則表明逆變電路沒有工作。
當接通電源30s以上,LED指示燈還沒有點亮時,則需要測量XAC輸出插座處的交流電壓值,若該電壓值為正常的220V左右,則說明僅僅是LED指示燈部分的電路出現了故障;若經測量XAC輸出插座處的交流電壓值為0,則說明故障原因為逆變器前級的逆變電路沒有工作,可能是晶片IC1內部的保護電路已經啟動。
判斷晶片IC1內部保護電路是否啟動的方法是:用萬用表的直流電壓擋測量晶片IC1的3腳對地直流電壓值,若該電壓在1V以上則說明晶片內部的保護電路已經啟動了,否則說明故障原因是非保護電路動作所致。
電路中各元器件的參數列於附表
若晶片IC1的3腳對地電壓值在1V以上,表明晶片內部的保護電路已啟動時,需進一步用萬用表的直流電壓擋測試晶片IC1的15、16腳之間的直流電壓,以及晶片IC1的1、2腳之間的直流電壓。正常情況下,圖1電路中晶片IC1的15腳對地直流電壓應高於16腳對地直流電壓,2腳對地的直流電壓應高於1腳對地的直流電壓,只有當這兩個條件同時得到滿足時,晶片IC1的3腳對地直流電壓才能為正常的0V左右,逆變電路才能正常工作。若發現某測試電壓不滿足上述關係時,只需按相應支路去查找故障原因,即可解決問題。
