蔡氏電路簡介
近年來,混沌在非線性科學、信息科學、保密通信以及其他工程領域獲得了廣泛的套用,已成為非線性電路與系統的一個熱點課題。在混沌電路的實現方面,國內外已提出了許多新的方法來設計各種不同類型的混沌電路,我們知道,蔡氏電路是當前眾多混沌電路中最具代表性的一種,其典型的電路結構已成為理論和實驗研究混 沌的一個範例。在此基礎上,人們還進一步研究了蔡氏電路的其他形式,如對偶蔡氏電路、變形蔡氏電路、多渦卷蔡氏電路等。然而,從當前已有的文獻報導看,儘管人們在試圖改進和探索一類新型蔡氏電路的過程中取得了一系列研究成果,但始終都是遵循一種典型的蔡氏電路模型,即用電容、電感、電阻和蔡氏二極體來構建蔡氏電路。這種典型的蔡氏電路模式已被國內外研究者所廣泛接受,並用於雙渦卷和多渦卷蔡氏電路的設計。
混沌標準
在表現出混沌行為之前,一個由標準部件(電阻,電容,電感)製作的自激電路必須滿足三個標準[來源請求]。它必須包含有:
一個或者多個的非線性元件
一個或者多個的本地有源電阻
三個或者更多個能量存儲元件
1.一個或者多個的非線性元件
2.一個或者多個的本地有源電阻
3.三個或者更多個能量存儲元件
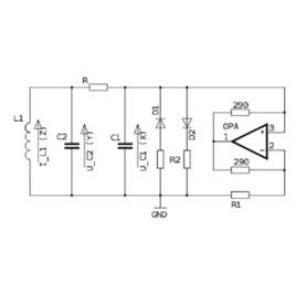
蔡氏電路是滿足這些標準的最簡單的電子線路。如圖所示,能量存儲元件是兩個電容(標有C1和C2)和一個電感(標有L1)。有一個有源電阻(標有R)。有用兩個二極體製作的一個非線性電阻。在圖的最右邊是一個負阻抗轉換器,它是由三個線性電阻和一個運算放大器構成。右側部分仿真了蔡氏二極體,是一個當前沒有被商業化銷售的元件。
容易程度使它成為了一個無處不在的現實世界的混沌系統的例子,導致一些人聲明它是一個“混沌系統的典範”。
理論模型
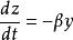
蔡氏電路通過電磁學定律的套用,蔡氏電路可以被準確的建立數學模型:這是變數x(t), y(t),和z(t)的一個三個非線性常微分方程的系統,分別是在電容C1和C2上的電壓,和在電感L1上的電流強度。這些方程有:
蔡氏電路
蔡氏電路
用MATLAB仿真蔡氏電路100秒鐘函式 f(x) 描述了非線性電阻的電子回響,並且它的形狀是依賴於它的組件的特定配置。
蔡氏電路參數α和β是由電路組件的特定值來決定的。
被稱為"雙渦旋"的一個混沌吸引子,是因為它在(x,y,z)空間的形狀, 被首次觀察到在電子線路中包含一個非線性組件,組件的f(x)是一個三段的線性函式。
作為一個最簡單的實驗實現的電路,並且存在一種簡單而準確的理論模型相結合,使蔡氏電路成為一個研究混沌理論的許多基礎研究和套用的問題的實用系統。正因為如此,它一直是許多研究的對象,並廣泛被人們在文獻中引用。
蔡氏電路xyz圖
