定義
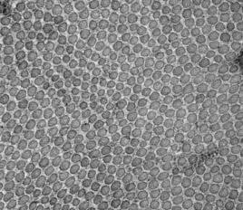
按纖維軸垂直方向,用鋒利刀刃或切片機切斷纖維後所得的平整橫截面各種纖維有不同截面。
用途
用光學顯微鏡或投影儀觀察纖維的截面形狀可用於鑑別纖維品種;觀察纖維品種形狀,如異形絲、複合纖維;了解紡絲工藝均勻性 。
纖維
是指由連續或不連續的細絲組成的物質。在動植物體內,纖維在維繫組織方面起到重要作用。
用途
纖維用途廣泛,可織成細線、線頭和麻繩,造紙或織氈時還可以織成纖維層;同時也常用來製造其他物料,及與其他物料共同組成複合材料 。

纖維截面crn,s-}e}tin}i of finer }l]一切片機或刀片按纖維軸垂直一方向切斷纖維後所得的平整橫截面一將此薄片在投影儀或顯微鏡下觀察:·是鑑別纖維品種,J升觀察纖維形狀,如異形纖維、異形絲的中幸度和異形度、複合纖維等。
按纖維軸垂直方向,用鋒利刀刃或切片機切斷纖維後所得的平整橫截面各種纖維有不同截面。
用光學顯微鏡或投影儀觀察纖維的截面形狀可用於鑑別纖維品種;觀察纖維品種形狀,如異形絲、複合纖維;了解紡絲工藝均勻性 。
是指由連續或不連續的細絲組成的物質。在動植物體內,纖維在維繫組織方面起到重要作用。
纖維用途廣泛,可織成細線、線頭和麻繩,造紙或織氈時還可以織成纖維層;同時也常用來製造其他物料,及與其他物料共同組成複合材料 。
異形截面纖維(modified cross-section fibre ;shaped fibre)簡稱異形纖維。用非圓形噴絲孔紡制的具有異形截面的纖維...
生產歷史 製備方法 特徵 用途特性及用途異形噴f}孔紡製成的非圓形截面纖維。截面形狀主要有二角形...異形效果一般用截面異形係數表征。如(“2一r})}Rz}式中R為異形纖維外接圓半徑;:。為異形纖維實際截面等面積復圓後的平徑。異形係數愈大,表示...
異形纖維是在紡絲成形加工中,採用非圓形孔眼的噴絲板製取的各種不同截面形狀的纖維。目前異形纖維的種類至少已有數十種,市場上出售的聚酯纖維、聚醯胺纖維及聚丙...
簡介 特點 特性 光學性質 發展截面曲率(是)亦稱黎曼曲率,在黎曼幾何中,截面曲率是描述黎曼流形的曲率的一種方式,也是曲面高斯曲率的推廣。
簡介 定義 常截面曲率流形 性質 相關擴展莫代爾纖維是一種高濕模量再生纖維素纖維,該纖維的原料採用歐洲的櫸木,先將其製成木漿,再通過專門的紡絲工藝加工成纖維,纖維的整個生產過程中沒有任何污染。它...
簡介 特點 特性 技術指標 面料特點Tencel(天絲)纖維是英國Acocdis公司生產的LYOCELL纖維的商標名稱,在我國註冊中文名為天絲,該纖維以木漿為原料經溶劑紡絲方法生產的一種嶄...
基本構成 基本性能 基本套用 生產工藝 洗滌方法差別化纖維通常是指在原來纖維組成的基礎上進行物理或化學改性處理,使纖維的形態結構、物理化學性能與常規化纖有顯著的不同。纖維的差別化加工處理,起因於普通合...
分類 製備方法 常見類型 套用截面彎曲剛度,也稱截面抗彎剛度,鋼筋混凝土構件的截面彎曲剛度確定後,就可以通過材料力學的方法來計算構件在正常使用過程中的撓度和變形。計算混凝土構件的裂縫...
簡介 彎曲剛度 抗彎剛度 計算 區別