概述
積分運算電路中改變電容大小使時間常數變大,上升變慢,下降也變慢,不錯,但是這不算是效果,最關鍵明顯的效果是所利用的是負指數函式曲線的前邊很小一段,因此所形成的三角波線性更好!
實驗目的
熟悉從Multisim軟體中調用集成運算放大器。
●調用信號發生器、示波器仿真測試。
●掌握軟體與硬體電路的連線與調試。
實驗步驟
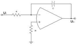
(1)熟悉電路圖結構
(2)關閉電源按照電路原理圖連線好電路,並檢查是否
有接錯點,然後再打開電源。(調零)
(3)輸入正弦信號,用毫伏表測量輸入Ui、輸出Uo幅值。
(4)輸入方波信號,用示波器觀測Ui和Uo輸出波形並畫出其方波和三角波電壓波形圖(電壓值、周期)。
二、設計性實驗
1、實驗目的通過積分運算電路設計性實驗,學會簡單積分電路的設計及調試方法,了解引起積分器運算誤差的因素,初步掌握減小誤差的方法。
積分電路使用運算放大器
運算放大器積分器電路原理圖
1瞬時輸出電壓的運放集成的公式,可以得出如下。
套用基爾霍夫節點V2的電流(KCL),我們得到
I1=+IB
由於運放的輸入阻抗非常高(兆歐姆範圍內),IB將非常小,可以忽略。
因此I1=IF
電流通過一個電容器和它兩端的電壓之間的關係是IC=Cdv/dt的。
因此,如果=CFx深(V2-VO)/DT
I1=(VIN-V2)/R1。
因此,方程I1=如果可以改寫為(VIN-V2)/R1=CFXD(V2-VO)/DT............(1)。
由於非反相輸入端連線到地,V1可以為0。由於本電路的開環增益附近無窮V2可以假設為零。
因此,方程(1)變為VIN/R1=CF×深(VO)/DT
結合上述方程兩邊對時間,我們得到
1重新整理方程,我們得到
1:C是積分常數,它有一個比例關係的輸出電壓在時間T=0.From方程(2)很明顯,輸出電壓與R1CF(時間常數成反比關係),並與輸入電壓的負積分成正比關係。
在直流條件下的CF提供了無限的阻力,使積分電路將像一個無限的反饋電阻反相運放放大器(RF=∞)。(一)在反相模式的運放放大器的電壓增益方程為A=-(Rf/R1)。代RF=∞在目前情況下,我們得到一個=∞。因此,小的輸入失調電壓將得到放大這個因素會有誤差電壓輸出。加入一個反饋電阻Rf並聯到CF圖所示,在圖4所示,這個問題是可以解決的。
1除了將修復的射頻電路的低頻增益(A)到一個固定的小值,因此輸入失調電壓將幾乎沒有任何的輸出偏移電壓和輸出電壓的變化,是預防的效果。
整合方波將導致一個三角形波形和整合一個正弦波,將導致在餘弦波形。它是在圖所示的數字顯示。
集成方波
集成正弦波波形積分電路的套用
JIFEN
