定義
碼速調整是指有控制的改變數位訊號的速率,使其能與不同於自身固有速率的數位訊號的速率相一致的過程。這種過程不丟失或損傷信息。其目的是為使與復用設備不同步的各支路得到復用。
不論同步復接、準同步復接或異步復接,都需要進行碼速調整。對於準同步復接和異步復接,由於幾個低次群數位訊號復接成一個高次群數位訊號時,各個低次群的時鐘是各自產生的,即使它們的標稱碼速率相同,但由不同的晶體振盪器產生的時鐘頻率不可能完全相同,各個支路的瞬時碼速率也可能是不同的。如果將碼速率不同的低次群直接進行復接,幾個低次群的碼元就會產生重疊或錯位,這樣復接合成後的數位訊號流,在接收端是無法分接並恢復成原來的低次群信號的。對於同步復接,雖然各低次群的碼速率完全一致,但復接後的碼序列中還要加入幀同步碼、對端警告等附加碼元,這樣碼速率就要增加,因此同樣需要進行碼速調整。將幾個低次群復接成高此群時,必須採取適當的措施,以調整各低次群系統的碼速率使其同步,同時使復接後的碼速率符合高此群幀結構的要求。
碼速調整技術
碼速調整技術就是把參與復接的各準同步碼流調整為同步碼流。碼速調整技術可分為正碼速調整、負碼速調整、正/0/負碼速調整和正/負碼速調整等四種,大同小異。
正碼速調整
所謂正碼速調整是指進行碼速調整後的速率高於調整前的速率。目前採用比較多的一種正碼速調整方法是脈衝插入同步。其碼速調整電路和碼速恢復電路由緩衝存儲器和一些必要的控制電路組成。
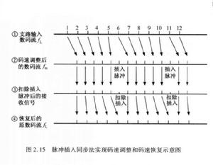
1.原理
正碼速調整原理框圖
碼速調整
碼速調整
碼速調整
碼速調整
碼速調整
碼速調整
碼速調整
碼速調整
碼速調整每一個參與復接的準同步碼流都先經過一個單獨的碼速調整單元,經碼速調整之後 形成同步碼,然後進行同步復接;在接收端先實施同步分接,得到同步分接碼流,再經碼速恢復單元把它恢復成為原來的準同步碼流。碼速調整器裝置的主體是一個緩衝器,還有一些控制電路。輸入的準同步時鐘的頻率為 ,輸出的同步復接支路時鐘的頻率為 ,其中輸出頻率 大於輸入頻率 ,因為 而得名正碼速調整。假定緩衝存儲器原來處於半滿狀態,隨著時間推移,因 而使得存儲器中信息位越來越少,如果不採取特別措施,終將把信息位取空而出現滑動;如果發現緩衝存儲器中的信息位數降到規定的門限,就發出控制信號把讀出時鐘停頓一個節拍,則存儲的信息位立即增加一位。如此往復,就可以把碼流通過緩衝存儲器無誤地傳遞出去,同時碼流速率從 調整成為 , 中停頓拍節(位時隙),不從緩衝存儲器中讀出信息(形成空閒的位時隙),這就是一次正碼速調整(或稱一次脈衝塞入);在相應的碼速恢復裝置中,對應這個調整拍節不會向恢復存儲器寫入信息,這就是相應的碼速恢復。如此進行調整和恢復,就可以保證碼速無誤傳播。
脈衝插入同步法實現碼速調整和碼速恢復示意圖實現在每個復接幀中對應每個支路規定一個特定的位時隙,它為該支路碼 流提供一次正碼速調整機會,如果無需調整,該時隙仍傳信碼;如果需要調整,該時隙就會空閒。該時隙在一幀中究竟是空閒(調整)還是載有信息(未調整),必須在本幀規定的位置設定調整指示信息,到達分解器中根據這種指示信號來實施相應的碼速恢復操作。碼速調整實際上是把原來均勻的準同步碼流變換成不均勻的同步碼流;碼速恢復則是把不均勻的同步碼流恢復成均勻的同步碼流,因而引入抖動損傷。正確的碼速調整設計應當儘可能降低這種抖動損傷。
2.正碼速調整在工業通信系統中套用的局限性
由於正碼速調整採用非對稱型幀結構和具有較大的輸出抖動,因而受到如下限制:
(1)對系統中業務轉接次數的限制;
(2)正碼速調整的輸出抖動對傳輸業務的質量的損傷;
(3)正碼速調整對復接設備兼容性的限制。
正碼速調整都採用非對稱型幀結構,它的標稱碼速率和標稱碼速調整比不等於0.也就是當支路速率與復接速率都等於標稱值時,還要進行碼速調整比為複雜分式的碼速調整。因此,不能再正碼速調整幀結構上實現數字交換。嚴格說來,正碼速調整幀結構也不具有兼容同步的能力。
負碼速調整
負碼速調整,又稱為“負脈衝塞入”。在數字復用中,從支路數位訊號中有控制地刪去一些數字,使得單獨支路的數字率與該復用設備決定的數字率一致。刪去的信息則由一分開的低容量時隙傳送。例如採用正、零、負碼速調整的34.368Mb/s數字復用設備中,每幀長度是2148比特,其中2112比特是由四個二次群來的信號比特。
正/0/負碼速調整
一種正和負碼速調整的結合,其中兩種調整狀態是分別用統一的信號表示,而不(零)調整狀態則用一附加信號表示。例如34.368Mb/s數字復用設備中,正碼速調整用調整控制信號“111”表示,負碼速調整用“000”表示,連續兩幀以上即被確認,零碼速調整用前一幀“111”,後一幀“000”交替的控制信號表示,每幀2148比特中第1441至1444比特用作傳輸二次群來的負調整信息比特(每支路1比特),每幀的第1445至1448比特用作正調整時需要塞入不帶信息的填充比特。
1.基本原理
模型法正/0/負碼調整的基本原理是:利用正/0/負碼調整幀結構的特點,在傳送端設計一模型參數,用這一模型參數控制正/0/負碼速調整的調整過程,將通常正/0/負碼速調整的或者總是正調整、或者負調整的過程轉換成正調整、負調整、不調整同時存在並且相互獨立的過程。這一轉換的結果將正/0/負碼速調整的基本抖動譜變換到了一個容易被去除的頻帶上。在接收端用適當的窄帶勻滑迴路即可完全去除這種抖動,達到大大減小碼速調整輸出抖動的目的。
2.主要技術性能
模型法正/0/負碼速調整數字復接設備的主要技術性能如下:
(1)採用CCITT G.745、G.753、G.754建議的正/0/負碼速調整幀結構。這些幀結構與相應的同步復接幀結構相容。既可準同步工作,也可同步工作。還可以採用CCITT G.741建議的多用途正/0/負碼速調整幀結構,實現準同步復接、同步復接和數字交換三者的兼容。
(2)大幅度減小了正/0/負碼速調整的輸出抖動;
(3)抖動轉移特性優於正碼速調整;
(4)支持輸入抖動容限滿足CCITT G.703建議;
(5)設備量略高於正碼速調整設備,而低於西德及澳大利亞的正/0/負碼調整設備。
3.套用特點
模型法正/0/負碼速調整在國內通信系統中的套用特點:
(1)允許多次碼速調整業務轉接;
(2)輸出抖動指標能滿足多種業務的傳輸質量要求;
(3)能適應多種工作方式,組網靈活;
(4)由於採用標準傳輸比特率和復接設備支路較少,通常都需要終端設備“背”靠“背”來完成中繼。因而,模型法正/0/負碼速調整設備與其它採用同一標準比特率復接設備之間的互聯、轉換和接口都不成問題。
正/負碼速調整
採用正負碼速調整時,需考慮的因素相對較少,但輸出抖動峰峰值最大為1UI,即採用數字平滑也無濟於事,而正碼速調整,只要正確選擇調整比和調整速率,妥善設計碼速恢復端的鎖相環,該項指標可以達到<0.2U。
