石英燈的結構
石英燈結構如圖1所示,由燈絲、玻璃燈殼、內外電源引線等部分構成。燈泡玻殼採用硬質石英玻璃製造,玻殼體積較小,內部惰性氣體的氣壓較高,燈絲工作溫度也較高,所以石英燈的發光效率較高,有效壽命也比一般白熾燈泡延長許多,可達3000h以上。
圖1石英燈配以聚光型反光罩即組成石英射燈,如圖2所示,具有很好的局部聚光照明效果。
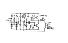
圖2石英燈額定工作電壓有高壓和低壓兩種。高壓石英燈的額定工作電壓為220V,直接接入交流220V電源即可使用。低壓石英燈的額定工作電壓通常為12V,‘需要配以降壓電路使用。
石英燈的電路
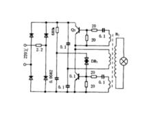
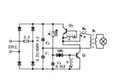
常見石英射燈電路有兩種,如圖3(a)、(b)所示。圖3(a)電路中B為輸出變壓器,B為振盪變壓器,Q、Q為開關管,兩管輪流導通或截止,使B變壓器的初級產生交變電流。圖3(b)與(a)電路相似,只是省去B,其振盪、輸出均由B完成。
調試石英燈時,正常情況下,電路總功耗約50W,在5V電壓時就能使石英燈發出暗光。燈泡開路,電路無電流。如電流大,燈泡易壞,開關管溫升高。減少電流的方法有兩個:
(1)減少變壓器的匝數。可將B三個繞組均減一至兩匝。
(2)減少輸出變壓器次級的匝數。
若電流過小,燈泡亮度就會不夠,則要增加B次級的圈數。各種燈型輸出變壓器的參數差較大,有的初、次級匝數比為45:5,有的100:8,均用鐵氧體7×10mm 的磁芯。
圖3(a)
圖3(b)利用開關電源的工作原理可製作成50W、75W和100W的石英燈電源電路,如圖4所示。
圖4石英燈的特點
石英燈,價格貴,屬連續光,效果柔和與溫潤,布光極準,色彩極艷。連續光式的石英燈類光源,用於希望能有暖調色彩,或是喜歡慢速細緻感光的拍攝。其光源屬於連續性發光體,所以與閃光燈類的光源相反,可以以慢速感光的方式來得到較為細緻的色彩。只是此類型燈光的電量消耗較大、容易發熱,色溫亦呈3200K的暖黃色調。由於是連續性發光,所以是電影等動態影片拍攝時的最主要光源。若想得到5400K的正常色溫,可以用C12藍色濾鏡來矯正。
石英燈的相關品類
鹵素燈是在錄像生產過程中使用最多的光源。這類燈泡發熱高、發光強,瓦數也大。這種燈能提供強烈的穩定的3200開的白光(在室內拍攝)。鹵素燈使用壽命很長,比較划算。它的缺點是功率大和發熱高。當用鹵素燈照明時,拿開它之前必須要等它冷卻。無論如何,當它亮著時,千萬不要接觸它。它會十分滾燙。

