,結構
是一種各向異性的結晶體,從一塊晶體按一定的方位角切下的薄片成為晶片,然後在晶片的對應表面上塗銀層,並安裝一對金屬塊作為極板,構成石英晶體諧振器。
,壓電效應
當晶片外加一個變化電場時,晶體會產生機械形變;當極板間施加機械力,晶體內會產生交變電場,這種現象稱為壓電效應。利用壓電效應,當極板外加交變電壓時,產生機械形變;機械形變反過來產生交變電場。機械形變振幅較小,晶體振動的頻率比較穩定。當外加交變電壓的頻率和晶體的固有頻率相等時,機械振動的振幅急劇增加。
,等效電路
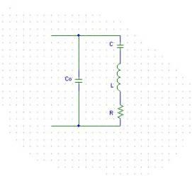
石英晶體諧振器的等效電路如下,等效電路的Co為切片與金屬板構成的靜電電容,L表示模擬晶體的質量(代表慣性),C表示模擬晶體的彈性。R表示晶體振動時,因摩檫造成的損耗。石英晶體有很高的質量彈性比值(相當於L/C),品質因素也很高(10000~500000)。石英晶體有串聯和並聯兩種。並聯晶體振盪器以並聯形式出現,串聯晶體振盪器以串聯的形式出現。兩種振盪器最大特點是頻率穩定性高,頻率變化僅E-8/日~E-10/日,甚至更高。
,型號
由三部分組成,第一部分表示外殼形狀和材料,如B 表示玻璃殼,J表示金屬殼,S表示塑封型;第二部分表示晶體切形,常和切形符號的第一個字母相同。如A表示AT切形;B表示BT切形;第三部分表示主要性能及外形尺寸等,一般用數字表示,有的最後加字母,如JA5為金屬殼切形晶振元件。BA3為波殼AT切形晶振元件。要通過查相關手冊,才知道主要的電特性。
晶振元件的主要電參數由標稱頻率fo,負載電容CL、激勵電平(功率)、工作溫度範圍和溫度頻差。晶振元件相當於電感,組成振盪電路時需要配外部電容,此電容為負載電容,在規定的CL下的晶振元件的振盪頻率即標稱頻率fo,所以在設計電路時要根據手冊使用規定的電容CL。
激勵電平(功率)是晶體元件工作時會消耗的有效功率、激勵電平應選用適中,過大會使電路頻率穩定變差,過小會使振盪幅度減小和不穩定,甚至不能起振。一般電平不應大於額定值,但也不要小於額定值的50﹪。
溫度頻差:在工作溫度範圍內的工作頻率相對於基準溫度下工作頻率的最大偏離值,此參數實際上電錶 晶振的頻率溫度特性。
晶振元件的標稱頻率一般都標註在外殼上。

