研發歷史
早期輕武器系統一般只包括槍。白天時由於光線好,瞄準時比較容易,但到了晚上就很難發現目標。一戰時期瞄準鏡開始出現,但直到二戰後,也未大量配發部隊,只有一些狙擊手才有資格使用。到60年代,瞄準鏡的配發範圍有所擴大它使操作者能夠更精確地向遠距離目標射擊,但射速也大大受到影響,這些瞄準鏡極為精確,雖然提高了瞄準的精確度,但也大大延長了瞄準時所耗費的時間,因此裝配瞄準鏡的輕武器當時主要供狙擊手之類的專業士兵使用而不作為標準裝置配給普通士兵,此外這種瞄準鏡並沒有解決夜戰時的瞄準問題,
到了80年代,隨著布基膠帶的發明和戰術需求的變化美國等國家把戰術電筒開始作為應急照明手段配發給士兵戰術電筒給夜戰帶來方便但使操作者容易暴露,因為電筒發出的耀眼白光太明顯了,而且最初配發的電筒使用起來比較笨拙,開關起來很麻煩。不過這時候士兵畢竟不需要一隻手拿電筒,另一隻手拿槍了,行動起來也就更為方便,
隨著時間的發展,零視差的M68CCO內紅點瞄準鏡在90年代開始大量配發部隊。這種瞄準裝置使射手能夠瞄準遠近任何距離的目標,而且提高了射擊速度。緊接著,AN/PEQ-2紅外雷射指示/照準器幾乎在同時出現,它基本上解決了夜戰瞄準問題,裝備了這種裝置以後,射手只需要把瞄準器發出的紅點投射到目標上,然後扣動扳機就行了餘下的事由子彈的動能來完成。這些裝置出現之後所帶來的問題就是,應該把它們放在輕武器的什麼部位用布基膠帶固定它們時,如何不掩蓋住某些重要部件如拋殼口,
這時候,導軌系統應運而生。美國皮卡汀尼軍火公司發明的皮卡汀尼附屬檔案導軌系統(美軍標準MIL-STD 1913)使射手可以按需裝配武器,以滿足不同環境條件的要求。導軌系統開始時是為大口徑步槍設計的,好讓其能夠安裝光學精確瞄準裝置,但人們很快發現,除了瞄準鏡,在導軌系統上還能安置多種附屬檔案,諸如雷射指示/照準器、電筒、腳架、卡口固定件、備用武器瞄準器和近戰用的定製把手等等。
結構性能
“皮卡汀尼"導軌是近年新發明的,最先裝配在美軍M4卡賓槍上該導軌與傳統只能安裝一種瞄具的導軌不同皮卡汀尼在縱嚮導軌上加工出一排均勻的橫向槽,便於定位、鎖緊,這不僅對於安裝瞄準鏡這樣精度較高的瞄具更加有益而且“皮卡汀尼”的縱向裝鏡、橫向定位、鎖緊方式還可在一條導軌上靈活安裝多種瞄具,並使安上去的瞄具或附屬檔案如原槍配件般地固定在槍上
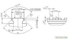
皮卡汀尼導軌皮卡汀尼導軌的名字源於最先測試它的美國新澤西皮卡汀尼軍工廠(Picatinny Arsenal)並以此來區別當時其他的導軌標準導軌包括一系列凸起橫截面呈T字形,凸起之間是平滑的缺口凸起高度0.118英寸(合3.00毫米)凸起寬度0.188英寸(合4.78毫米)缺口寬度0.206英寸(合5.23毫米)
導軌系統開始時是為大口徑步槍設計的讓其能夠安裝光學精確瞄準裝置但隨著上世紀80年代美軍在M16步槍、M4卡賓槍上大量運用皮卡汀尼導軌,這種技術開始在輕武器設計中廣泛套用,
由於皮卡汀尼導軌標準統一、結構靈活,不僅能將導軌加裝於自動步槍機匣上方,還可加裝於前護木的上、下、左、右四面,能妥善合理地將白光瞄準鏡、夜視瞄準鏡、戰術燈、雷射紅點照準器、攝像頭和前握把、兩腳架等附屬檔案配置在槍的前護木四周,使有限的空間得到了合理的利用,又提高了自動步槍的人機工效性,
優缺點
主要優點有:
1、適用器材多樣(武器之外的附加器材均可安裝)
2、定位確切(其錐面、溝槽的多種定位點適合於器材緊固)
3、靈活多樣(可固定在武器的多種位置,可根據需要安裝多種器材)
不足的地方有:
1、平時握持不順手,需在不安裝器材的部位外掛護套。
2、器材的安裝、拆卸速度較慢,需較長時間操作螺帽。
3、器材易於鬆動,這條也可不算,因為緊定裝置(螺帽等)是隨器材走的,不屬於導軌的一部分。
4、重量較大,對槍管造成額外負擔。
5、射擊者在使用時往往緊握護木,影響槍管精度。
6、R.I.S固定在槍管上射擊時槍管受熱膨脹,影響R.I.S.結構,進而影響射擊精度。
作戰套用
西方一些公司如今開始為軍用武器生產套裝導軌,如美國亞利桑那州的GG&G公司就在市場上推出M16/M4用的整套導軌包它包括5件導軌用於替換M16/M4的提把和護手。“騎士企業”公司則設計出浮動槍管武器系統(RASII)在這種系統中導軌懸掛在槍管上,因此射擊時槍管受到的干擾少能夠提高精確度。還有一些公司主要開發能夠安裝在導軌之上的附屬檔案設備,如各種瞄準器、夜視裝置和雷射指示器等,
國際通行
實際上導軌系統已經與美軍的輕武器完全成為一個整體,它現在是美軍的標準附屬檔案系統,促進了形形色色的專門研究導軌與導軌附屬檔案的技術發展。在美國的推動下,皮卡汀尼導軌實際上已經成為國際標準,不僅北約國家在輕武器中普遍採用,甚至在AK槍族中也開始出現皮卡汀尼導軌的身影。我國軍工科技人員也開發出了與79式衝鋒鎗相配合的專用戰術導軌瞄具系統。該系統由定位鎖緊裝置、皮卡汀尼導軌以及膛口裝置總成,並且可以安裝各種瞄準、照明功能配件。它彌補了79式衝鋒鎗無法配接其他光學瞄具的缺陷,極大提高了79式衝鋒鎗技戰術性能使這把曾讓軍迷多方詬病的衝鋒鎗有了新面貌,
在真實的槍戰中,規則很簡單:誰先開槍誰就贏。因此很多先進技術就專門研究目標獲取和快速瞄準,導軌的出現使得射手能夠按任務需求組裝武器如近戰時在導軌上安裝光學瞄準裝置,中距離戰鬥選用內紅點,需要戰術照明時安裝白光或紅外燈,等等。導軌出現之後,風頭曾經大遜於AK47的M16槍族簡直成了能夠七十二變的孫悟空。精確度、火力和適用性都遠非昔日可比。從這個意義上說,導軌的出現可以說是繼發明連發槍以來步兵戰鬥中又一個革命性發明。
發展前景
北約於2009年已經提出新一代北約標準化協定4694號—— STANAG 4694導軌標準, 北約附屬檔案導軌NATO accessory rail, 簡稱NAR. 新的STANAG 4694導軌可以100%向下兼容皮卡汀尼導軌, 並具有更高的加工精度, 更出色的可重複性. 擬取代從1995年起使用的皮卡汀尼導軌系統; 或者說, 皮卡汀尼導軌將升級為STANAG 4694導軌系統.
2010年, 北約成員國開始測試新型的STANAG 4694導軌.
2011年, HK G28步槍裝備德國派駐阿富汗的國際維和部隊. G28步槍是 HK417的半自動狙擊型號, 安裝STANAG 4694導軌。

