簡介
濕敏電容的主要優點是靈敏度高、產品互換性好、回響速度快、濕度的滯後量小、便於製造、容易實現小型化和集成化,其精度一般比濕敏電阻要低一些。國外生產濕敏電容的主廠家有Humirel公司、Philips公司、Siemens公司等。以Humirel公司生產的SH1100型濕敏電容為例,其測量範圍是(1%~99%)RH,在55%RH時的電容量為180pF(典型值)。當相對濕度從0變化到100%時,電容量的變化範圍是163pF~202pF。溫度係數為0.04pF/℃,濕度滯後量為±1.5%,回響時間為5s。
詳解
除電阻式、電容式濕敏元件之外,還有電解質離子型濕敏元件、重量型濕敏元件(利用感濕膜重量的變化來改變振盪頻率)、光強型濕敏元件、聲表面波濕敏元件等。濕敏元件的線性度及抗污染性差,在檢測環境濕度時,濕敏元件要長期暴露在待測環境中,很容易被污染而影響其測量精度及長期穩定性。
測量方法
測濕原理
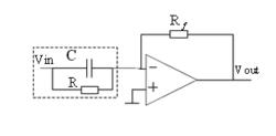
電容式濕度感測器在測量過程中,就相當於一個微小電容,對於電容的測量,主要是測量其電容值C。濕度感測器並不是一個純電容,它的等效形式見下圖虛線部分所示,相當於一個電容和一個電阻的並聯 。
濕度感測器的等效形式具體測量電路
測量電路原理圖下圖是電容式濕度感測器複數電壓法測量的具體測量電路,包括三個部分:微分電路、反相電路和積分電路 。
正弦波發生器產生的正弦信號Vin經過微分電路後,信號變成Vout,然後將Vout的輸出分成兩路,一路直接經電子開關1K直接進入積分電路,另一路先經過反相電路,使Vout的輸出為Vout,經過電子開關2K後,也同樣進入積分電路。電子開關1K、2K的作用是將Vout信號進行整流,然後經過積分電路進行測量 。
利用上述方法測量濕敏電容的值,測量範圍在30pF~100pF之間,測量的相對誤差可達±0.2% 。

