純滯後
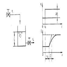
圖1 具有純滯後的對象及反應曲線純滯後又叫傳遞滯後,它是由於物料量或能量的傳送過程需要一定的時間而造成的。例如在圖1中,由於進口閥門較遠,它的開度變化後,輸人的物料量需要經過一段時間才能進入水箱影響液位的數值,這段時間就叫純滯後。可見純滯後使被控變數不能立刻隨負荷的變化而變化,而要等一段時間以後,才開始變化。它是單純地延遲了被控變數開始變化的時間,如圖1所示。
過渡滯後
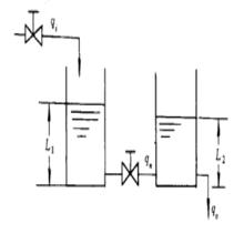
圖2 雙容對象過渡滯後又叫容量滯後,有的對象具有兩個或兩個以上的容量,稱為多容量對象,如夾套式蒸汽加熱器、串聯的液位容器等。如圖2就是一個雙容量對象,它的兩個容量之間有一個阻力元件(閥門)相通。當進料閥門突然開大時,兩個相聯容器的液位都要變化,經過一段時間後,兩個容器的液位也重新穩定下來,其動態特性曲線如圖3所示。從圖中可以看出,第一個容量的過渡過程與單容量對象基本相同。第二個容量的被控變數變化比較特殊,曲線上有一拐點W, W點左邊變化比較快,右邊變化逐漸減慢。通過W點作曲線的切線與原值相交,交點與被控變數開始變化的起點之間的時間間隔是過渡滯後。
評價意義
對象的容量係數和阻力越大,容量的個數越多,則過渡滯後時間越長,過渡過程越慢。在自動控制系統中,滯後的存在是不利於控制的。因為干擾已經產生了,而檢測儀表卻不能及時感受到,調節器仍然處於原來的穩定狀態,它要經過一段時間後才有控制作用輸出。當控制信號發出後,控制作用又不能及時地影響到對象,整個控制質量就會受到嚴重的影響,所以,在設汁和安裝控制系統時,應儘量把滯後減到最小。
