工作原理
海洋表面的海水長期受到在太陽光的照射,而深層海水卻長期得不到太陽光的照射,從而表層溫海水和深層冷海水存在著溫差,並利用這一溫差來實現熱力循環套用於發電,這種發電方式稱為海洋溫差發電(Ocean Thermal Energy Conversion 簡稱 OTEC )。OTEC的基本原理:利用海洋熱能轉化技術,海洋表層高溫海水使冷水或沸點較低的工質氣化,推動渦輪發電機發電。然後再利用深層低溫冷海水對蒸氣進行冷卻,使之還原為液體狀態。如此循環.便可實現海洋溫差能的發電。
發展歷史
早在1881年9月,巴黎生物物理學家德·阿松瓦爾就提出利用海洋溫差發電的構想。
1926年11月,法國科學院建立了一個實驗溫差發電站,證實了阿松瓦爾的構想。1930年,阿松瓦爾的學生克洛德在古巴附近的海中建造了一座海水溫差發電站。
1961年法國在西非海岸建成兩座3500千瓦的海水溫差發電站。美國和瑞典於1979年在夏威夷群島上共同建成裝機容量為1000千瓦的海水溫差發電站,美國還計畫在21世紀初建成一座100萬千瓦的海水溫差發電裝置,以及利用墨西哥灣暖流的熱能在東部沿海建立500座海洋熱能發電站,發電能力達2億千瓦。
2005 年,印度在卡瓦拉蒂島建立海洋溫差淡水生產設備,採用海洋溫差進行海水淡化滿足了島上淡水的需求。2009 年美國洛克希德馬丁公司及美國能源部與美國海軍研究利用海洋溫差能解決關島上海軍陸戰隊用電和淡水的問題。目前,在南太平洋、印度洋、夏威夷、加勒比海等海域,海洋溫差發電技術有著較好的套用。
2007-2008 年中國國家海洋局第一海洋研究所重點開展了海洋溫差能利用的研究,主要進行了海洋溫差能循環的理論研究工作。並設計出了 250W 小型溫差能發電利用實驗裝置。2011 年國家海洋局第一海洋研究所劉偉民博士在中國可再生能源學會 2011 年學術年會上提出新的循環方式(簡稱國海循環)。
循環方式
海洋溫差能發電的循環方式根據工質及流程的不同,一般可分為開式循環、閉式循環、混合式循環。不同的循環方式決定不同發電廠的工作原理、組成機構。
開式循環系統
開式循環系統開式循環系統最早是有法國科學家 Mr. G. Claude 提出。開式循環系統以朗肯循環為基礎,系統工質為水。系統由閃蒸器、冷凝器、汽輪機、發電機、溫水泵和冷水泵等組成。其工作原理為:真空泵是用來保證系統的真空度,由溫水泵抽出的表層溫海水在閃蒸器內低壓沸騰成蒸汽,產生的蒸汽推動汽輪機做功,帶動發電機發電;從汽輪機排出的蒸汽在冷凝器內被由冷水泵抽出的深層冷海水冷凝凝結成水。
開式循環的優點是:
(1)由於開式循環的工作介質是海水,不需要其他工質則不需要海水與工質的熱交換,因此可以減少由於二次熱交換而產生的熱量損失;
(2)如果冷凝器採用間壁式冷凝器,則可以產生淡水;
(3)清潔無污染,以在真空下不斷蒸發的溫海水蒸汽為工作介質,不會因為工質的泄漏而對環境造成破壞;
(4)結構相對比較簡單,容易操作。
開式循環的缺點是:
(1)由於海水中含有氧、氮、二氧化碳等溶解性氣體, 當海水蒸發的蒸汽進入閃蒸器之類的真空部件後,大部分溶解氣體被釋放出來,為保持系統真空, 必須連續不斷的除去這些氣體;
(2)系統處於負壓,透平壓降較低,25℃時飽和蒸汽壓力約為 3.3k Pa,透平效率低,並需要的透平內徑尺寸大;
(3)由於只有不到 0.5%的海水能夠蒸發成蒸汽,因此需要將大量的海水泵進發電廠以產生足夠的蒸汽來推動這一大型低壓透平進行發電,這種局限性使得開放式循環系統產生的總電量不超過 3 兆瓦,進一步加大透平的尺寸,增加透平的重量會使支撐系統不堪重負,造成實驗系統無法正常運行。
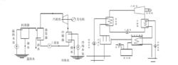
閉式循環
閉式循環系統海洋溫差能發電閉式循環系統由美國安德森父子在 1964 年提出。閉式循環系統由蒸發器、冷凝器、透平、發電機、溫海水泵、冷海水泵、工質泵組成。和開式循環一樣以朗肯循環為基礎。其工作原理為:溫海水泵將表層溫海水送往蒸發器,在蒸發器內低沸點的工作介質通過換熱吸收溫海水熱量,工作介質的溫度升高變為蒸汽,蒸汽通過透平膨脹做功,帶動發電機進行發電;透平排出的低沸點工質蒸汽進入冷凝器,再由冷水泵抽出的深層冷海水進行冷卻,使工作介質由蒸汽重新變為液體;利用工質泵把液態工作介質重新壓進蒸發器進行蒸發,使其循環使用。重複這個循環過程,完成發電。
閉式循環的優點:
(1)系統處於正壓,透平壓降較大,採用低沸點工質可以提高壓力差和壓力水平,在同樣溫度下蒸汽壓力比水蒸汽的壓力高很多,如氨在 25℃時,飽和壓力 1005.1k Pa 是同溫下水的飽和壓力的 300 多倍, 因此閉式循環系統可以大大地縮小透平尺寸,減小溫海水流量,實現裝置的小型化以及規模的大型化,易於取得到商業化發展 ;
(2)由於工質在閉路中循環,海水內不凝性氣體對系統的影響較小,海水不需要脫氣,免除了這一環節的動力需求。
閉式循環的缺點是
(1)海水與工質之間需要二次換熱,減小了可利用的溫差 ,增加了二次換熱過程中的不可逆熱量損失;
(2)蒸發器和冷凝器體積較大,金屬耗量大,維護困難;
(3)由於溫差較小必須有性能優良的熱交換器,才能大大降低換熱器成本;
(4) 工質的泄露可能會對環境產生影響;
(5)只可發電,不能生產淡水。
混合式循環
混合式循環是在閉式循環的基礎上結合開始循環改造而成的,混合式循環將閉式循環和開始循環系統的部分綜合起來進行發電和生產淡水。
兩種混合式循環系統一種混合式循環系統的工作原理是溫海水在閃蒸室閃蒸成蒸汽,蒸汽在蒸發器中加熱工質同時被冷卻成淡水,與開環系統蒸發過程一致;在閉合周期中工質在蒸發器中吸熱蒸發成蒸汽,被汽化的工質通過透平做功帶動發電機發電。這種循環方式的優點是蒸發器內以蒸汽形式加熱工質,有較高的換熱係數,可減小換熱面積,且有較高淡水產量;缺點是存在著二次換熱,且閃蒸系統需要脫氣,閉路系統不能有效的利用溫差。
另一種循環系統方式的工作原理是表層溫海水先通過蒸發器給工作介質加熱,被加熱的工作介質成為蒸汽推動透平做功,帶動發電機發電。換熱後的溫海水再進入閃蒸器內閃蒸,閃蒸出來的蒸汽被從冷凝器出來的冷海水冷凝稱為淡水。這種系統的優點是:沒有影響發電系統的有效溫差,而且可以根據需要調節進入閃蒸器的海水流量,從而控制淡水產率;缺點是:系統較複雜,需配備淡水冷凝器,成本更高。
電廠類型
海洋溫差能發電廠可以建設在岸上,也可以建設在海上。
岸式溫差能發電廠
美國夏威夷210kW 開式循環岸式 OTEC系統岸式發電廠目前己有多個示範裝置。岸式發電裝置的優勢是維護和修理簡單,不受颱風影響,長期使用經濟性較好,如果抽取的海水可以用作其他用途,其經濟性還可提高;其局限性是建廠位置條件苛刻,要求廠址附近有水深超過800 m的熱帶海域以確保表深層海水間具有足夠的溫差,使用的冷水管包括水下豎直部分及陸上水平部分,長度較長,以及運轉水泵需要較高能量。
海上溫差能發電廠
美國一公司構想的名為“Spar”的全潛式海上溫差能發電系統溫差能發電裝置也可建在海上。海上裝置垂直於水面吸水,水管長度減短,海水在輸運過程中的熱損失也相應減少;但海上裝置需要用錨固定,需要具備抗風浪的能力,且需要電纜將電力輸送出去,這就增加了工程的難度和造價。海上裝置有船式設計半潛式設計以及全潛式設計。
船式溫差能發電裝置的建造技術可參考造船技術,比較成熟,目前已經有示範工程。半潛式和全潛式海洋溫差能裝置目前還處於概念設計階段。
發展意義
我國海洋溫差能資源比較豐富,如果能夠很好的開發利用這一清潔可再生能源,將會對我國能源結構的調整、緩解能源壓力、開發島嶼資源等具有重要意義。我國對海洋溫差能的開發具有如下意義:
(1) 海洋溫差能不僅可以用來發電,還可以用來搞海水淡化、海水養殖、冷水空調、深海採礦等各種綜合利用。海洋溫差能的開發不僅可以緩解能源短缺的現狀,還可以為島嶼和船舶提供淡水資源,因此海洋溫差能的開發和利用具有重要意義。
(2) 開發海洋溫差能對解決我國沿海島嶼用電問題具有重要的現實意義。隨著近年來國家經濟的迅速發展,許多沿海地區如廣東、南海、山東等均將海洋資源開發利用列為經濟建設的重大戰略措施,而海島成為海洋開發的前哨和基地。但是大多數島嶼常規能源(如煤、石油)資源短缺,能源供應依靠大陸運送,電力聯網困難,普遍缺能少電。獨立電網大多都依靠高價柴油發電,不少地方成本超過一元每千瓦時,也僅僅能提供生活用電,因此嚴重影響島嶼的漁、副、工、農及國防的建設和發展。所以解決我國沿海島嶼能源問題具有重要的政治、國防、經濟意義。沿海島嶼雖然缺乏常規能源,但是海洋溫差能資源豐富,若能因地制宣地開發環島周圍的海洋溫差能,對島嶼的經濟發展和守土固疆必將產生重大影響。
(3) 海洋溫差能資源的開發,還能為將來的海上工程作業提供便利的電力。隨著人類對海洋資源認識的深入和科學技術的發展,海洋開發已經處於由離岸向縱深發展的階段。海洋開發本身需要越來越多的能源,例如海上鑽井平台主要依靠柴油機發電,電源有限。如果發展海上移動式海洋溫差能發電裝置,就可以跟隨海上工程活動使用,解決離岸用電問題。
(4) 發海洋溫差能不僅可以緩解我國能源壓力,調整能源結構,也有利於我國的環境保護。因此,海水溫差能作為一種清潔、可再生的能源,其開發、利用對我國經濟可持續發展和人民生活水平的提高具有重要的現實意義。
前景展望
海洋溫差發電廠離陸地較近,除了可考慮直接向陸地上的變電站輸送電能外,還可利用這些電能從水中分解出高效的氫燃料,或從濃縮海水中提取鈾、重水和一些稀有金屬,送往陸地供核電站使用,同時它不會產生污染物和溫室氣體。同時,冷海水的營養豐富,而且無菌,此種高濃度的營養鹽類有助於海水養殖、製藥或生物科技的發展。而且發電過程中所產出的淡水也是一種很重要的副產品,冷海水的冷度還可用於空調、冷藏或農業生產上,海洋溫差電站甚至還有教育、觀光及遊憩方面的價值。因此,海洋溫差發電廠有百利而無害,可謂套用前景廣闊。

