簡介
利用流致振動(FIM)進行發電是近年來一種新興的水力發電方式。考慮流致振動發電功率與流致振動振幅、頻率、電機參數及負荷等存在強耦合關係,發電機對振子的阻力可視為HOGR系統總阻尼的一部分;系統中各項阻尼的大小表征了對應功率及效率的大小;HOGR系統的發電效率決定於系統的上限效率與上限能量的利用率的乘積;通過分別確定上限效率及上限能量利用率與折介阻尼係數間關係可確定最優的發電效率及負荷條件;發電機的選配原則為在保證經濟性的前提下,儘量使最優上限效率與最優上限能量利用率的折介阻尼係數相等。
流致振動的定義
流致振動(Flow-induced Motion, FIM)是指流體流經固體時會對固體表面施加交替相問的流體力,使得固體發生往復運動,而固體的往復運動又改變流體流態,進而改變作用於固體表面的流體力,這種流體與固體相互作用的現象稱為流致振動。流致振動現象廣泛地存在於各類工程領域當中。流致振動中最典型的兩種運動為渦激振動 (Vortex-induced vibration, VIV)與馳振(Galloping)其中,渦激振動是由於流體粘性作用使得其在繞流鈍體後側產生了交替脫渦的漩渦,從而引起鈍體縱向的往復運動}s};而馳振則是由於鈍體攻角的變化造成升力失穩,從而使得鈍體發生縱嚮往復運動工程實際中,VIV與馳振有可能單獨出現,也有可能藕合出現,VIV很可能成為馳振的主要誘因。從15世紀中期,達文西通首次發現了VIV現象後,學者們紛紛投入到了流致振動的相關研究工作當中。
Feng首次通過風洞試驗得到了圓柱、D型柱的VIV回響規律。隨後Bearman Sarpkaya等人對繞流圓柱的理論模型及流體作用力的特點進行了深入分析,了預測繞流圓柱回響的振了模型。20世紀中後期,Williamson Khalak及Govardhan等人在水槽中進行了一系列的圓柱繞流試驗,闡釋了水流條件下圓柱回響的影響因素、受力特點及尾流模式,進一步完善了VIV的理論模型。D enHartog首次運用準靜態方法(quasi-steady)預測了馳振的回響規律。隨後Parkinson及Bearman等人對三角形及正方形截面下振了的馳振特性進行了理論研究與回響預測。
由於流致振動對工程的破壞作用巨大,以往關於流致振動的研究大多集中於如何抑制振動以保證結構的安全。不過,近年來隨著新能源領域尤其是振動發電領域的不斷創新,流致振動也逐漸成為了一種重要的能量轉化來源之一。在眾多的振動發電裝置當中,壓電俘能技術是最早運用空氣流致振動進行能量轉化的發電裝置。該裝置因其靈巧的裝卸優勢,成功的運用在各類微型、小型感測器及其他電了設備的供電系統上,並取得了良好的經濟效益。相對於壓電俘能材料,另一種利用流致振動轉化海流能源的發電設備(VIVACE } VortexInduced Vibration for Aquatic Clean Energy)於2009年由密西根大學的Bernitsas及其科研團隊研製成功。隨後,馬良等人又了改進的渦激與升力混合發電設備。該類設備具有啟動流速低、能量密度大、可擴展性強等特點,具有更加廣闊的運用前景。白此,許多學者開始從發電理念出發,重新審視並研究流致振動的振動特性、影響因素及形成機理。B arrero Gil及Alonso等人基於準靜態理論的方法研究了馳振回響下能量轉化效率,並深入分析了影響流致振動發電效率的控制因素。Muhanmood及Dai等人則通過理論分析及數值計算等方法對壓電俘能轉換機的能量轉化及相應的負荷電壓進行了深入研究。
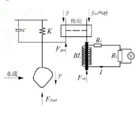
就目前而言,基於流致振動發電的研究大多集中於振了的振動特性(如振幅、頻率、升力係數等),考慮實體發電機或將發電機及負荷參數引入振動體系的禍合研究相對較少。這在某種程度上制約了流致振動發電的實際運用前景。對於振動體系而言,發電機的影響在於阻礙振了的運動,而發電機阻力的大小又取決於發電機的各項參數以及負荷的大小,一旦電機或負荷發生改變,發電機對振了的阻力必然發生改變,從而影響振了的振動回響,最終影響系統的發電功率與效率。可見,發電功率與流致振動回響、發電機參數及系統負荷存在強禍合關係。為此,首次建立了水力一振了一電機一負荷藕合模型系統(The combined model of hydraulic, oscillator,generator and resistance, HOGR),分析了振了的受力特點與運動特點,推導得到了發電功率與效率的表達方程,揭示了效率的控制因素與影響機制。隨後,基於效率的控制因素了最優發電效率的分析方法以及發電機選配的原則,並運用試驗結果進行驗證與說明。研究旨在確定流固禍合發電系統的發電功率與效率及對應的控制因素,為後續的流致振動能量轉換研究以及發電機的研發提供良好的參考。
功率與效率
HOGR系統的能量汲取與分配
流致振動發電對於HOGR系統而言,而水流能量終轉化為可利用的能量實際要經歷兩個基本過程,如圖2所示。
過程1:流體能量的其中一部分用於對振了做功,另一部分由於尾流場的變化而耗散在流體當中。振了尾流中,由於速度場及渦量場的改變,使得流體粒了不斷碰撞、摩擦,這部分能量實際也來源於流體本身的能量。過程2:流體對振了所做的功中,一部分通過發電機轉化成負荷電阻的電能消耗,一部分耗散於電機發電過程中白身產生的熱量,還有一部分耗散於振了振動過程中的機械損耗。對於上述能量當中,發電機轉化成為負荷電阻R:的電能消耗實際上即為整個系統當中可以利用的能量。因此,考察各個能量以及效率之問的關係是提高流致振動發電套用前景的關鍵因素。本節的後續兒個內容將分別討論水流功率、HOGR系統的上限功率與效率以及HOGR系統的發電功率與效率。
流體功率
由於HOGR系統為分散式的能量轉換設備,其能量僅為流體動能。故總的流體功率為動壓水頭PT與水流的體積流量Q的乘積。
系統上限功率與效率
水流能量的利用過程可知,因發電機內能及機械損耗,使得水流對振了做功不能完全被利用。但在理想條件下,若使得發電機白身發熱及傳動阻尼力損耗為零,則可實現水流對振了所做功全部被利用。由此可見,對於HOGR系統而言,水流對振了的做功功率、即為系統可利用功率的上限,即上限功率。
系統發電功率與效率
HOGR系統中,被利用的發電功率為單位時問內負荷電阻R:所消耗的電能能量。在發電迴路系統中,電流I為感應電動勢E與迴路總電阻的比值。
HOGR系統的最優效率的確定
流致振動發電HOGR系統的發電效率決定於其上限效率粉UL與上限能量利用率粉的乘積、上限效率UL與上限能量利用率粉的變化規律及控制參數。那么,對於確定的發電機,HOGR系統最終的最優發電效率可通過如下途徑加以確定,如圖6所示。
具體步驟為:m確定發電機的各項參數,確定短路時的折合阻尼係數姑,然後通過確定上限能量利用率與折合阻尼係數的相關關係。通過試驗、數值或理論的方法掌握A與。的回響規律與振了參數、水流參數的相關關係,並通過式確定上限效率與折合阻尼係數的相關關係。根據。確定發電效率與折合阻尼係數之問的關係了,並確定最優發電效率與對應的。

