垂直式系統
垂直式系統按供、回水乾管布置位置不同,有下列幾種形式:
(1)上供下回式雙管和單管熱水供暖系統;
(2)下供下回式雙管熱水供暖系統;
(3)中供式熱水供暖系統;
(4)下供上回式(倒流式)熱水供暖系統;
(5)混合式熱水供暖系統。
機械循環上供下回式熱水供暖系統
圖1機械循環上供下回式熱水供暖系統圖1( 1-熱水鍋爐;2-循環水泵;3-集氣罐;4-膨脹水箱)所示為機械循環上供下回式熱水供暖系統。圖左側為雙管式系統,右側為單管式系統。機械循環系統除膨脹水箱的連線位置與重力循環系統不同外,還增加了循環水泵和排氣裝置。
在機械循環系統中,水流速度往往超過自水中分離出來的空氣氣泡的浮升速度,為了氣泡不致被帶人立管,供水乾管應按水流方向設上升坡度,使氣泡隨水流方向流動匯集到系統的最高點,通過在最高點設定排氣裝置3,將空氣排出系統外。供水及回水乾管的坡度,宜採用0.003,不得小於0.003。回水乾管的坡向與重力循環系統相同,應使系統水能順利排出。
圖1左側的雙管式系統,在管路與散熱器連線方式上與重力循環系統沒有差別。圖1右側立管Ⅲ是單管順流式系統。單管順流式系統的特點是立管中全部的水量順次流進各層散熱器。順流式系統形式簡單、施工方便、造價低,是國內目前一般建築廣泛套用的一種形式。它最嚴重的缺點是不能進行局部調節。
圖1右側立管Ⅳ是單管跨越式系統。立管的一部分水量流進散熱器,另一部分立管水量通過跨越管與散熱器流出的回水混合,再流入下層散熱器。與順流式相比,由於只有部分立管水量流入散熱器,在相同的散熱量下,散熱器的出水溫度降低,散熱器中熱媒和室內空氣的平均溫差減小,因而所需的散熱器面積比順流式系統大一些。單管跨越式系統由於散熱器面積增加,同時在散熱器支管上安裝了閥門,使系統造價增高,施工工序增多,因此,目前在國內只用於房間溫度要求較嚴格、需要進行局部調節散熱器熱量的建築中。
在高層建築(通常超過6層)中,近年國內出現一種跨越式與順流式相結合的系統形式——上部幾層採用跨越式,下部採用順流式(如圖1右側立管V所示)。通過調節設定在上層跨越管段上的閥門開啟度,在系統試運轉或運行時,調節進入上層散熱器的流量,可適當地減輕供暖系統中經常會出現的上熱下冷的現象。但這種折中形式,並不能從設計角度有效地解決垂直失調和散熱器的可調節性能。
對一些要求室溫波動很小的建築(如高級旅館等),可在雙管和單管跨越式系統的散熱器支管上設定室溫調節閥,以代替手動的閥門(見圖1)。圖1所示的機械循環上供下回式熱水供暖系統的幾種形式,也可用於重力循環系統上。上供下回式管道布置合理,是最常用的一種布置形式。
機械循環下供下回式熱水供暖系統
系統的供水和回水乾管都敷設在底層散熱器下面,在沒有地下室的建築物或在平屋頂建築頂棚下難以布置供水管的場合,常採用下供下回式系統。
與上供下回式系統相比,它有如下特點:
(1)在地下室布置供水乾管,管路直接散熱給地下室,無效熱損失小。
(2)在施工中,每安裝好一層散熱器即可開始供暖,給冬季施工帶來很大方便。
(3)排除系統中的空氣較困難。
圖2機械循環下供下回式熱水供暖系統下供下回式系統排除空氣的方式主要有兩種:通過頂層散熱器的冷風閥手動分散排氣(見圖2左側),或通過專設的空氣管手動或自動集中排氣(見圖2右側)。圖2中,1-熱水鍋爐;2-循環水泵;3-集氣罐;4-膨脹水箱;5-空氣管;6-冷風閥。從散熱器和立管排出的空氣,沿空氣管送到集氣裝置,定期排出系統外。集氣裝置的連線位置,應比水平空氣管低h以上,即應大於圖中a和b兩點在供暖系統運行時的壓差值,否則位於上部空氣管內的空氣不能起到隔斷作用,立管水會通過空氣管串流。因此,通過專設空氣管集中排氣的方法通常只在作用半徑小或系統壓降小的熱水供暖系統中套用。
機械循環中供式熱水供暖系統
圖3機械循環中供式熱水供暖系統從系統總立管引出的水平供水乾管敷設在系統的中部。下部系統呈上供下回式。上部系統可採用下供下回式(雙管,見圖3(a)),也可採用上供下回式(單管,見圖3(b))。中供式系統可避免由於頂層梁底標高過低,致使供水乾管擋住頂層窗戶的不合理布置,並減輕了上供下回式樓層過多,易出現垂直失調的現象;但上部系統要增加排氣裝置。
中供式系統可用於加建樓層的原有建築物或“品”字形建築(上部建築面積小於下部建築的面積)的供暖上。
機械循環下供上回式(倒流式)熱水供暖系統
圖4機械循環下供上回式熱水供暖系統機械循環下供上回式(倒流式)熱水供暖系統如圖4(1-熱水鍋爐;2-循環水泵;3-膨脹水箱)。系統的供水乾管設在下部,而回水乾管設在上部,頂部還設定有順流式膨脹水箱。立管布置主要採用順流式。
倒流式系統具有如下特點:
(1)水在系統內是自下而上的流動,與空氣流動方向一致。可通過順流式膨脹水箱排除空氣,無須設定集氣罐等排氣裝置。
(2)對熱損失大的底層房間,由於底層供水溫度高,底層散熱器的面積減小,便於布置。
(3)當採用高溫水供暖系統時,由於供水乾管設在底層,這樣可降低防止高溫水汽化所需的水箱標高,減少布置高架水箱的困難。
(4)倒流式系統散熱器的傳熱係數遠低於上供下回式系統。散熱器熱媒的平均溫度幾乎等於散熱器的出水溫度。在相同的立管供水溫度下,散熱器的面積要比上供下回順流式系統的面積大。
機械循環混合式熱水供暖系統
圖5機械循環混合式熱水供暖系統如圖5所示,混合式系統是由下供上回式(倒流式)和上供下回式兩組串聯組成的系統。水溫為t'。的高溫水自下而上進入I組系統,通過散熱器水溫降到t'後,再引入Ⅱ組系統,系統循環水溫度再降到t'。後返回熱源。
進入Ⅱ組系統的供水溫度t',根據設計的供、回水溫度,可按兩個串聯繫統的熱負荷分配比例來確定;也可以預先給定進人Ⅱ組系統的供水溫度t'。來確定兩個串聯繫統的熱負荷分配比例。由於兩組系統串聯,系統的壓力損失大些。這種系統一般只宜使用在連線於高溫熱水網路上的衛生要求不高的民用建築或生產廠房中。
異程式系統與同程式系統
上述介紹的各種圖式(圖5除外),在供、回水乾管走向布置方面都有一個特點,即通過各個立管的循環環路的總長度並不相等。如圖1右側所示,通過立管Ⅲ循環環路的總長度,就比通過立管V的短。這種布置形式稱為異程式系統。
異程式系統供、回水乾管的總長度短,但在機械循環系統中,由於作用半徑較大,連線立管較多,因而通過各個立管環路的壓力損失較難平衡。有時靠總立管最近的立管,即使選用了最小的管徑咖15mm,仍有很多的剩餘壓力。初調節不當時,就會出現近處立管流量超過要求,而遠處立管流量不足的問題。在遠近立管處出現流量失調而引起在水平方向冷熱不均的現象,稱為系統的水平失調。
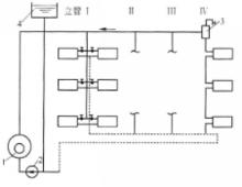
圖6同程式系統為了消除或減輕系統的水平失調,在供、回水乾管走向布置方面,可採用同程式系統。同程式系統的特點是通過各個立管的循環環路的總長度都相等。如圖6(1-熱水鍋爐;2-循環水泵;3-集氣罐;4-膨脹水箱)所示,通過最近立管I的循環環路與通過最遠處立管Ⅳ的循環環路的總長度相等,因而壓力損失易於平衡,由於同程式系統具有上述優點,在較大的建築物中,常採用同程式系統。但同程式系統管道的金屬消耗量通常要多於異程式系統。
水平式系統
圖7單管水平順流式
圖8單管水平跨越式水平式系統按供水管與散熱器的連線方式同樣可分為順流式,見圖7(1-冷風閥;2-空氣管)和跨越式,見圖8(1-冷風閥;2-空氣管)兩類。這些連線圖式,在機械循環系統和重力循環系統中都可套用。
水平式系統的排氣方式要比垂直式上供下回系統複雜些。它需要在散熱器上設定冷風閥分散排氣,或在同一層散熱器上部串聯一根空氣管集中排氣。對較小的系統,可用分散排氣方式。對散熱器較多的系統,宜用集中排氣方式。
水平式系統與垂直式系統相比,具有如下優點:
(1)系統的總造價一般要比垂直式系統低;
(2)管路簡單,無穿過各層樓板的立管,施工方便;
(3)有可能利用最高層的輔助空間(如樓梯間、廁所等)架設膨脹水箱,不必在頂棚上專設安裝膨脹水箱的房間。這樣不僅降低了建築造價,還不影響建築物外形美觀。
因此,水平式系統也是在國內套用較多的一種形式。此外,對一些各層有不同使用功能或不同溫度要求的建築物,採用水平式系統更便於分層管理和調節。但單管水平式系統串聯散熱器很多時,運行時易出現水平失調,即前端過熱而末端過冷現象。
機械循環系統與自然循環系統的主要區別
(1)循環動力不同。機械循環系統靠水泵提供動力,強制水在系統中循環流動。循環水泵一般設在鍋爐入口前的回水乾管上,該處水溫最低,可避免水泵出現氣蝕現象。
(2)膨脹水箱的連線點和作用不同。機械循環系統膨脹水箱設定在系統的最高處,水箱下部接出的膨脹管連線在循環水泵入口前的回水乾管上。其作用除了容納水受熱膨脹而增加的體積外,還能恆定水泵入口壓力,保證供暖系統壓力穩定。
(3)排氣方式不同。機械循環系統中水流速度較大,一般都超過水中分離出的空氣泡的浮升速度,易將空氣泡帶入立管引起氣塞。所以機械循環上供下回式系統水平敷設的供水乾管應沿水流設上升坡度,坡度值不小於0.002,一般為0.003。在供水乾管末端最高點處設定集氣罐,以便空氣能順利地和水流同方向流動,集中到集氣罐處排空氣。回水乾管也應採用沿水流方向下降的坡度,坡度值不小於0.002,一般為0.003,以便於集中泄水。
