用於收集核電廠在正常運行包括預計運行事件時產生的放射性廢液,並對其處理,使其放射性水平低於環境排放允許值,然後作為補充液參加再循環或向環境排放的系統。
廢液量和分類 核電廠廢液的量和放射性水平因核電廠的運行工況和管理水平而不同。下表給出某核電廠設計中有關廢液的一些數據,來說明核電廠中的廢液來源、數量和放射性水平。
| 廢液來源 | 數量(m/a) | 放射性濃度(Bq/L) |
| 工藝排水 | 4500 | ~3.7×10 |
| 化學排水 | 3000 | 1.85×10 |
| 地面排水 | 10000 | ~3.7×10 |
| 服務排水 | 2500 | 3.7×10 |
| 合 計 | 20000 |
核電廠產生的廢液,按其放射性水平及化學成分可分為四類:
①工藝排水:化學和容積控制系統、硼回收系統、乏燃料水池冷卻和處理系統、廢物處理系統等的除鹽器和過濾器排水;
②地面排水:反應堆廠房和輔助廠房地面沖洗水;
③化學排水:化學實驗室取樣排水,設備去污水;
④服務排水:放射性洗衣房及淋浴室廢水。以上這些廢水,經處理後如達到一迴路補給水水質要求的,則返回硼回收系統暫存箱復用;達到輔助廠房復用水水質要求的,則返回廠房作地面沖洗水;達到排放水質要求的,則向環境排放。
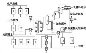
廢液處理系統示意圖處理流程及工作原理 廢液處理系統通常為儲存、過濾、化學沉澱、離子交換、蒸發五種工藝單元的選擇組合。各核電廠常根據具體情況,如原水的水質、比活度、廢液量、淨化要求以及排放標準,選擇其中若干工藝單元組成廢液處理系統。包括上述工藝單元的系統流程如圖所示。
儲存 對含半衰期較短的放射性核素的廢液進行儲存處理,是最為簡便而有效的處理方法。
過濾 將廢液進行過濾處理,除去其中懸浮固體和雜質,是廢液預處理和後處理的一種補充手段。預過濾是保證蒸發器或離子交換樹脂正常運行。後過濾是防止破碎樹脂進入系統。壓水堆核電廠過濾器結構型式分為可處置和可復用兩種。使用過的過濾器濾芯作為固體廢物進一步處理。
化學沉澱 在廢水中加入化學絮凝劑或載體以後,會有大量凝聚沉澱物生成,而放射性核素濃集在沉澱物中。此法工藝簡單,成本低廉;缺點是去污因子低,產生沉澱物較多,污泥脫水較困難。常用凝聚劑有硫酸鋁、氯化鐵、磷酸鈣和硫化鈉等。由於該工藝增加了二次廢物,近期核電廠設計已不再採用。
蒸發 是廢液處理中最有效的一種方法,去污因子高,一般可達10~10,尤其適用處理含鹽量較多、化學成分複雜、放射性水平較高的廢水。但它不適用於處理含有易揮發的放射性物質的廢水以及易起泡沫的廢水。普遍使用的是強迫循環蒸發器和自然循環蒸發器兩種設備。中國採用的為外加熱式自然循環蒸發器。與強迫循環蒸發器相比,這種蒸發器傳熱係數不及前者高,設備布置不及前者緊湊,但它沒有像強迫循環泵這樣的轉動設備,不需要經常維修,泄漏的可能性也很小。這種設備結構簡單,操作方便,去污效果也很好。自然循環蒸發器在中國已有多年設計和運行經驗。廢液經蒸發後,放射性核素大部分留在濃縮液中,然後對其作固化處理。而二次冷凝液經監測後,根據水質指標決定復用、排放或用離子交換樹脂作進一步處理。
離子交換 離子交換樹脂與放射性廢液接觸時,能通過兩者的離子互相交換而將水中的放射性離子轉移到離子交換樹脂上去,從而使廢液淨化。這種處理適用於處理含鹽量低的放射性廢水。此處理可作為蒸發器處理的補充手段,將不合格的冷凝液進一步淨化。吸附了放射性物質的飽和樹脂可進行再生或不再生。最終的廢樹脂可送固化廠房固化處理。
壓水堆廢液處理流程的選擇要求按“合理可行儘量低”的原則,即既要滿足環境保護要求,又要考慮廢液處理成本等綜合因素。
