攜帶型B超機電池概述
攜帶型B超機方便醫務人員進行可移動式的戶內、戶外作業,提供持續、高效、穩定的移動電源已成為此類設備正常運作的最大保障。方案採用高性能電芯,使整個電池具備高能量比、輕質量、小體積、高循環壽命、高安全、一致性高等特點。電源管理方案,採用高智慧型化的SBS電池管理系統,對電池的安全及電量進行有效的管理。
攜帶型B超機電池參數
組合方式:ICR18650-3S3P
標稱電壓:11.1V
標稱容量: 6600mAh
標準持續放電電流:0.2C
建議最大放電電流:1C
工作溫度:充電:0~45℃
放電:-20~60℃
成品內阻:≤300mΩ
標準重量:約450g
保護參數:過充保護電壓/每串4.35±0.025V
過放保護電壓 2.4±0.08V
過流值: 8~18A
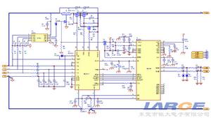
攜帶型B超機電池設計方案
1)保護板(PCM):主要是對可充電智慧型電池組進行設計的保護線路,由於鋰電池本身的化學特性,需要提供智慧型電量計算、過充、過放、短路、過流及過溫等保護功能。以避免引起燃燒、爆炸等危險。
2)AFE /IC(Protection IC):設計方案的主要保護功能晶片,對電芯進行過充、過放、過流、短路等功能的線上時時監測。使電芯在安全穩定高效的範圍內工作。
3)18650鋰離子電芯:18650 Li-ion cell(BAK)。
4)場效應管(MOSFET):MOSFET管,在保護電路中起開關作用,使負載兩端的電壓不會升高也不會降低,保證電壓穩定。
5)電量管理控制晶片(BQ2085):功能完整的電量檢測計,具有一個測量電壓與溫度的模數轉換器(ADC) 和一個測量電流與充電感測的模數轉換器。電量檢測計具有一個微處理器,負責執行電量檢測,能夠提供剩餘電量狀態(Remaining State of Capacity)等信息,BQ2085晶片還提供剩餘可運行時間 (Run Time to Empty)。主機可隨時向電量檢測計查詢這些信息,將電池信息通知用戶。電量檢測計的使用非常方便,讓使用者隨時掌握電池電能。
攜帶型B超機電池設計方案原理圖