工作原理
接線器分類
接線器的種類很多,有縱橫接線器、編碼接線器、笛簧接線器、螺簧接線器、剩簧接線器和電子接線器等。在長途電話自動交換機中,使用較多的是縱橫接線器、編碼接線器和笛簧接線器。前兩種用於縱橫制式長途電話自動交換機,後者用於準電子式長途電話自動交換機。縱橫接線器
縱橫接線器按其所能組成的交叉接點及每一個交叉接點的出線數可分為:10×20×3、10×30×3和10×20×5三種類型。第一個兩位數表示每台縱橫接線器的縱單位(入線)數,第二個兩位數表示每台接線器的出線組數,第三個數表示每組出線的條數,也就是每個交叉接點的動合接點組數。各種不同類型的縱橫接線器,其結構基本相同,由橫棒選擇系統和縱單位保持系統組成。不同類型的電話交換機,其使用縱橫接線器的類型亦不同,如10×20×3和10×30×3基本上只能使用於地區電話交換機,而10×20×5則使用於長途電話交換機。
編碼接線器
編碼接線器是在縱橫接線器基礎上發展起來的。它與縱橫接線器相比較,具有下列優點:1、採用機械編碼組合、通槽選擇交叉點原理,因而增加了選擇動作的可靠性,減少了選擇電磁鐵的數量。
2、採用機械保持方式,減少了耗電量。
3、採用了單線簧雙接觸點的高密度接點場,使出線容量增大。
編碼接線器由接觸單元(亦稱復接單元)和驅動選擇單元組成。
每台編碼接線器裝有10個縱單位,每個縱單位有1個接觸單元。接觸單元由動簧排和靜簧排組成。每個接觸單元有17縱行線簧組,每1縱行各有12組動合接點。動接點為單根線簧,靜接點為橫向復接的接點條。每個縱單位的接觸單元可以組成接續所需要的線數(如6線接續、12線接續等)和不同的出線容量(如30組出線、15組出線等)。
驅動選擇單元由動作機構、驅動電磁鐵、編碼電磁鐵、編碼條和機框等組成,所有零件均裝在機框上。驅動電磁鐵每個縱單位一個,編碼電磁鐵數量由編碼條的數目決定,通常為6根,最多能裝8根。每一根編碼條由1個編碼電磁鐵驅動,編碼條上刻有凹槽。一台接線器上幾根編碼條的凹槽是按不同的組合切割而成,動作時,編碼條沿水平方向向右移動少許,構成選擇的性能,在編碼電磁鐵動作時,其銜鐵驅動相應的碼條進行編碼。
笛簧接線器
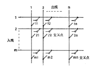
笛簧接線器是由笛簧繼電器組成,具有防塵、防蝕、不需調整、使用壽命長和吸放速度快等優點。由於與電子控制電路配合,能充分發揮其本身的特點,因此,準電子交換機中,大多採用這種類型的接線器。它的缺點是:接點動作時有抖動,容易粘連以及接點承受的電壓和電流較小等。由笛簧繼電器組成的接線器,其入線和出線的數量根據需要決定,因此組成通話網路比較靈活。一個具有m組入線和n組出線的接線器,一般可由m×n個3管、4管或6管笛簧繼電器組成,使用得較多的笛簧接線器類型有雙線圈和單線圈的兩類。

