背景
微電網(MG)通過公共連線點(Point of Common Coupling PCC)與電網連線,是一個可以自我控制、保護和管理的自治系統,它集成套用分散式電源(Distributed Generator DG),為DG的有效利用提供了途徑。微網併網運行時可以視為可控的負荷或發電機,微網內負荷可以同時由電網和DG供電;當上級電網發生故障時,微網可以無縫轉換到孤島模式運行並自我控制,持續對內部重要或全部負荷供電,增強了供電的可靠性。
微網併網時線路發生故障短路電流較大,而離網時線路發生故障因逆變器限流的原因由逆變型微源提供的短路電流較小(限制在兩倍額定電流以內)。微源接入及微源“即插即用”的特點加重了潮流分布、故障電流的不確定性。這些都使得基於固定值的傳統保護方案不再適用。由於微網大多接在中低壓配電網,有關微網的保護並沒有引起足夠的重視,大多配以簡單的過電流保護;但微網的特殊性使得過電流保護不再適用,亞需發掘適用於微電網的保護方案。為此,國內外學者展開了大量研究,取得了一定的研究成果。
微網保護的國內外研究現狀
關於微網的研究目前尚處於起始階段,且多圍繞微網的控制方式展開,幾乎沒有成熟的微網模型。對於微網繼電保護的研究,國外僅僅處於理論研究階段,國內研究資料更是少之又少。限於微網控制方式研究水平,微網保護的研究多針對特定的控制方式,不具有通用性和可移植性。
微網最主要的一個特性是既能以併網模式運行,又能以孤網模式獨立運行。配網發生故障時,為保持微網內部負荷的正常供電,需及時將微網由併網模式轉為孤網模式;微網內部發生故障時,為防止故障對配網產生影響,須根據具體情況將故障切除或者將故障微網從配網中切除。因此,微網與大電網的併網點PCC 起到極其關鍵的作用,即能檢測到故障的發生並且能實現微網在兩種運行模式之間的平滑切換。
微網中一般含有不同類型的分散式電源,不同的電源控制方式在故障時表現出來的特性也不一樣。當分散式電源通過逆變器等電力電子設備接入電網時,其最大輸出電流往往被限制在一定的範圍以內,發生故障時,該電流不足以使基於電流的保護設備動作,因此須研究新的保護方式。
目前微網繼電保護的研究多從系統級保護和單元級保護兩方面展開。
系統級保護
研究對象為微網整體。考慮在故障情況下,無論配網故障還是微網內部故障都將相關微網從配網中切除。使微網從併網運行狀態安全,平滑的過渡到孤網運行狀態。系統級保護擔負著保持配網穩定,降低故障對配網的衝擊以及保證微網運行狀態之間順利過渡的任務。
系統級保護須合理配置PCC處的保護功能。故障情況下微網對於配網的影響主要取決於注入配網的電流大小和持續時間。配網發生故障或者電能質量參數不符合相關的狀態要求時,PCC應該能準確的檢測到這種異常並且可靠的將微網從配網切除使得配網故障不至於影響微網內負荷的供電和運行。當微網內部發生故障時,PCC也應該能檢測到故障的發生且將微網切除,使得微網內部故障對於配網的影響降到最低。因此,PCC應能準確判斷各種故障情況並能迅速回響,實現微網運行狀態的轉換。
單元級保護
當配網中有故障發生或者電能質量不滿足要求,例如電壓偏高或偏低,震盪等情況發生時,為充分的保證微網內部負荷的供電,需要及時將微網與配網斷開,微網從併網運行狀態轉為孤網運行狀態。發展微網的目的是充分利用分散式電源,因此其中常含有多種形式分散式電源,遵循著因地制宜安裝分散式電源的原則,考慮到各分散式電源的特性及安裝位置,通常情況下,各電源之間會有一定的地理距離。無論在併網運行還是孤網運行狀態下,微網內部故障時,必須採取可靠的保護措施將故障部分切除以保證正常區域的供電。為充分發揮分散式電源的優勢,微網還經常帶有其他形式的負荷,例如熱負荷,冷負荷等。這又在可靠性上對微網內部的保護提出了更高的要求。微網單元級保護面向對象為微網內部,研究在各種故障情況下如何快速有效的將故障切除,以保證微網內部其他部分的正常運行。
微網具體結構,內部分散式電源類型不同,通常需要配置的保護也不相同。但是微網繼電保護須遵循最基本的原則,即無論微網在哪種運行狀態下,併網運行或者孤網運行,即插即用型電源接入或者斷開,保護都應當可靠有效。保護還應當考慮到分散式電源控制器中的電力電子器件所帶來的影響,相比於傳統電源,電力電子接口分散式電源慣性較小或者沒有慣性,電力電子裝置回響迅速,微網故障情況下必須考慮到與大電網的差異,以便於保護的實現。鑒於微網保護與傳統保護之間的差異以及其內部電源類型的不同,對於單元級微網保護的研究多針對較為具體的微網模型,尋找針對於該微網模型的保護方式。
針對普通繼電保護裝置在微網中不適用的情況,有學者採用了數字繼電器。該類型繼電器可以檢測過電流,過/欠壓且可程式可通過光纖或乙太網實現相互之間的通信,有文獻在simulink仿真環境中構建了包含多個分散式電源的微網模型,並且對微網併網與孤網運行狀態下各個節點發生各種類型故障時的電流和電壓做了仿真分析,得出一般繼電保護方法不足以對微網進行保護的結論,提出採用數字繼電器的建議。也有文獻藉助於數字繼電器設計了較為完善的微網保護機制,主保護採用瞬時差動保護,若連續兩個採樣點高於整定值則發出跳閘信號。當距離小於18公里時,線路通信能滿足動作要求,當距離大於18公里時則需藉助PMU系統來保證採樣的同時性。如果開關動作失敗,經過0.3-0.6s的延時後,跳閘信號送達至相鄰線路的開關,以減少故障的影響。如果通信線路故障,保護裝置向控制中心發出報警信號則其餘開關保護轉為後備保護—相對電壓保護,通過比較相關繼電器所測得的電壓有效值來對線路進行保護。藉助於數字繼電器,文獻[23]同樣研究了保護在微網採取環網運行情況下的保護和高阻抗接地的保護。該保護方式的缺點是過於依賴於設備的技術成熟程度、投資上不具有經濟優勢。
微網的結構及運行特點
微網線路保護低壓微網大多採用簡單的放射狀網架結構,如右圖所示,如美國俄亥俄州的Dolan微網平台和我國浙江南鹿島離網型微電網項目,或者採用閉環設計開環運行結構。
微網大多數情況下既可併網運行,也可孤網運行,同時微源投退具有不確定性。微源按不同電源類型大致可以分為三類:直流型、交直交型和交流型。直流咬流式併網方式將直流電能經逆變器接入交流電網;交直交式併網方式將交流電能經整流變為直流電能後,再經逆變器接入電網;交流式不需經逆變器,直接併網運行。其中微網中有不少經逆變器併網的微源,它們缺少同步電機的電磁暫態特性,其慣性僅依賴逆變器直流側的電容,使得微網具有慣性小、回響速度快等特點。
微網對傳統保護的挑戰
微網並/離網運行方式故障電流差距較大,微源投退、布局容量、控制方式等影響故障電流大小和方向,因此基於固定值的傳統過流保護方案不再適用於微網。
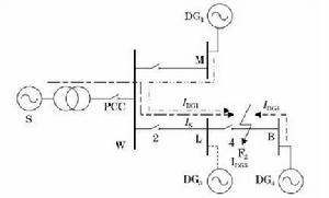
微網不同運行方式
(b) 微網離網F1處短路故障電流路徑
(a)微網併網F1處短路故障電流路徑微網的運行方式不同,故障電流的大小不同,因此微網保護整定值也應不同。微網併網運行時,右圖(a)中F1處短路,流過2處保護的故障電流由系統(Is)和微源提供,其中主要由系統提供;而離網運行時,圖(b)中F1處短路,PCC點靜態開關斷開,流過2處保護的故障電流只有微源提供,其幅值較小。當DG1是逆變器型的微源時,故障電流更小。這是由於含逆變器型的微源故障電流注入能力被限制在兩倍額定電流以內,且衰減迅速。
綜上,微網併網運行時,故障電流較大;離網運行時,只有微源為其提供故障電流,故障電流較小。這使得基於固定值的傳統保護方案不能正確動作,因此微網線路保護的配置必須能適應微網不同的運行方式。
微源投退
(a)DG3接人時2處短路故障電流路徑
(b) DG3退出F2處短路故障電流路徑單個微源在微網中具有“即插即用”的特點,意味著微源可以隨時接入或者退出微網,這導致微網線路故障時故障電流的不確定性,使得傳統保護方案不適用於微網。如圖(a)F2處發生短路故障時,流過保護4處的故障電流由系統和微源提供提供;如圖(b),當DG3退出運行時,F2處發生短路故障,流過保護4處的故障電流只有Is, IDG1。DG的投退影響了故障電流的大小。而傳統無源配電網F2處短路時,右側無故障電流因此也無保護安裝,DG接入配網後F2處短路時向故障點提供反向故障電流,在右側無保護的情況下會造成故障持續甚至繼續發展,影響供電的可靠性。
微源布局、容量
配電網85%左右的故障都是瞬時故障,廣泛採用三段式電流保護。當前由於微網接入容量較小、結構簡單,多接入中低壓配電網,故在保護方面多配以簡單的過電流保護國川」。但是微源接入微網饋線中的位置不同、容量不同,對線路過電流保護的影響不同:
(1)DG接入微網饋線始端母線,下游線路中間點故障時,DG產生的助增電流使流過保護的故障電流增大,保護範圍也因此增大,可能延伸到所在保護下一段,使保護失去選擇性。而且DG輸出功率越大,影響越嚴重。
(2)DG接入微網饋線中間母線,當下游線路中間點故障時,由於微源的助增作用,使流過下游保護的短路電流增大,使得末端保護靈敏性得到增強;同時由於微源的汲流作用,流過DG上游保護的故障電流減小從而使保護的靈敏性降低,保護範圍縮小,如果相應保護沒有動作切除故障,則相應遠後備可能拒動。
(3)DG接入微網饋線末端母線,當相鄰線路中間點故障時,DG向上游保護提供反向故障電流,可能引起保護誤動作。
微源控制方式
逆變型微源在併網運行時一般採用恆功率(PQ)控制方式,在孤島運行時根據需要可選擇PQ控制、恆壓恆頻(V /f)控制或Droop控制。因此控制目標不同,在不同的控制方式下逆變型電源提供的短路電流差別較大。且當DG輸出功率具有波動性和間歇性時,故障電流數值也隨之發生變化。
微網保護需考慮問題
與大電網不同,微網的保護與運行具有自己的特殊性。
微網潮流
內部的結構決定了微網的雙向潮流特性,傳統保護中的選擇性原則在微網保護中較難滿足。
微網中一般根據不同電源的特點採取不同的控制方式,對於風力發電和光伏發電這些輸出功率受天氣影響比較大的電源,若通過配備儲能裝置的方法使這類電源根據負荷需求調整發電量,則需要配備較大容量的儲能裝置,這會降低系統的經濟性,因此這類可再生能源的目標是保持最大的利用率,分散式電源能輸出多少功率就輸出多少功率,微網設計時一般會滿足此類電源“即插即用”的特點。這就加劇了微網中潮流流動的不確定性,設計保護方法時應儘可能做到不受潮流的影響。
通信
在同等電壓等級配電網中一般較少採用基於通信的保護。微網中,故障的判斷較為複雜,有時需要利用多點的信息;為了維持微網的穩定,也需要確保故障能夠及時地切除。基於通信的保護可以很好地完成這些功能。
微網線路不會太長,為幾百米左右,方便信息信道的鋪設。如將微網作為具有孤島運行功能的智慧型配電網一部分的角度來考慮,應裝設MMS(智慧型微網管理系統)。MMS為確保微網最經濟有效地運行需同微網的各個部分保持聯繫,在合理設定MMS功能的情況下,可考慮將保護裝置同其相結合或者直接利用其通信信道減少系統的投資。
保護在不同運行方式下的適應性
微網既可以併網運行又可以獨立運行的特點給保護的設計帶來了新的挑戰,孤島運行條件下,短路電流由DG提供,基於逆變器的DG無法提供足夠大的短路電流。併網條件下,短路電流可通過迭加定理來分析,電網能提供很大的短路電流,逆變器DG提供的短路電流只占短路電流很小的一部分。在這兩種運行方式下短路電流差別很大,在一種運行方式下可行的保護方法在另一種運行方式下可能變得不再可行。
對於短路電流的這些特點一般有兩種應對方法:一是設定限制條件使保護可以針對不同的運行方式;二是設計可以適用於兩種運行方式的保護策略。其中前者可通過不同運行方式下故障電流的計算來整定,相對較容易實現,但是因限制條件的加入使得保護變得複雜。後者可以通過一套保護作用於不同的運行方式,但是對保護適應性的要求比較高。
故障切除時間
微網中的分散式電源多採用電力電子接口,這使得微網具有缺少慣性、回響速度快等特點。若採用配電網相同電壓等級下的故障切除時間,容易使微網系統失去穩定。
故障切除時間還應該考慮到負荷的敏感程度,保證故障切除後系統還能保持穩定。例如,電動機負荷所占的比例越大,臨界故障切除時間越短;三相短路故障點離感應電動機負荷點越近,臨界故障清除時間越短。
DG不同控制方式與保護的對應
DG的控制是微網控制的基礎,目前關於DG的控制方法的研究比較多,常見的有恆壓恆頻控制、PQ控制、P-f, Q-V下垂控制、f-P , VQ下垂控制等。不同方法的控制模組輸入量及其所控制DG的輸出量不同,當控制方式中沒有加入任何針對故障的模組時,故障情況下,控制方式也會使所控制DG的輸出量向參考值靠近,從而引起可以用以保護的電氣量例如電壓、電流等發生失常變化。
在對分散式電源控制方法進行設計時,應該考慮到故障情況並採取必要措施,例如數值限幅,跳閘時間配合等;同時保護方式也應該充分地考慮到DG控制方式的影響,設計與對應控制方式相協調的保護或是可適用於任何控制方式的保護。
微網線路保護研究熱點
由於微網線路故障電流的特殊性,使得傳統的保護方案不再適用。因此不少國內外學者開始對微網線路保護配置進行研究,從是否依賴通信技術以及保護原理的實現方法上,將目前微電網線路保護方案的研究主要分為以下3類:
1)基於本地量的微網保護:對傳統保護原理進行修改以適應微網新的故障特徵,成本低,對配網自動化要求不高。保護整定值不可實時調整,不能完全適應微網的特殊性。
2)基於中央控制的微網保護:線上對保護定值整定和對故障定位,克服了微網複雜運行狀態對保護的影響。依賴通信,實時性要求較高,中央保護單元需要處理海量的網信息,存在單點失效的風險。
3)基於分區的微網保護:實現微網的有限區域集成保護,避免中央保護單元因為處理信息量過人而導致保護延遲動作。必須協調控制每個保護單元,增加了微網保護的複雜性,不利於最大限度的利用微源。
(1)基於本地量的微網保護。有文獻提出採用反時限的保護方案,通過選擇合理的反時限形狀係數和動作時間常數完成上下級保護間的配合。並根據保護與故障點的距離不同造成的電壓跌落程度不同,提出採用低電壓加速因子提高傳統反時限保護方案的動作速度。前者提出基於負荷阻抗的反時限低阻抗保護方案,後者提出低電壓加速反時限過電流保護方案。也有文獻在微網拓撲圖簡化的基礎上,提出基於邊電壓的微網保護方案。該方法的局限性在於對拓撲變化具有一定的依賴性,對於合閘瞬間以及網路拓撲剛剛改變後發生故障的情況保護無法正確動作。有文獻提出一種基於母線上導納量變化為判據的保護方案,通過比較故障前後母線上測量導納的幅值與相角的變化,有效地區分微電網的區內外故障,實現故障的檢測與定位。該保護方案比單純運用電流或電壓變化為故障判據,具有更高的靈敏性和可靠性。但對於含過渡電阻的故障類型可能導致保護方案的部分失靈,需配備相應的後備保護;
(2)基於中央控制的微網保護。有研究套用微網中央保護單元與微網中的所有繼電器和微源實時通信,通過線上監測微網運行模式的變化,DG的數量、類型、狀態,方向元件信息和電壓、電流故障分量信息來確定故障類型,以便實時整定動作值,並通過斷路器和負荷電流信息確定故障位置。不足的是一旦某一元件發生變化,需要重新計算整定,此時若發生故障微網可能處於無保護的狀態,同時如果傳輸信息錯誤或沒有實時同步信息保護可能會誤動或拒動。也有文獻提出基於故障電流方向角判別的微電網自適應保護方法,有效地解決了微電網故障潮流多向性引起保護的誤動作問題;將微網實時拓撲結構轉化為樹形節點路徑圖,採用樹形節點搜尋方法及節點路徑算法對微網內保護裝置的動作值及動作時限進行實時整定,有效地解決了對不同運行方式及拓撲結構下微電網保護裝置動作值的自適應整定問題。有文獻提出了利用智慧型繼電器及控制網路輔助的保護方案,用智慧型數字測量單元代替價格昂貴的繼電器,中央控制器與數字測量單元通過控制網路連線能夠實現同樣的保護功能。文中將微網閉環結構配置,有效地解決了微電網運行在孤島模式下切除故障線路後,引起的發電功率與負載不匹配的問題。而建立的新的高阻抗故障探測方法,可以在檢測到的故障電流較小時,就動作跳閘。
(3)基於分區的微網保護。有文獻提出了基於Multi Agent的微網分區保護實現方案。將微網劃分為若干保護區域,利用阻抗元件和功率變化量方向元件鎖定故障區域,同時利用Agent之間的協作能力提高了微網保護的整體性能,能夠進行線上協調整定,更適合於微網靈活多變的運行方式及雙向潮流的特點。也有文獻引入正序故障分量原理,提出一種基於有限區域集成的保護方案。將微電網以母線為依據分割為若干個區域,在每個區域設定一個有限區域保護單元。利用各區域主饋線與從饋線的正序故障分量電流相角差實現故障區域和故障線路的定位。不足是故障時微源的電壓會有所跌落,對保護方案的適應性產生影響。有文獻提出利用故障前後的電流方向判斷故障區域,將斷路器間的區域作為最小研究單元,區域內的DG接入或者退出不影響保護。前者還在微網系統設定一個中央保護單元,匯集各MTU提供的故障電流方向信息,通過計算來鎖定故障區域。後者將數據通信和保護裝置的故障信息交換分開,保護信息只是簡單的布爾信號,能在相鄰保護裝置之間高速傳遞。也有文獻提出了微網分割區域的概念,並將分割區域看成是圖的節點,斷路器看成是圖的邊,建立微網的圖模型。將對綜合電流方向的判斷轉移到對邊電流方向的判斷,進而提出了邊方向變化量保護。缺點是僅適合輻射型網路,當電網中出現環網時,無法套用。且當微網新增或減少支路時,需重新分割區域。
結語
關於目前微網線路保護存在的問題及發展方向總結如下:
(1)應對微網的故障特徵進行分析,不應僅僅關注故障電流最大值及其衰減特性方面,還應對其暫態過程中的故障電流波形特徵進行分析。如何將微網內部線路故障時的信息加以識別、處理和利用,進而將繼電保護原理本身進行大的變革,發現廣泛適用於微網的繼電保護原理;
(2)隨著配網自動化和智慧型電網的發展,通信網路將套用於微網,實現以廣域通信為基礎的微網保護可行性很大,但要注意避免發生單點故障的風險,中央保護單元、通信網路或單個元件故障應不影響保護功能的實現。設計時個別重要單元可以帶有冗餘或者採用分層或分區的保護,以此提高保護的可靠性;
(3)微網線路保護的靈敏性和速動性。逆變型微網應能線上路故障時檢測到並迅速切除故障,因為逆變型微網缺少慣性、回響速度快,一旦線路故障電壓跌落嚴重,微源保護可能先於線路保護動作,造成不必要的能源浪費和功率波動,因此線路保護的靈敏性和速動性還有待改進提升。
