背景
在過去的100多年間,交流系統憑藉著傳輸方便、滅弧容易等優勢在電力供應中占據著統治地位。然而,隨著經濟、社會的發展,電力負荷迅速增長,傳統交流輸配電受到供電半徑的限制。特別是電力電子裝置的大量套用、電氣化軌道交通的快速發展,給交流配電系統注入了大量諧波,嚴重影響了電網的電能質量 。
近年來,學者們重新審視電網輸配電技術,直流技術重新成為研究熱點,高壓直流輸電直流配電系統、直流微網、交直流混合供電等概念應運而生。全控型電力電子器件的發展更是讓直流技術迎來了發展的新紀元。在直流輸電、鐵路牽引、艦船系統、通信系統、數據中心、工業園區及商業中心供電等領域,直流系統已得到成功套用,展現出供電容量大、線路損耗小、電能質量高、無需無功補償等優勢 。
將直流技術套用於城市中心供電,建設城市直流配電系統,解決城市電網負荷容量大、供電走廊緊張、函需提升電能質量等問題,是直流技術下一步發展的願景。但沒有成熟、經濟的直流斷路器及缺乏實際工程運行經驗成為了這一技術發展的瓶頸。首先對直流配電系統的概念、保護技術研究的困境進行介紹,指出直流配電系統故障保護的特殊性。然後闡述直流系統故障隔離和限流裝置的發展現狀,總結直流配電系統的保護策略。最後對直流配電系統保護技術的研究做出展望。
直流配電系統
目前,直流技術的研究主要集中在高電壓等級(幾百kV)的輸電領域及低電壓等級(1 kV以下)的鐵路牽引、艦船系統等特殊領域。綠色能源概念的提出,使分散式電源得到了快速發展,越來越多的新能源需要併入到配網中來。太陽能光伏發電、燃料電池等直接產生直流電,與傳統交流電網相連需要DC/AC變換;其他綠色能源如燃氣輪機、小型水電、風電等,產生頻率各異的交流電,需要對其進行整流再逆變後才可以併網。由於換流器損耗較大,增加的換流環節造成控制複雜的同時也大大降低了綠色能源的利用率。將直流技術擴展到配網電壓等級為解決這一問題提供了一種新路徑。直流配電系統與交流配電系統相比還具有最大傳輸功率高、線路損耗小、電能質量高、便於儲能系統接入等潛在優勢 。
有文獻根據直流電壓等級的高低將直流網路分為3種:低壓直流電網、中壓直流電網及高壓直流電壓。歐盟委員會在2006年發布的低壓法令(LVD2006/95/EC)中同樣規定低壓電網直流電壓不超過1 500 V。研究表明,目前大多數為交流供電系統設計的負載,如熱阻性負載、電力電子類負載、交直兩用電機等,可以在直流條件下正常使用,並可適應較寬範圍的直流電壓水平將直流技術套用於城市中心供電,需要將低壓直流配電進一步擴展到中壓直流電網。目前,中壓直流電網主要套用於海上風電場併網及軍用艦船系統。在中壓側使用AC/DC變換器將交流變換成直流後,再在近用戶端通過高功率DC/DC變換器將電壓變換到適當電壓等級供用戶使用中壓直流配電系統的拓撲結構和電壓等級目前還沒有統一標準。有文獻認為直流配電網有環狀、放射狀及兩端配電3種基本拓撲結構,但不同拓撲結構的可靠性有待進一步研究。在實際工程中,中壓直流配電網的設計需要考慮用戶規模、負荷特性、分散式電源特性、電能質量要求及投資等因素進行綜合評估。
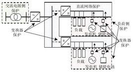
直流配電系統的保護分區與故障類型
直流配電系統的保護系統包含測量裝置、繼電器、出口斷路器、隔離設備等。保護系統的設計應滿足可靠性、速動性、選擇性、經濟性等要求。柔性直流輸電保護系統針對各主要設備和故障類型,將系統劃分為交流側保護、換流器保護、直流側保護(直流輸電線路保護))3個區域。但與柔性直流輸電系統不同的是,直流配電系統直流線路T接負載及分散式電源支路,故障類型要複雜得多。以中壓直流配電系統為例,保護區域大體可以分為交流電源側保護、變換器保護、直流網路保護、負載保護4部分,各區域可能發生的故障類型或不正常運行方式主要包括 :
1)交流電源側保護。交流電源側可能發生各種類型的線路短路或者斷線故障,同時也需要考慮交流變壓器的保護。另外還包括由於操作或甩負荷引起的過電壓、低電壓、電壓驟降及三相系統不平衡等不正常運行方式。直流配電系統保護設計需要考慮交流電源側故障對直流網路運行及保護的影響。
2)變換器保護。直流配電系統中的變換器包括AC/DC換流器、DC/AC換流器及DC/DC變換器。變換器是直流配電系統的核心,也是保護設計關注的重要部分。變換器故障主要有閥短路、橋臂短路、變換器交流側或直流側出口短路、脈衝觸發系統故障、冷卻系統故障等。變換器的保護由裝置自身保護和系統提供的後備保護實現,在直流配電系統保護設計中需要考慮變換器自身保護動作對系統保護的影響和與系統保護的配合。
3)直流網路保護。直流網路保護主要指直流母線和直流饋線的保護,是直流配電系統保護的核心。根據實際需要不同,直流系統接線可以採用單極接地或中性點接地,線路可以採用架空線或直流電纜。直流線路故障包括接地故障、極間故障及斷線故障,另外還存在絕緣水平下降、低電壓或過電壓等不正常運行方式。電纜線路故障一般為永久性故障,對架空線路來說還會發生雷擊、污閃等引起的暫時性故障。
4)負荷側保護。直流配電系統同時存在直流負荷和通過逆變器接入的交流負荷,光伏、小型燃氣輪機等分散式電源及儲能也囊括在負載保護區域。負載保護區可能發生的故障有短路、過載等。儲能電池通過雙向換流設備接入直流網,在保護設計時需考慮其能量流動的雙向性。
直流配電系統故障與保護特殊性
如前所述,直流網路保護是直流配電系統保護的核心,而直流線路的故障特性又與換流器結構類型密切相關。為保證系統電壓和功率的可控性,提高電能質量,直流配電系統中的換流裝置為電壓源型換流器(voltage source converter VSC),包括三相兩電平、三電平或模組化多電平等結構,目前文獻中所研究的低壓配電一般為三相兩電平結構,故以下討論也以三相兩電平結構為主。傳統交流系統根據幾十年的運行經驗,已經形成了一套比較完善的保護運行標準和規範,但直流配電系統與交流系統有很大不同,故障有其自身的特點,主要體現在以下幾個方面:
1)故障電流上升迅速。當直流線路發生接地故障時,VSC直流側並聯的濾波電容首先在極短的時間內對故障點放電,造成線路電流迅速上升,這對保護監測和隔離裝置的速度提出了很高的要求。並且直流線路發生短路故障後,VSC在自身保護的作用下鎖定絕緣柵雙極型電晶體(IGBT),但與IGBT反並聯的續流二極體仍連線在電路中,交流電源通過二極體持續向故障點釋放不控整流電流,使短路電流不能自然衰減。
2)影響範圍廣。直流配電系統中的大部分併網單元都通過換流器接入,當直流線路上任何一點發生接地故障時,與之相連的換流器出口電容都會向故障點放電,造成直流電壓的迅速下降,影響相關設備的使用。特別是交流電源、電動機等單元還會通過續流二極體持續向故障點提供短路電流。另外,故障發生在交流電源側或負荷側時,會引起出口直流電壓的變化,對非故障區域造成影響。
3)故障定位困難。高壓直流輸電電纜線路頻變參數明顯,目前主要採用行波法進行故障定位,另外學者們還提出了利用電流固有頻率、基於參數識別原理等故障定位方法。與高壓直流輸電不同的是,直流配電系統線路T接負荷和分散式電源,需要精確故障定位,但直流配電系統電纜線路長度短,精確的故障定位比較困難,特別是系統高阻接地時,故障檢測更加困難。
4)缺乏直流斷路設備。與交流相比,直流電流沒有自然過零點,滅弧困難得多,消弧需要更大的空間,控制也更加複雜。目前可商業套用的直流斷路器容量有限且價格昂貴。沒有低成本可商業套用的大容量直流斷路器和缺乏工程實際運行經驗是直流配電系統保護設計面臨的挑戰。
5)多種電力電子裝置影響。近年來,隨著電力電子技術的發展,直流斷路器技術不斷取得新的突破,也有不少學者提出了利用換流器來限制和切斷故障電流,另外還出現了多種具有故障限流能力的換流器和故障電流限流裝置(FCL) 。
直流系統故障隔離裝置
直流配電系統直流線路發生故障時,故障電流上升迅速,可以在極短的時間內給系統設備造成熱的或電的損害。
VSC的過電流承受能力也非常低,僅為額定值的2倍。這都要求直流線路保護裝置能夠快速有效地切除故障,直流斷路器無疑是最理想的選擇。直流配電系統中套用直流斷路器可以大大提高系統供電可靠性,在低壓和中壓等級已有可套用產品。但目前可商業套用的直流斷路器容量有限,並且價格昂貴,因此,學者們提出了其他幾種可以套用到直流配電系統中的隔離設備,如保險絲、交流斷路器、快速隔離開關等 。
1)直流斷路器。
根據拓撲結構和滅弧原理的不同,直流斷路器大體可以分為全固態斷路器(CB)、帶機械隔離開關的混合固態斷路器,混合式斷路器、機械式有源或無源共振斷路器。整體來講,全固態斷路器開斷時間和能量吸收時間短,但靜態損耗很大;機械式有源或無源共振斷路器靜態損耗極小,但開斷時間和能量吸收時間卻很長。
2)保險絲。保險絲基於熱融化的原理,且電壓、電流的額定值是以有效值的形式給出的,故對交、直流系統都適用。但在直流系統中使用保險絲時,必須考慮系統時間常數。系統時間常數決定了暫態電流的上升時間而非穩定值。小的時間常數(<2.5 ms)可以使保險絲快速熔斷,能量吸收材料也可以冷卻電弧;但當時間常數較大時((>6 ms),熔斷材料的溫度上升緩慢,當電弧最終形成時,不能被
能量吸收材料充分冷卻。另外,套用在直流系統中的保險絲還應能承受輕度過電流,以防止誤動作。保險絲適用於需要快速保護回響且不需要自動重新供電的裝置的保護,目前主要套用在鐵路牽引、礦業、蓄電池保護系統、輔助低壓電力供應系統等場合及直流配電系統負荷側保護。
3)快速隔離開關。快速隔離開關是純機械式的開關,不具備帶電通斷的能力。與交流系統中的隔離開關相同,快速隔離開關需要安裝在每一條線路的兩端,當線路故障清除後,打開隔離開關形成物理隔離。
4)交流斷路器。交流斷路器一般裝在VSC交流電源側,當直流線路發生故障時,通過動作交流斷路器來達到隔離電源、切斷短路電流的目的。
故障電流限流裝置
故障電流限流裝置可以限制故障電流的上升率或穩定值,甚至可以切斷故障電流,可以在一定程度上彌補直流斷路器容量的不足。將限流裝置與隔離設備或小容量直流斷路器相結合,可以形成直流配電系統保護替代方案。
電容直流斷路器
直流線路故障時,濾波電容的快速放電電流不僅對整個系統造成威脅,而且還有可能損壞電容器本身。有文獻提出用一種基於發射極關斷晶閘管的電容直流斷路器。可以在3-7s內切斷電容放電電流,從而保護系統和電容。需要注意的是,電容電流的突然切斷會使直流線路失去電壓支撐,直流電壓驟降為零,但目前國內外文獻尚未對這一問題展開討論。
具有限電流能力的換流器
在短路過程中,VSC中與IGBT反並聯的續流二極體因為要承受極高的過電流,也是極易損壞的器件。有文獻對VSC進行簡單改造,提出用具有電流關斷能力的ETO或者IGBT代替反並聯二極體。當直流側發生短路時實現VSC完全關斷,將故障點與電源隔離。與電容直流斷路器類似,在保護系統設計時需要考慮具有限流能力的換流器與直流線路主迴路的保護配合問題。
故障電流限流器
除了以上2種限流措施,專門的故障電流限流器FCL也引起了學者們越來越多的關注。FCL在故障發生時可以快速反應,限制故障電流,並可以與直流斷路器相結合,根據直流斷路器限電流水平控制故障電流,以確保直流斷路器可靠地切斷故障電流。目前出現的FCL主要有以下幾種 :
1)基於超導材料的FCL,FCL電路主通路採用超導材料,在電路正常工作時正嚮導通壓降很小,靜態損耗小。當故障發生時,FCL進入非超導狀態,阻值迅速增大,從而達到限制故障電流的目的。基於超導材料的FCL需要特殊的冷卻系統,超導材料也需要特殊的保護。這一技術目前尚處於實驗階段,還沒有可套用產品。
2)基於飽和電抗器的FCL。基於飽和電抗器的FCL則利用了電抗器的飽和效應,在電路正常工作時,使電抗器處於電磁飽和狀態,導通電阻如同輸電線路;當故障發生時,控制迴路使電抗器退出飽和狀態,對外表現出大電感特性,從而限制故障電流上升率。基於飽和電抗器的FCL的主要缺點是體積很大,製造困難,並且只能限制故障電流上升率。
3)基於正溫度係數電阻的FCL。與基於超導材料的FCL原理類似,基於正溫度係數電阻的FCL電阻值在溫度低時很小,但當溫度升高時,可以在幾毫秒的時間內迅速上升。但目前可用的PTC電阻的電壓、電流容量都較小,尚不能套用於大功率系統。過熱會造成PTC電阻的損壞從而帶來電路開斷問題也是其套用的一個局限。
4)基於電力電子器件的固態FCL。基於電力電子器件的固態FCL,體積小、回響快,並具有全控能力。目前大部分固態FCL採用全控型的電力電子器件,如IGBT、集成門極換相晶閘管(IGCT)或門極可關斷晶閘管(GTO),故其靜態損耗和導通壓降較大。採用半控型的電力電子器件可以減少靜態損耗和導通壓降,但同時也失去了精確控制故障電流的能力。有文獻提出一種將全控型和半控型半導體器件相結合的新型固態FCL,主通路採用晶閘管,同時輔以IGBT故障通路,在保留全控型固態FCL的電流精確控制的同時減少了靜態損耗。
直流配電系統保護策略
直流配電系統的保護策略、保護效果與主電路參數和控制策略密切相關,在保護系統設計時,應充分考慮與控制系統的配合,以使系統動態性能達到最優。控制系統根據系統參數和運行方式確定保護裝置整定值,傳送給保護系統;而保護系統將檢測到的故障或異常信息及開關設備動作情況反饋給控制系統,控制系統實時調整運行方式,並確定新的保護整定值傳送給保護系統。利用換流器的快速調節能力,將控制系統與保護系統相結合,可以形成自適應的保護系統,以提高直流配電系統故障情況下的不間斷運行能力 。
保護配置
針對不同的故障類型與故障位置,應配備不同的保護。國內外文獻對直流配電系統保護配置尚無系統闡述,結合交流系統和直流輸電系統保護系統設計,在直流線路安裝直流斷路器的情況下,直流配電系統保護配置可以考慮以下方面:
1)交流電源側保護。交流電源側保護比較複雜,包括換流器直流側及交流側的區內和區外故障。
2)變換器保護。由於變換器的冗餘設計,當一個或多個IGBT故障時變換器仍可工作,保護裝置只發出告警信號;但當損壞的IGBT超過一定數量時,需要閉鎖變換器並跳閘。另外,由於換流站運行環境良好,內部母線、觸發脈衝等發生故障機率較小,但故障一旦發生,往往比較嚴重,通常視為永久性故障,要求保護系統立即閉鎖換流站並跳閘,以便檢查故障原因,直到清除故障後再重新啟動運行。
3)直流網路保護。直流配電系統一般採用電纜線路,直流網路故障多為永久性故障,主要包括接地故障和極間故障。直流線路發生極間故障時,保護應立即動作,隔離故障。接地故障的保護與直流線路接地方式有關。一般來講,直流配電系統可以單極接地或中性點接地。目前已投運的基於兩電平或三電平USC的柔性直流輸電系統大多數採用直流側電容中性點接地。而基於模組化多電平的柔性直流輸電工程則在直流側或交流側構造人為中性點接地。無論哪種中性點接地方式,發生直流線路接地故障時直流斷路器都必須立即跳閘。但不同的接地方式下,故障特徵不同。
若直流配電系統為單極接地系統,則非接地極線路發生接地故障時即為極間故障。接地極發生另一點接地時,對直流線路沒有影響,系統仍可正常運行,但會對周圍設備產生影響,保護裝置應發出告警信息,提醒運行人員排除故障。
4)負荷側保護。當無源負荷發生故障時,保護系統立即跳閘,並發出告警信號。而當分散式電源或儲能設備出口發生短路故障時,應根據線路過流情況,發出告警信號或直接跳閘。
此外,保護系統應配置故障錄波和事件記錄儀器,在直流配電系統出現故障或異常運行方式時自動啟動,以便於分析故障的原因和查找故障設備。
故障檢測方法
直流配電系統交流電源側的故障可以由傳統交流配網的保護方法進行檢測,此處只側重於直流線路故障的檢測方法。
對於直流線路上發生的過電壓、過電流、低電壓、過載等故障,可以通過檢測直流線路電流和電壓量來判斷。當直流線路發生短路故障時,直流線路電流迅速上升,若電流增量超過整定值,同時直流電壓低於整定值並超過一定時間時,則可以判定該線路發生故障。交流側發生短路故障時,直流線路也會檢測到一定的過電流和低電壓。為區分交、直流側短路故障,除設定不同的保護整定值外,還需要同時檢測直流線路故障電流上升率。有文獻還針對單電源多負荷直流配電系統提出了一種基於阻抗特徵的故障檢測方法。該方法在電源與負載接口處注入小信號正弦擾動電流,在複平面內畫出電源輸出阻抗與負載輸入阻抗比值隨頻率變化的區域,由此判斷系統的穩定裕度和確定故障模組。
其他故障隔離方案
如前所述,直流配電系統故障電流發展迅速,要求保護器件在極短的時間內(某些情況下可能小於2 ms)檢測出並隔離故障。鑒於尚無成熟、經濟的直流斷路器,不少學者在如何利用現有保護裝置保護直流配電系統方面進行了探索。
有文獻以簡單多端直流配電系統為例,提出了基於過電流的分區保護方法。模型系統利用具有限制和切斷電流能力的換流器、CDCCB及保險絲將整個系統隔離為整流器交流區、直流區、交流負載區和直流負載區。分區保護的方法不需要保護裝置間的通信,故障就地檢測和隔離,實現裝置快速動作,並且省去了直流斷路器,遠端裝置也可以形成後備保護。由於電壓等級和故障限流能力的限制,分區保護目前主要套用在艦船系統。
也有文獻針對多端直流系統提出了一種利用交流斷路器和快速隔離開關隔離故障及恢復系統的方法一“握手”方法。當直流線路發生故障時,所有換流站鎖定IGBT,選出潛在故障線路後斷開交流斷路器。當電弧熄滅後,打開潛在故障線路的快速隔離開關隔離故障。重合交流斷路器,通過“握手”的方法恢複線路。此方法的優點是可以不使用直流斷路器,使網架建設成本達到最小,但斷電時間長、影響範圍廣。
具有故障限流能力的換流器和限流裝置的發展給直流配電系統的保護設計提供了新思路,研發低成本、大容量的直流斷路器或將限流裝置與小容量斷路器相配合是未來直流配電系統保護技術研究發展的兩個方向。
結語
直流配電系統的保護技術還有很大的研究空間,主要包括以下幾個方面:1)低成本、大容量、可商業套用的直流斷路器技術。2)故障電流限流裝置與小容量直流斷路器配合保護技術。3)具有故障電流限制或切斷能力的換流器。4)快速的故障檢測及實時通信技術。5)多端或多電壓等級直流配電系統保護裝置配合技術。6)系統接地對保護系統的影響。

