分類
廢熱鍋爐廢熱鍋爐根據套用場合分為電站廢熱鍋爐和化工廢熱鍋爐。
1、電站廢熱鍋爐
電站廢熱鍋爐是IGCC電站系統氣化島中的關鍵設備,與化工用廢熱鍋爐有很大不同。採用廢熱鍋爐對IGCC煤氣化後的合成氣顯熱進行有回收能夠提高IGCC電站機組的發電效率。合成氣顯熱的利用分為高溫段、中溫段、低溫段三部分,分別由輻射式廢熱鍋爐、對流式廢熱鍋爐、回熱加熱器利用。因此,電站廢鍋可分為輻射式和對流式,其中對流式廢鍋又分火管式和水管式,目前火管式已經不再使用。另外,將輻射廢鍋和對流廢鍋結合為一個整體進行設計,稱為輻射對流一體廢鍋,這可以大大降低投資成本,但國內技術尚不成熟。
當今世界IGCC電站技術是前景最廣的發電技術,IGCC商業化的關鍵是氣化島技術,而廢熱鍋爐正是其關鍵設備。因此,電站廢熱鍋爐技術的是解決IGCC商業化套用瓶頸的最關鍵技術之一。
2、化工廢熱鍋爐
利用生產過程中的高溫物流作為熱源來生產蒸汽的換熱器,它既是工藝流程中高溫物流的冷卻器,又是利用餘熱提供蒸汽的動力裝置。如在乙烯裝置中,將從管式爐出來的裂解氣(溫度高達800~900℃)直接送入急冷廢熱鍋爐,在0.1s內溫度降到350~600℃,這樣既可以防止因過度裂解而降低乙烯收率,又可生產10MPa以上的高壓蒸汽,對提高整個工廠的熱效率和經濟效益起著重要作用。目前,在硝酸、酸、合成氨及石油煉製工業等許多生產過程中都普遍使用廢熱鍋爐,使生產過程所需的動力和熱能得以全部或部分自給。
根據結構形式,廢熱鍋爐可分為管殼式和煙道式以及雙套管式廢熱鍋爐。
管殼式廢熱鍋爐的結構與管殼式換熱器無多大區別,並同樣有固定管板式、浮頭式及U型管式等。煙道式廢熱鍋爐的結構與普通鍋爐相似,由耐火磚砌成爐膛,爐膛內裝設管束,高溫氣體通過爐膛,將管束內流動的水加熱汽化。
根據高溫氣體通過管內還是管外,廢熱鍋爐分為火管廢熱鍋爐和水管廢熱鍋爐。火管廢熱鍋爐是高溫氣體在爐管內流動。沸水從汽包經下降管流入鍋爐底部,在管壁受熱,變為汽水混合物,由上升管返回汽包。火管廢熱鍋爐結構簡單,因殼體承受蒸氣壓力,適用於生產壓力不高的蒸汽。水管廢熱鍋爐是沸水流過管內,高溫氣體流經管外。因鍋爐殼體不承受蒸氣壓力,適用於生產高壓蒸汽。
根據沸水的流動形式,水管廢熱鍋爐又可分為:①自然循環式,管內沸水流動的推動力是下降管內的水與上升管內的汽水混合物之間的重度差。為保證一定的循環量,汽包需有足夠的安裝高度。②強制循環式,在下降管路中安裝循環泵,藉以提高管內沸水流速,防止氣泡停滯惡化傳熱。因這種鍋爐在運轉、維修、投資等方面有許多不利因素,僅在特殊場合採用。
廢熱鍋爐結構
廢熱鍋爐1、傳統廢熱鍋爐結構
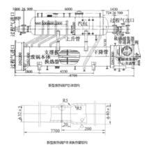
傳統廢熱鍋爐總體結構見圖1, 汽包與廢熱鍋爐本體之間通過4根上升管及2根下降管聯結, 利用汽水密度差及汽包的高位實現自然循環, 使系統安全運行。右圖中捕集器設定在廢熱鍋爐本體出口管箱內, 冷卻後的過程氣流經捕集器使液態收集後經冷卻後排出並收集。由於傳統廢熱鍋爐結構原因, 必須在反應器前後布置兩套廢熱鍋爐才能實現充分回收。
2、新型廢熱鍋爐結構
新型廢熱鍋爐結構上最突出的創新點是減少了低溫過程氣冷卻器II (低溫廢熱鍋爐)。根據廢熱鍋爐設計工藝參數, 取消了低溫廢熱鍋爐後, 必須在高溫廢熱鍋爐本體或汽包中增設能使過程氣再次冷卻的換熱器, 以便使經反應器反應後的含過程氣冷卻並產生蒸汽和回收資源。通常廢熱鍋爐主要由廢熱鍋爐本體、汽包及上升管和下降管組成。廢熱鍋爐本體其實質是一台蒸發換熱設備, 熱源為高溫過程氣, 被加熱介質為接近飽和的鍋爐水; 汽包應具有足夠的蒸汽容積和水容積, 主要作用是使本體中換熱管在熱負荷作用下能持續得到適當的水量, 並由汽包的高位系統及汽水密度差獲得一定的循環動力, 以滿足水循環可靠性的各項要求; 汽包內部設定汽水分離裝置, 使汽水混合物在汽包內充分分離, 得到含水及雜質少的蒸汽;鍋爐給水在進入廢熱鍋爐本體前在汽包內加熱到飽和, 提高了循環動力; 飽和的鍋爐水經下降管流入廢熱鍋爐本體進行加熱蒸發, 本體中的汽水混合物經上升管流入汽包, 如此循環達到廢熱鍋爐系統的安全運行; 根據汽包的獨特作用, 一般汽包內不能設定蒸發換熱管, 以免影響水循環和廢熱鍋爐本體的安全可靠性。
廢熱鍋爐對廢熱鍋爐設計參數作了多種方案進行比較,並通過傳熱計算、流阻計算及水循環計算, 提出了兩種一體化設計方案。即在汽包筒體下半部儲水部分直接增設一組蒸發器的方案以及在廢熱鍋爐本體中直接增設一組蒸發器的方案。經傳熱計算、流阻計算及設備強度計算, 在廢熱鍋爐本體中直接增設一組蒸發器存在兩大缺陷, 一方面造成設備結構極為複雜; 另一方面廢鍋本體管板由於兩組蒸發器介質溫差的不同而引起的管板上下兩部分的溫差應力較大, 管板的設計困難, 甚至很難確保廢鍋運行過程中的安全可靠性。而在汽包筒體下半部儲水部分增設一組蒸發器, 雖然有別於傳統汽包的設計, 但根據設計參數進行詳細計算, 其結果完全可行, 並能確保系統水循環正常工作。最終設計的新型廢熱鍋爐系統總體結構見右圖。
特點
與普通鍋爐相比,廢熱鍋爐的主要特點是:
①高溫高壓,如合成氨生產中重油氣化爐後的廢熱鍋爐,進口氣溫為1350℃,壓力為3.2~4.0MPa;
②急冷,在某些工藝過程(如石油烴裂解制乙烯)中,為減少副反應,須儘快地將氣體降溫,因而廢熱鍋爐應具有高的傳熱速率;
③嚴格控制氣體出口溫度,高溫氣體(如裂解氣)冷卻時,若溫度低於高沸點組分的露點,這些組分將冷凝析出。如果其中含有腐蝕性氣體(如SO),還會形成酸霧,腐蝕設備;
④粉塵含量高,某些高溫氣體含有粉塵(如酸廠沸騰爐出口爐氣含塵量約200g/m,石油裂解氣則含有炭黑等微粒),必須在結構上充分考慮粉塵堵塞和沖刷磨蝕;
⑤低的壓力降,氣體的壓力降必須控制在工藝條件許可的範圍內;
⑥密封,有些高溫氣體是易燃、易爆或有毒的,這時密封常成為廢熱鍋爐生產設計中的難題。
影響因素
1、水質處理對廢熱鍋爐使用壽命的影響
(1)廢熱鍋爐外的水處理
水是影響廢熱鍋爐使用壽命與安全正常運行的重要因素之一, 加人爐內水質的好壞與否常常直接決定著廢熱鍋爐能否正常操作。所以在水加人廢熱鍋爐之前要經過軟化、除鹽 、熱力除氧等一系列的良化措施, 以達到改善水質的目的
(2)廢熱鍋爐內的水處理
要充分地延長廢熱鍋爐的使用壽命, 最大限度地發揮其熱功效率, 保證鍋爐安全而正常的生產僅僅靠爐外的水處理工作是不夠的, 還應在重視爐外水處理質量的同時, 控制好爐內水的各項品質指標,注重加強鍋爐內的水處理工作。諸如:在新安裝的鍋爐投產前要進行煮爐, 煮爐後應進行酸洗, 投產後在對鍋爐進行定期排污的同時還要保持鍋爐的連續排污, 以及向鍋爐內定時填加化學藥劑等。
2、水質輸送對廢熱鍋爐使用壽命的影響
水是廢熱鍋爐正常生產的命脈, 如果鍋爐一旦發生缺水而造成乾鍋現象, 就勢必會打亂正常的生產, 造成嚴重後果。因此在注重鍋爐內水處理的同時, 還要強化對輸送水的設備—多級離心水泵的操作, 使其能連續而穩定的運轉, 從而為廢熱鍋爐的高效生產提供水源保證。此外在多級式離心水泵本體特性一定的情況下, 要多重視給水泵出口的再循環管路, 給水泵出口管上安裝的逆止閥及與泵出口管上逆止閥上的旁路閥等管道與閥門的工作特性和工作情況。
(1) 多級離心泵出口再循環管的影響
為了將給水送人鍋爐, 並使給水調節閥具有良好的調節特性, 鍋爐給水泵出口的壓力除了要克服汽包的工作壓力外, 還要克服給水管路的流動阻力及給水泵出口至汽包高度差形成的靜壓差, 並要保持給水調節閥前後一定的壓差。通常給水泵的出口壓力比汽包工作壓力高30%~40%。
(2) 多級離心泵出口管逆止閥的影響
為了使備用泵處於隨時可以啟動的狀態和啟動後能立即正常供水, 備用泵的人口和出口閥必須處於全開位置。為了防止給水泵出口母管內壓力很高的水經備用給水泵返回到處理槽內, 造成備用給水泵倒轉和出口母管壓力降低, 不能向鍋爐正常供水,因此每台給水泵的出口均應安裝逆止閥。
影響廢熱鍋爐的使用壽命與正常安全生產的其它因素還有許多, 只有將影響其生產的各項指標調控在一定範圍之內, 才能充分發揮其良性作用, 使使用壽命延長。鍋爐的設計、製造、安裝、運行和檢修涉及流體力學、傳熱學、金屬學、鍋爐原理、物理、化學、自動控制和測量等多種學科, 切實提高鍋爐操作人員的理論與實際水平, 對於節約燃料, 保護環境和安全生產都有著重要的意義。
存在問題
(1)鍋爐用軟水質量問題 鍋爐用軟水水質差, 導致換熱列管結垢, 影響產汽量。軟水中含鹽量高, 在換熱列管外管壁形成水垢, 水垢對傳熱過程有很大阻礙。
(2)列管、中心管焊接質量引起的故障 這類故障大都集中於一些角焊縫, 及在焊後不能用X射線探傷檢查的焊道上, 多為夾渣、氣孔、未熔合、未熔透等缺陷, 其強度難以適應設備在生產運行中的熱脹冷縮而產生裂漏。
(3)設計安裝上存在的問題 不能忽視了設備運行中熱脹冷縮的變化。
(4)使用過程中存在的問題 未嚴格按工藝指標操作, 超溫、鍋爐缺水、“乾鍋”等異常情況引起故障。未按要求對廢熱鍋爐內部耐熱襯裡進行烘爐, 該鍋爐在更換下來後發現內部耐熱襯裡有大量裂紋。
採取措施
首先要從鍋爐製作質量抓起。一定要選有製作III類容器資格的廠家去製作, 在製作過程中,不允許有違反焊接要求的缺陷存在。一定要嚴格控制耐熱襯裡澆注材料的配比,製作專用模具, 密實澆注, 要充分養護, 萬不可圖快。要按設計要求裝配鍋爐各部件, 並由技師指導監督完成。如耐熱襯套、襯板和各列管的保護小套管的組裝要嚴格、認真、規範、牢固。特別是氣體出口中心調節閥的組裝更要規範, 測量好尺寸, 調整好閥頭行程, 保證該閥零活、可靠。列管、中心管裂漏的檢修。對管板焊縫裂漏的處理方法首先要通過著色檢查, 確定裂紋後,再進行打磨開坡口, 並按焊接工藝要求進行補焊。對列管與管板內焊口出現裂紋, 儘量避免堵管, 運用在管內沿焊縫重新補焊的方法, 儘量保持換熱面積。
操作人員應具備熟練操作的能力, 使設備正常運轉中避免超溫、鍋爐缺水、“乾鍋” 等事故。同時在升溫、降溫過程中嚴格控制升溫、降溫速率。鍋爐在運轉過程中易形成水垢。對有加藥設備的系統, 注意藥的配比。加藥後應嚴格按要求進行排污, 避免形成新的垢層。對沒有加藥設備的系統, 定期洗爐是必要的。
操作規程
(一)水壓試驗
鍋爐安裝,修理後,必須進行水壓試驗,其方法如下;
1、檢查上、下爐筒內是否有工具和雜物,然後裝好人孔。將安全閥用盲法蘭密封,水壓試驗後拆除。
2、檢查壓力表和導管,確認性能良好。注入淡水,試驗用水溫度最好20℃左右。
3、打開上部放氣閥,將空氣排出,排空後關閉排氣閥。逐漸升壓,大約每分鐘0.35MMPa。
4、達到試驗壓力3.0Mpa後,保持30分鐘,檢查各部位,特別是上、下爐筒連線水管有否泄漏等,如有進行修理,然後再重新試驗直到合格。
5、如沒有問題,漸漸打開下排污閥,注意避免爐筒內出現真空。
6、鍋爐內有餘熱,不得做水壓試驗。
(二)起動前的準備
1、檢查爐筒所有部件連線是否正確,鬆緊是否合適,確認爐內無人和遺留雜物,然後上好人孔蓋,並檢查密封墊有否損壞。
2、檢查水位表功能是否正常,將主蒸汽閥打開一點,然後關閉。
3、檢查給水閥、排污閥、水位表閥、管路閥件的安裝情況,用手操作一次,放到正常位置。
4、打開上爐筒放氣閥。
5、用給水泵上水,檢查排污閥漏泄,當水位到水位上限時,停止給水泵,檢查各部件接頭密封有無漏泄。
(三)升溫和升壓
1、檢查爐體上的儀器、儀表、吹灰器、人孔等有無鬆動。
2、檢查壓力表的性能,確認表閥是否打開。
3、檢查水位,使水位稍高於正常水位。
4、將蒸汽截止閥打開一點,再輕輕關上,否則升氣後打不開。
5、燃焚燒爐,逐漸升溫、升壓,當溫度、壓力上升時,為防止蒸汽閥卡住,輕輕擰動閥的手柄,當蒸汽壓力達到0.1—0.2Mpa時,關閉放氣閥。
6、逐漸升壓,每小時不超過0.2-0.3Mpa,進一步檢查,緊固人孔、手孔蓋、爐體閥件和法蘭,當壓力達1.0Mpa時,再做一次。
7、當水位超過上限時,逐漸地排污,使水位回到正常。
8、排出一部分低壓蒸汽對蒸汽管系進行暖管。
(四)供汽
1、打開蒸汽管系放水閥,供汽並充分排放殘水。
2、逐漸打開主停開汽閥,向空氣加熱器和冷凝器供汽,此時應檢查管系的噪聲和避免水擊。如正常,完全打開停汽閥進行正常操作。
3、當壓力控制閥打開後,有蒸汽進入冷凝器時,向各用氣單元供汽。
(五)運行中的操作
1、監視水位表,使水位保持在上爐筒中心上100毫米,水位表顯示的水位應在此上下的一個小範圍內;當使用自動水位控制裝置時,不要過於依賴,必須仔細觀察四個水位表的水位,以判別真假水位,並經常保持水位表的清潔。
2、確認壓力表閥保持開啟,當靈敏度下降時,必須進行檢查,冬季停爐時注意防凍。
3、保持受熱面的清潔,根據產生的蒸汽量,排煙溫度、排煙壓力損失來決定是否使用吹灰器,以保證熱效率(一般每天至少吹灰一次)。

