簡介
常減壓裝置是常壓蒸餾和減壓蒸餾兩個裝置的總稱,因為兩個裝置通常在一起,故稱為常減壓裝置。主要包括三個工序:原油的脫鹽、脫水;常壓蒸餾;減壓蒸餾。從油田送往煉油廠的原油往往含鹽(主要是氧化物)帶水(溶於油或呈乳化狀態),可導致設備的腐蝕,在設備內壁結垢和影響成品油的組成,需在加工前脫除。
基本原理
電脫鹽基本原理:
為了脫掉原油中的鹽份,要注入一定數量的新鮮水,使原油中的鹽充分溶解於水中,形成石油與水的乳化液。
在強弱電場與破乳劑的作用下,破壞了乳化液的保護膜,使水滴由小變大,不斷聚合形成較大的水滴,藉助於重力與電場的作用沉降下來與油分離,因為鹽溶於水,所以脫水的過程也就是脫鹽的過程。
常壓蒸餾和減壓蒸餾都屬物理過程,經脫鹽、脫水的混合原料油加熱後在蒸餾塔里,根據其沸點的不同,從塔頂到塔底分成沸點不同的油品,即為餾分,這些餾分油有的經調和、加添加劑後以產品形式出廠,絕大多是作為二次加工裝置的原料,因此,常減壓蒸餾又稱為原油的一次加工。
主要設備
1、電脫鹽罐 其主要部件為原油分配器與電極板。
原油分配器的作用是使從底部進入的原油通過分配器後能夠均勻地垂直向上流動,目前一般採用低速槽型分配器。
電極板一般有水平和垂直兩種形式。交流電脫鹽罐常採用水平電極板,交直流脫鹽罐則採用垂直電極板。水平電極板往往為兩至三層。
2、防爆高阻抗變壓器 變壓器是電脫鹽設備的關鍵設備。
3、混合設施。 油、水、破乳劑進脫鹽罐前應充分混合,使水和破乳劑在原油中儘量分散到合適的濃度。一般來說,分散細,脫鹽率高;但分散過細時可形成穩定乳化液反而使脫鹽率下降。脫鹽設備多用靜態混合器與可調差壓的混合閥串聯來達到上述目的。
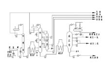
工藝流程:煉油廠多採用二級脫鹽工藝,圖:1-1 所在地址
常壓蒸餾原理:
精餾又稱分餾,它是在精餾塔內同時進行的液體多次部分汽化和汽體多次部分冷凝的過程。
原油之所以能夠利用分餾的方法進行分離,其根本原因在於原油內部的各組分的沸點不同。
在原油加工過程中,把原油加熱到360~370℃左右進入常壓分餾塔,在汽化段進行部分汽化,其中汽油、煤油、輕柴油、重柴油這些較低沸點的餾分優先汽化成為氣體,而蠟油、渣油仍為液體。
減壓蒸餾原理:
液體沸騰必要條件是蒸汽壓必須等於外界壓力。
降低外界壓力就等效於降低液體的沸點。壓力愈小,沸點降的愈低。如果蒸餾過程的壓力低於大氣壓以下進行,這種過程稱為減壓蒸餾。
常減壓裝置的主要設備為: 塔 和 爐。
塔是整個裝置的工藝過程的核心,原油在分餾塔中通過傳質傳熱實現分餾作用,最終將原油分離成不同組分的產品。最常見的常減壓裝置流程為三段氣化流程或稱為“兩爐三塔流程”,常減壓中的塔包括:初餾塔或閃蒸塔、常壓塔、減壓塔。
a 、蒸餾塔的結構:
塔體:塔體是由直圓柱型桶體,高度在35~40米左右,材質一般為A3R或16MnR,對於處理高含硫原油的裝置,塔內壁還有不鏽鋼襯裡。
塔體封頭:一般為橢圓形或半圓形。
塔底支座:塔底支座要求有一定高度,以保證塔底泵有足夠的灌注壓頭。
塔板或填料:是塔內介質接觸的載體,傳質過程的三大要素之一。
開口及管嘴:是將塔體和其它部件連線起來的部件,一般由不同口徑的無縫鋼管加上法蘭和塔體焊接而成。
人孔:是進入塔內安裝檢修和檢查塔內設備狀況之用,一般為直徑450~500的圓型或橢圓型孔。
進料口:由於進料氣速高,流體的沖刷很大,為減小塔體內所受損傷。同時為使氣、液分布和緩衝的作用。進料處一般有較大的空間,以利於氣液充分分離。
液體分布器:使回流液體在填料上方均勻分布,常減壓裝置套用較多的是管孔式液體分布器和噴淋型液體分布器。
氣體分布器:氣體分布器一般套用在汽提蒸汽入塔處,目的是使蒸汽均勻分布。
破沫網:在減壓塔進料上方,一般都裝有破沫網,破沫網由絲網或其它材料組成,當帶液滴的氣體經過破沫網時,液滴與破沫網相撞,附著在破沫網上的液滴不斷積聚,達到一定體積時下落
集油箱:主要作用是收集液體供抽出或再分配。集油箱將填料分成若干個氣相連續液相分開的簡單塔,它靠外部打入液體建立塔的回流。
塔底防漏器:為防止塔底液體流出時,產生旋渦將油氣捲入,使泵抽空。塔底裝有防漏器。它還可以阻擋塔內雜質,防止其阻塞管線和進入泵體內。
外部保溫層:一般用集溫溫磚砌成,並用螺絲固定,外包薄鐵皮或鋁皮,保溫層起隔熱和保溫作用。
b 、加熱爐:一般為管式加熱爐,其作用為:是利用燃料在爐膛內燃燒時產生的高溫火焰與煙氣作為熱源,加熱爐中高速流動的物料,使其達到後續工藝過程所要求的溫度。
管式加熱爐一般由輻射室、對流室、餘熱回收系統、燃燒及通風系統五部分組成。
通常包括鋼結構、爐管、爐牆、燃燒器、孔類配件等。
輻射室:輻射室是加熱爐進行熱交換的主要場所,其熱負荷占全爐的70~80%。
輻射室內的爐管,通過火焰或高溫煙氣進行傳熱,以輻射為主,故又稱輻射管。它直接受火焰輻射沖刷,溫度高,所以其材料要具有足夠的高溫強度和高溫化學穩定性。
對流室:對流室是輻射室排出的高溫煙氣進行對流傳熱來加熱物料。煙氣以較高的速度沖刷爐管管壁,進行有效的對流傳熱其熱負荷占全爐的20~30%。對流室一般布置在輻射室之上,有的單獨放在地面。為了提高傳熱效果,多採用釘頭管和翅片管。
餘熱回收系統:餘熱回收系統用以回收加熱爐的排煙餘熱。
以靠預熱燃燒空氣來回收,使回收的熱量再次返回到爐中
是採用另外的系統回收熱量。前者稱為空氣預熱方式,後者通用水回收稱為廢熱鍋爐方式。
燃燒及通風系統:通風系統的作用是把燃燒用空氣導入燃燒器,將廢煙氣引出爐子。
它分為自然通風和強制通風兩種方式。前者依靠煙囪本身的抽力,後者使用風機。
過去,絕大多數爐子都採用自然通風方式,煙囪安裝在爐頂。
隨著爐子的結構複雜化,爐內煙氣側阻力增大,加之提高加熱爐的熱效率的需要,採用強制通風方式日趨普。
如圖:
常減壓裝置
