定義
在正常絕緣狀況下,從設備或線路的帶電部件流入大地的電流。
泄漏電流
絕緣體是不導電的,但實際上幾乎沒有什麼一種絕緣材料是絕對不導電的。任何一種絕緣材料,在其兩端施加電壓,總會有一定電流通過,這種電流的有功分量叫做泄漏電流,而這種現象也叫做絕緣體的泄漏。
對於電器的測試,泄漏電流是指在沒有故障施加電壓的情況下,電氣中帶相互絕緣的金屬零件之間,或帶電零件與接地零件之間,通過其周圍介質或絕緣表面所形成的電流稱為泄漏電流。
檢測方法
隨著科學技術的蓬勃發展,大量電力電子裝置被廣泛套用於生產生活的各種場合中。人們對它們的依賴日益增強,也愈來愈關心人身和設備安全問題。為了防止人身間接觸電、避免配電線路及用電設備因絕緣層損壞而引起的火災等事故,保證線路和設備的熱穩定性,我國現行的電氣設計、施工等有關規範都明確提出了要求—在配電線路及用電設備中需設定接地故障保護。
常用的方法是通過測量線路和設備的對地絕緣電阻或泄漏電流,以監視其絕緣狀態。其基本工作原理分無源電路和有源電路兩種:無源電路如電壓繼電器法、零序電流法和剩餘電流法;有源電路如絕緣監控儀常用的疊加方波電壓法。
電壓繼電器法
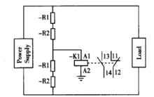
電壓繼電器法示意圖電壓繼電器法是在直流供電設備的正負母排間接入兩組串聯電阻,兩組電阻連線的部位和地之間是電壓繼電器。如圖所示,正常工作時,電壓繼電器線圈不承受電壓,繼電器不吸合。當正負母排的任一端發生接地時,電壓繼電器線圈承受直流電壓,繼電器吸合,發出報警信號。
電壓繼電器法線路簡單,經濟實用。合理選擇電壓繼電器線圈額定工作電壓,通過整定其動作閾值,可以使電路的工作靈敏可靠。因而在一些要求不太高的場合中得到了廣泛的套用。
零序電流法和剩餘電流法
零序電流法和剩餘電流法兩者的基本原理都是基於基爾霍夫電流定律:在集總電路中,任何時刻在電路的任一節點上流出的電流總和與流入該節點的電流總和相等。
線上路與電氣設備正常情況下,各相電流的矢量和等於零(對零序電流法假定不考慮不平衡電流)。因此,零序電流互感器的二次側繞組無信號輸出(零序電流法整定點躲過不平衡電流),執行元件不動作。當發生接地故障時,各相電流的矢量和不為零,故障電流在零序電流互感器的環形鐵芯中產生磁通,零序電流互感器的二次側感應電壓使執行元件動作,帶動脫扣裝置,切斷供電網路,達到接地故障保護的目的。
零序電流法一般適用於TN接地系統;而剩餘電流法則適用於TT接地系統。
疊加方波電壓法
疊加方波電壓法的基本工作原理是用一個疊加的方波電壓持續地測定整個電網設備的對地絕緣電阻。有源式絕緣監控儀多採用這種方法,它可以用於額定電壓不超過1400V(峰值2000V)的電網。被測電網可以是一個交流電網、純粹的電池電網或是一個可控制的直流電網,例如通過直流發電機、三相橋式不可控或可控整流電路進行饋電的電網,其相位角不影響測量。與直流電網直接相連的交流或三相電網也能以相同的方式進行監控。對一些非常重要的用電設備,這種方法值得推薦。

