分類
容積調速迴路按油液循環方式分為開式迴路和閉式迴路。
根據調速特性,容積調速可分為有級調速迴路和無極調速迴路.
特點
液壓泵輸出的油液直接進入執行元件,沒有溢流損失和節流損失,且工作壓力隨負載變化而變化,因此效率高,發熱少。
泵馬達式迴路
容積調速迴路(2)定量泵-變數馬達式容積迴路:馬達的輸出功率恆定,與泵排量無關,常稱為恆功率調速迴路。
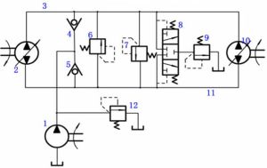
(3)變數泵-變數馬達式容積迴路

容積調速迴路的工作原理是通過改變迴路中變數泵或變數馬達的排量來調節執行元件的運動速度的。在這種迴路中,液壓泵輸出的油液直接進入執行元件,沒有溢流損失和節流損失,而且工作壓力隨負載變化而變化,因此效率高、發熱少。
