定義
增速裝置是用三相異步電動機的低轉速(大齒輪軸),通過大、小齒輪對的傳遞,變為壓縮機的主軸(小齒輪軸)所要求的高轉速。電動機的能量通過齒輪對傳遞給壓縮機葉輪。
增速器簡介
增速器,是工具機主軸增速器簡稱增速器或增速頭。增速器一般有平行軸齒輪增速器和行星齒輪增速器。
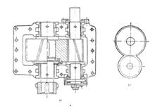
圖1 增速齒輪對位置布置方式平行軸齒輪增速器,一般增速比為2~4(最大不超過7).其布置形式有水平布置方式(圖1 a)、垂直布置方式(圖1 b)和斜向布置方式三種.增速器在運轉時,由圓弧或漸開線齒形嚙合傳動,在嚙合處的大小齒輪必須要有噴油嘴(孔),保證齒輪潤滑和冷卻。
大小齒輪的材質採用優質合金鋼(如35CrMoA)並按六級精度加工,齒面要進行熱處理。增速器箱體的材質,採用加有少量稀土元素的高強度灰鑄鐵。大齒輪與主電動機軸過盈熱套成整體,並應合在一起做動平衡試驗。小齒輪則一般與壓縮機軸一起加工而成。
圖2 行星齒輪增速器原理示意圖大型工業用離心式製冷壓縮機,由於增速比高而採用行星齒輪傳動增速。它具有速比大、重量輕、體積小、可實行壓縮機和驅動機(電動機或蒸汽輪機)同一中心線安裝並同方向轉動、運行可靠等特點。行星齒輪增速器由太陽輪1、行星輪2、內齒圈3及系桿H所組成(圖2)。
使用主軸增速器的主要行業及必要性
(1)增速器主要用於需要高速切削以達到很好的光潔度和精密度,常用於電子、醫療、精密模具等領域;
(2)為什麼需要使用增速器: 在使用微型銑刀加工時, 有時必須要使用很高的轉速,提高刀具轉速可大大提高加工效率.提高表面加工質量,如果工具機本身的轉速達不到要求時就要使用主軸增速器。
特點
(1)高剛性和高精密設計,超高速系列採用高速陶瓷軸承,不需要冷卻;
(2)採用免維護油脂潤滑,長壽命且靜音運行,輸出效率高;
(3)外殼採用合金鋼製造,具有很高的同軸度和動平衡性,可以安裝在各種加工中心工具機上;
(4)可以根據客戶的要求訂製夾緊系統(ABS, EPB, WELDON…);可以根據客戶的要求訂製非標產品;我們接受任何主軸錐度類型;
(5)大大提高了刀具和機器的使用壽命,提高了加工效率,降低了加工成本。
