簡介
發動機是汽車的動力源。汽車發動機大多是熱能動力裝置,簡稱熱力機。熱力機是藉助工質的狀態變化將燃料燃燒產生的熱能轉變為機械能。
發動機為汽車提供動力。發動機還廣泛套用於交通運輸機械、農業機械、工程機械和發電機組等各個方面。發動機種類繁多,其中四衝程發動機是最常見的一種分類。
四衝程發動機屬於往復活塞式內燃機,根據所用燃料種類的不同,分為汽油機、柴油機和氣體燃料發動機三類。以汽油或柴油為燃料的活塞式內燃機分別稱作汽油機或柴油機。使用天然氣、液化石油氣和其他氣體燃料的活塞式內燃機稱作氣體燃料發動機。汽油和柴油都是石油製品,是汽車發動機的傳統燃料。非石油燃料稱作代用燃料。燃用代用燃料的發動機稱作代用燃料發動機,如乙醇發動機、氫氣發動機、甲醇發動機等。
歷史發展
發動機是汽車的動力源。汽車發動機大多是熱能動力裝置,簡稱熱力機。熱力機是藉助工質的狀態變化將燃料燃燒產生的熱能轉變為機械能。
往復活塞式內燃機所用的燃料主要是汽油(gasoline)或柴油(diesel)。由於汽油和柴油具有不同的性質,因而在發動機的工作原理和結構上有差異。
1892年德國工程師狄塞爾(RudolfDiesel)發明了壓燃式發動機(即柴油機),實現了內燃機歷史上的第二次重大突破。由於採用高壓縮比和膨脹比,熱效率比當時其他發動機又提高了1倍。1956年,德國人汪克爾(F.ankel)發明了轉子式發動機,使發動機轉速有較大幅度的提高。1964年,德國NSU公司首次將轉子式發動機安裝在轎車上。
1926年,瑞士人布希(A.Buchi)提出了廢氣渦輪增壓理論,利用發動機排出的廢氣能量來驅動壓氣機,給發動機增壓。50年代後,廢氣渦輪增壓技術開始在車用內燃機上逐漸得到套用,使發動機性能有很大提高,成為內燃機發展史上的第三次重大突破。
1967年德國博世(Bosch)公司首次推出由電子計算機控制的汽油噴射系統(ElectronicFuelInjection,EFI),開創了電控技術在汽車發動機上套用的歷史。經過30年的發展,以電子計算機為核心的發動機管理系統(EngineManagementSystem,EMS)已逐漸成為汽車、特別是轎車發動機上的標準配置。由於電控技術的套用,發動機的污染物排放、噪聲和燃油消耗大幅度地降低,改善了動力性能,成為內燃機發展史上第四次重大突破。
按發動機在一個工作循環期間活塞往復運動的行程數,分為四衝程和二衝程發動機。在一個工作循環中活塞往復四個行程的內燃機稱作四衝程往復活塞式內燃機,而活塞往復兩個行程完成一個工作循環的則稱作二衝程往復活塞式內燃機。
工作原理
四衝程柴油機和汽油機一樣,每個工作循環也是由進氣行程、壓縮行程、做功行程和排氣行程組成。由於柴油機以柴油作燃料,與汽油相比,柴油自燃溫度低、黏度大不易蒸發,因而柴油機採用壓縮終點自燃著火,其工作過程及系統結構與汽油機有所不同。
進氣行程
進入汽缸的工質是純空氣。由於柴油機進氣系統阻力較小,進氣終點壓力pa=(0.85~0.95)p,比汽油機高。進氣終點溫度Ta=300~340K,比汽油機低。
壓縮行程
由於壓縮的工質是純空氣,因此柴油機的壓縮比比汽油機高(一般為ε=16~22)。壓縮終點的壓力為3000~5000kPa,壓縮終點的溫度為750~1000K,大大超過柴油的自燃溫度(約520K)。
做功行程
當壓縮行程接近終了時,在高壓油泵作用下,將柴油以10MPa左右的高壓通過噴油器噴入汽缸燃燒室中,在很短的時間內與空氣混合後立即自行發火燃燒。汽缸內氣體的壓力急速上升,最高達5000~9000kPa,最高溫度達1800~2000K。由於柴油機是靠壓縮自行著火燃燒,故稱柴油機為壓燃式發動機。
排氣行程
柴油機的排氣與汽油機基本相同,只是排氣溫度比汽油機低。一般Tr=700~900K。對於單缸發動機來說,其轉速不均勻,發動機工作不平穩,振動大。這是因為四個行程中只有一個行程是做功的,其他三個行程是消耗動力為做功做準備的行程。為了解決這個問題,飛輪必須具有足夠大的轉動慣量,這樣又會導致整個發動機質量和尺寸增加。採用多缸發動機可以彌補上述不足。現代汽車用多採用四缸、六缸和八缸發動機。
由此可見,四衝程柴油機在一個工作循環的四個活塞衝程中,只有一個行程是做功的,其餘三個行程是作功的輔助行程。
基本結構
發動機是由曲柄連桿機構和配氣機構兩大機構,以及冷卻、潤滑、點火、燃料供給、啟動系統等五大系統組成。主要部件有氣缸體、氣缸蓋、活塞、活塞銷、連桿、曲軸、飛輪等。往復活塞式內燃機的工作腔稱作汽缸,汽缸內表面為圓柱形。在汽缸內作往復運動的活塞通過活塞銷與連桿的一端鉸接,連桿的另一端則與曲軸相連,曲軸由氣缸體上的軸承支承,可在軸承內轉動,構成曲柄連桿機構。活塞在汽缸內作往復運動時,連桿推動曲軸旋轉。反之,曲軸轉動時,連桿軸頸在曲軸箱內作圓周運動,並通過連桿帶動活塞在氣缸內上下移動。曲軸每轉一周,活塞上、下各運行一次,汽缸的容積在不斷的由小變大,再由大變小,如此循環不已。汽缸的頂端用汽缸蓋封閉。汽缸蓋上裝有進氣門和排氣門。通過進、排氣門的開閉實現向汽缸內充氣和向汽缸外排氣。進、排氣門的開閉由凸輪軸驅動。凸輪軸由曲軸通過齒形帶或齒輪驅動。
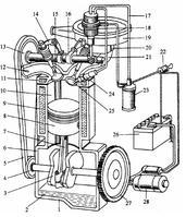
單缸柴油機結構圖如圖,所示為單缸發動機的基本結構,它由汽缸10、活塞8、連桿7、曲軸3、汽缸蓋11、機體、凸輪軸16、進氣門25、排氣門15、氣門彈簧、曲軸齒形帶輪等組成。往復活塞式內燃機的工作腔稱作汽缸,汽缸內表面為圓柱形。在汽缸內作往復運動的活塞通過活塞銷與連桿的一端鉸接,連桿的另一端則與曲軸相連,構成曲柄連桿機構。活塞在汽缸內作往復運動時,連桿推動曲軸旋轉,或者相反。同時,汽缸的容積在不斷的由小變大,再由大變小,如此循環不已。汽缸的頂端用汽缸蓋封閉。汽缸蓋上裝有進氣門和排氣門。通過進、排氣門的開閉實現向汽缸內充氣和向汽缸外排氣。進、排氣門的開閉由凸輪軸驅動。凸輪軸由曲軸通過齒形帶或齒輪驅動。構成汽缸的零件稱作汽缸體,曲軸在曲軸箱內轉動。 發動機1—油底殼、2—機油、3—曲軸、4—曲軸同步帶輪、5—同步帶、6—曲軸箱、7—連桿、8—活塞、9—水套、10—汽缸、11—汽缸蓋、12—排氣管、13—凸輪軸同步帶輪、14—搖臂、15—排氣門、16—凸輪軸、17—高壓線、18—分電器、19—空氣濾清器、20—化油器、21—進氣管、22—點火開關、23—點火線圈、24—火花塞、25—進氣門、26—蓄電池、27—飛輪、28—啟動機

