簡介
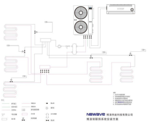
博浪地暖冷氣機 (又叫雙聯供系統)是一款地暖與製冷搭配熱水模組機組系統專門解決製冷氣與地暖一體化需求設備,是地暖與製冷一體化解決方案系統。是目前運行最穩定的地暖與製冷一體解決方案之一。
生產者
生產商博浪地暖冷氣機是2008年由美國博浪科技投放中國市場的一款全新產品。
產品用途
產品用於解決地面地暖、解決夏日冷氣的節能減排一體化設備系統。
技術參數
型號 KFXRS-9Ⅰ/LLG KFXRS-9Ⅱ/LLG KFXRS-16Ⅱ/LLG KFXRS-19Ⅱ/LLG KFXRS-34Ⅱ/LLG
(WES-28/XD/LLG) WES-28/XS/LLG WES-50/XS/LLG WES-60/XS/LLG WES-125/XS/LLG
制熱 製冷 制熱 製冷 制熱 製冷 制熱 製冷 制熱 製冷
冷熱量 9kw 7.5kw 9kw 7.5kw 16kw 13.5kw 19kw 16kw 34kw 28kw
額定功率 2.4kw 2.5kw 2.4kw 2.5kw 4.2kw 4.4kw 5kw 5.2kw 8.5kw 9KW
額定電流 11A 12A 4.4A 4.6A 7.4A 7.6A 9.2A 9.3A 13A 15A
最大輸入功率 3.8kw 3.8Kw 3.8kw 3.8kw 8.2kw 8.2kw 9.8kw 9.8kw 22Kw 22kw
最大輸入電流 15A 15A 6A 6A 13.2A 13.2A 15.8A 15.8A 30A 30A
電源規格 ~220V50HZ ~380V50HZ ~380V50HZ ~380V50HZ ~380V50HZ
冷媒/充注量 R22/2300g R22/2300g R22/2800g R22/4000g R22/8000g
噪音 ≦60dBa ≦60dBa ≦60dBa ≦60dBa ≦62dBa
水測壓力損失 ≦11kPa ≦11kPa ≦11kPa ≦11kPa ≦11kPa
熱交換器最大壓力 4.0Mpa 4.0Mpa 4.0Mpa 4.0Mpa 4.0Mpa
排氣測允許工作壓力 2.8Mpa 2.8Mpa 2.8Mpa 2.8Mpa 2.8Mpa
吸氣測允許工作壓力 0.8Mpa 0.8Mpa 0.8Mpa 0.8Mpa 0.8Mpa
防觸點等級 I類 I類 I類 I類 I類
防水等級 IP×4 IP×4 IP×4 IP×4 IP×4
機組重量 142Kg 145Kg 162Kg 215kg 380Kg
主機尺寸 910×337×1390 910×337×1390 910×337×1390 780×780×1700 780×1550×1700
