概述
擋風玻璃雨刮器是重要的安全件,它必須能有效地清除雨水、雪和污垢;能在高溫(攝氏零上80度)和低溫下(攝氏零下30 度)工作;能抗酸、鹼、鹽等有害物質腐蝕;使用壽命達到15萬次刮刷循環(乘用車)。一般情況下在汽車組合開關手柄上有雨刮器控制旋扭,設有低速、高速、間歇3個檔位。
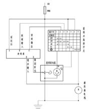
採用間歇繼電器工作原理
低速工作原理
通過前刮水開關控制前雨刮電機低速檔電源端,控制電機低速工作。
高速工作原理
通過前刮水開關控制前雨刮電機高速檔電源端,控制電機高速工作。
間歇工作原理
圖2當 A 端有信號輸入時,開關吸合,B、C 端連線,C 端通過開關與前雨刮電機低速檔連線,電機開始低速工作。 間歇電路會控制開關的斷開,當開關斷開後,C、E 端連線,當雨刮電機回位後,電機兩端同時接地,迅速制動。 間歇電路根據間歇時間的設計,再次控制開關的吸合,完成下一次雨刮的工作。以此類推,直到間歇開關斷開為止。
回位工作原理
C、E 端在間歇繼電器內是連線在一起的。當雨刮電機未回位時,E 端為電源端,通過 C 端與 B4 腳接通,使雨刮電機繼續低速工作。當雨刮電機回位後,E 端接地,前雨刮電機上端通過 C 端與 E 端連線,電機兩端同時接地,迅速制動。
前洗滌工作原理
前洗滌開關閉合後,同時輸入信號給前洗滌電機與刮水間歇器。前洗滌開關為觸點開關,開關閉合後,輸入電源給前洗滌電機上端,電機開始工作,洗滌噴水。前洗滌開關閉合後,再次斷開時,間歇電路會採集這兩次的信號;在開關再次斷開時,控制間歇開關閉合,從而使前雨刮電機低速工作。
採用控制器硬體控制原理
間歇工作原理
主要採用內部繼電器進行間歇控制。當間歇開關閉合,開關的 4、3 端接通,控制器 B 端有信號輸入,此時通過 C 端輸出電源至前雨刮電機的低速檔,電機開始低速工作。前雨刮電機完成一次工作後回位。間歇電路根據間歇時間的設計,再次控制 C 端的輸出,完成下一次雨刮的工作。以此類推,直到間歇開關斷開為止。
低速工作/高速工作/前洗滌工作原理
圖3與採用間歇繼電器的工作原理相同。
回位工作原理
控制器的 C、E 端在內部是通過硬體連線在一起的。當雨刮電機未回位時,E 端為電源端,通過 C 端與 1 腳接通,使雨刮電機繼續低速工作。當雨刮電機回位後,E 端接地,前雨刮電機上端通過 C 端與 E 端連線,電機兩端同時接地迅速制動。
採用控制器軟體控制原理
間歇工作原理
圖4主要採用內部繼電器進行間歇控制;當間歇開關閉合,開關的 4、3 端接通,控制器 B 端有信號輸入,此時通過 C 端輸出電源至前雨刮電機的低速檔,電機開始低速工作。 前雨刮電機完成一次工作後回位。間歇電路根據間歇時間的設計,再次控制 C 端的輸出,完成下一次雨刮的工作。以此類推,直到間歇開關斷開為止。
低速工作/高速工作/前洗滌工作原理
與採用間歇繼電器的工作原理相同。
回位工作原理
控制器的 C、E 端在內部是不連線的,主要通過控制器的軟體進行控制。控制器分別採集 E 端雨刮回位信號、D 端低速信號、G 端高速信號。當雨刮低速或高速開關閉合時,對 E 端不進行回位判斷。當雨刮低速或高速開關斷開時,對 E 端進行回位判斷。若雨刮電機未回位,E 端為高電平;控制器通過 C 端輸出電源,使雨刮電機繼續低速工作。若雨刮電機已回位,E 端為低電平;控制器通過 C 端輸出地信號,電機兩端同時接地,迅速制動。

