結構原理
單相串勵電動機單相串勵電動機屬於單相交流異步電動機,是交直流兩用的,所以又稱為交直流兩用串勵電動機。由於它轉速高、體積小、啟動轉矩大、轉速可調,既可在直流電源上使用,又可在單相交流電源上使用,因而在電動工具中得到廣泛的套用。
電機主要由定子轉子及支架三部分組,定子由凸極鐵心和勵磁繞組組成,轉子由隱極鐵心、電樞繞組、換向器及轉軸等組成。勵磁繞組與電樞繞組之間通過電刷和換向器形成串聯迴路。
工作原理
串勵電動機單相串勵電動機的工作原理,是建立在直流串勵電動機的基礎上的。原理如圖所示,勵磁繞組和電樞繞組串聯,直流電源上,根據主磁通Φ和電樞電流Ia的方向,按照左手定則,可以決定轉子鏇轉的方向,在a中是按逆時針方向鏇轉;如果把電源的極性反過來,如圖b所示由於是串勵電動機,主磁通Φ和電樞電流Ia也都同時改變了方向,按照左手定則,轉子轉向不變,仍為按逆時針方向鏇轉。因此,串勵電動機加上單相交流電壓後,如圖c所示,雖然電源極性在周期性變化,但轉子始終維持一恆定的轉向,所以,串勵電動機可以套用在交、直流兩種電源上。
運行機制
串勵電動機單相串勵電動機是一種帶有電刷和換向器的交流電動機,有的串勵電動機既可由交流亦可由直流供電,稱為交直流兩用電動機。因其勵磁繞組和電樞繞組串聯而得名。單相串勵電機的結構同直流串勵電機十分相似,主要的區別在於單相串勵電機的定子鐵心必須由矽鋼片疊壓而成,而直流的磁極既可以由疊壓而成,又可以做成整體結構。單相交流串勵電機產生鏇轉力矩的原理和直流串勵電機相似,可以用直流電機的運行原理來解釋 。
單相串勵電機的定子繞組與電樞繞組是串聯的,串勵電機轉向取決於電磁轉矩方向和電流方向,因此工作在交流電源情況下,電源交變時,定子磁場的極性和轉子電流或其產生的磁場同時變換方向,根據左手定則,電磁力的方向不會改變,所以串勵電機能夠始終維持一個恆定的轉向。
如圖 2-1 所示,當正向通電時,電磁轉矩方向為逆時針方向;如果電源的正負極性調換,則激磁磁通和電樞電流方向同時改變,電磁轉矩方向仍為逆時針方向,所以電機轉向不變,亦即單相交流串勵電動機的電磁轉矩和鏇轉方向不隨電源極性的改變而變化 。
機械特性
單相串勵電機的轉矩的瞬時表達式為:
串勵電動機
串勵電動機式中 : T——轉矩瞬時值;C——轉矩常數; ——每極磁通峰值;
串勵電動機
串勵電動機——電流峰值; ——磁通滯後電流的角度
串勵電動機由此得出單相交流串勵電機的機械特性:單相串勵電機的轉矩是隨時間變化的,即每一瞬間的轉矩大小是不同的,這和直流的電動機轉矩的平穩性存在明顯的差別,輸出轉矩實際上是平均值。
電動機在磁路未飽和時,因磁通大小和勵磁電流大小成正比,故轉矩和電流的二次方成正比;當電動機的磁路飽和時,電流的變化對磁通的影響很小,故轉矩近似按照電流的變化而變化。啟動轉矩大,不容易堵轉,這是這類電動機的可貴優點,適用於啟動比較困難的場合。
在串勵電機工作中,電機的定子和轉子的漏磁通較小,在不考慮漏磁通等情況下,根據直流電機的工作特性,得到單相串勵電機的轉速方程:
串勵電動機
串勵電動機
串勵電動機
串勵電動機式中: ——電動勢常數; ——每極磁通; ——對電刷的接觸壓降
串勵電動機
串勵電動機在外施電壓恆定,磁路不飽和的情況下,負載增大,電樞電流相應的增大,因而磁通 和電阻壓降 也增加,從轉速的表達式可知,轉速迅速下降;相反在空載的情況下,電流和磁通都很小,空載時轉速很高,很容易損害電動機,從安全和電機的保護考慮,應該儘量的避免電機空載運行。但是對於電動工具用串勵電機,因一般帶著工作頭,其空載轉速不會太高,而且設計時常用空載轉速限制在額定轉速的 1.7 倍左右,對於功率很小的串勵電機,因為自身轉矩很大,空載轉速也不會極高。負載增大,轉速下降,使輸出功率變化不大,不易因負載增大而使電機過載,這一特點使這類電機廣泛用於負載轉矩大幅度變化的場合,調速範圍較寬 。
串勵電動機由圖 2-2 得出負載變化時轉速變化情況,當負載增大時,電樞繞組中的電流相應的增大,由於定子勵磁繞組是與電樞繞組是串聯的,定子激磁繞組中的電流就是電樞繞組中的電流,因此也增大了,從而使磁通增大,因磁通與轉速成反比,所以轉速下降。電流的增大使各部分的電阻壓降增大,從而使電動勢下降,又造成了轉速的下降。所以同直流電機的機械特性相比,單相串勵電機的機械特性更軟,這造成了其速度控制的難度。
調速原理
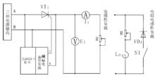
可控矽單相串勵電機的調速,大多數採用調節電壓的方法,就是改變電動勢。根據其機械特性,影響電機轉速的有電動勢,磁通和電樞導體數。對於已經製成的電機,導體數已定,不能改變,所以不能採用這個方法,如果採用改變磁通的方法,就是要在激磁線圈處並聯可調電阻,但此電阻消耗功率多,而且體積大,因此不是簡單經濟的方法。採用調節電壓方法,採用可控矽調速技術,具有線路簡單,元件體積小等特點,是一種簡單有效的方法。
單相串勵電機的電壓調速方法採用的可控移相調壓,利用可控矽的觸發電壓滯後於輸入電壓實現對輸入電壓的移相觸發。在實現方法上有硬體和軟體方式。在硬體設計上要得到可靠的電機速度控制,採用的專用積體電路作為控制線路,在電機轉軸上裝置速度感測器,以反饋轉速信號,從而使電機調定的轉速保持穩定,而不隨負載而變化,但這些高性能的調速裝置,由於線路複雜,成本高和體積大等原因,在實際的家電的速度控制中,沒有競爭力。而採用軟體方法,硬體上只需增加微處理,將控制算法程式寫入微處理器,利用微處理器來觸發可控矽的延時導通從而實現對串勵電機的速度控制。這種方法的電路比較簡單,套用單片機就可以完成,節省了成本。所以在實際的套用中,多採用這種方法。
可控移相整流根據可控移相整流的方法,有全波整流和半波整流兩種,同樣的串勵電機的調速方法也有全波和半波之分。採用半波整流的方式,在交流電源正弦信號的正半周期內,由可控矽的特性中,當延遲時間給其一適當正脈衝信號,可控矽導通,串勵電機從而獲得電源激勵而工作。不同的延遲時間對應的不同的電壓激勵,電機就會輸出不同的速度,從而實現速度控制。全波方式的原理和半波是一樣的,採用雙向可控矽,在交流正弦信號的負半周期內,通過給出可控矽的控制脈衝,實現對系統輸入電源電壓的控制。這樣的話,在一個電源周期內,對電機的速度信號進行兩次調節,能夠提高系統的反應速度,及時對電機速度的調節使電機的運行更加平穩,調速範圍更廣。
套用領域
串勵電機因轉速可調範圍廣,啟動力矩大的特點被廣泛的套用於電動工具,廚房用品,地板護理產品領域。

