特性
●測量範圍最低達到1KPa(國內領先)
不鏽鋼膜片壓力表●可選擇多種特殊膜片(國內領先)
●可選擇充油耐震型(國內領先)
●PTFE四氟壓套特殊製作
簡介
防腐不鏽鋼膜片壓力表,主要用於化學、石油、紡織工業中對氣體、液體微小壓力的測量,尤其適用於腐蝕性強、粘稠介質(非凝固非結晶)的微小壓力測量。並可根據不同的測量介質選用不同材料的膜片。主要技術參數
執行標準:JB/T4591-2005精度等級:1.5%;2.5%(低於2.5KPa)
測量範圍:負壓(真空)-1KPa、-4KPa~0至-100KPa,正壓1KPa~2.5MPa及任何正負聯程。
儀表外徑:100mm、160mm
工作壓力:靜負荷用至測量上限值的3/4,
交變負荷用至測量上限的2/3,
短時壓力用至上限值。
正常工作環境溫度:-40℃~60℃
膜片材料:SUS304、SUS316、Ti、蒙乃爾、SUS316L、噴塗PTFE
殼體材料:304
接液接體材料:316、316L、四氟噴塗
機芯材料:304
密封材料:氟橡膠
防護等級:IP55
表內充液:BF型乾式BFN型充填甘油(矽油或其他)
連線方式:1)螺紋連線M20×1.5(G1/2,NPT1/2或其他)
2)法蘭連線根據客戶要求製造
法蘭材質:304、316、316L四氟噴塗、四氟襯套
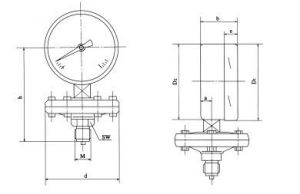
幾何尺寸
螺紋連線:
不鏽鋼膜片壓力表
不鏽鋼膜片壓力表 法蘭連線:
需提供法蘭標準或特殊要求的加工圖紙
不鏽鋼膜片壓力表