簡介
軟開關逆變器相比於傳統的兩電平逆變器,三電平逆變器具有降低功率器件電壓應力、減小電磁干擾和輸出電壓諧波含量等優點,其越來越多的套用在高壓大功率場合。近些年,高壓大功率三電平逆變 器已成為電力電子領域研究的熱點。三電平逆變器套用在高壓大功率場合時,其開關器件所承受的阻斷電壓和流過的電流都比較大,隨著開關頻率的提高,三電平硬開關逆變器的開關損耗也會顯著增加,使逆變器的效率大大降低。三電平逆變器工作在硬開關狀態時,較高的電壓變化率和電流變化率也將會產生嚴重的電磁干擾。為了解決三電平硬開關逆變器存在的諸多問題,軟開關技術開始被套用到三電平逆變器中,主要是把兩電平逆變器的軟開關拓撲(諧振極型逆變器和諧振直流環節逆變器)拓展到三電平逆變器中 。
隨著世界對光伏及風能需求的不斷擴大,作為新能源轉換中的核心部件,逆變技術一直是新能源研究的重點。而且現代社會對電網品質要求不斷提髙,以及對逆變器小型化、高效化、低諧波污染的要求,簡單的兩電平逆變器已難以滿足送些要求,與其相比H電平逆變器具有輸出電壓質量高、電流諧波含量少、更加高效,du/dt更低等優點。軟開關具有降低開關損耗、減少電磁干擾及工頻電磁噪聲、提高開關管的可靠性等優勢。將H電平與軟開關技術結合在一起將有廣闊的套用前景。
軟開關優勢
電壓電流軌跡圖軟開關技術的主要思想是通過在迴路中加入緩衝電感、電容,通過電感、電容的諧振作用,使功率開關器件兩端電壓或者電流為零。當功率開關器件在零電流條件下動作時,稱為零電流軟開關(ZCS);在零電壓條件下動作,稱為零電壓軟開關(ZVS)。由於開關器件在零電流或零電壓條件下完成開關動作不存在電流與電壓的積分,所以可以近似認為其開關損耗為零。圖1.2表示的為軟硬開關模式下的電壓電流軌跡圖。圖中軌跡A、B和C、D分別表示硬開關關斷、開通和軟開關開通、關斷的軌跡,虛線部分則為開關 管的安全工作區,陰影部分表示開關損耗。
從圖中可以看出:
(1)功率開關管器件工作在軟開關條件下超出安全工作區的可能性大為減小,使得開關管的工作環境大為改善,系統的安全性可靠性大為提高。
(2)由於開關管的功率損耗P為開關管關斷過程中的電壓與電流的積分。從圖中明顯的可以看出軟開關條件下的開關損耗要遠小於硬開關條件下的開關損耗。
(3)巧於在實際電路設計中不能達到理想情況下,會在主迴路中產生各種寄生電感電容,又由於功率開關管器件動作速度極快,這就導致這些寄生參數在開關管上產生過電壓或過電流的尖峰。而軟開關由於可以將開關管電壓或者電流鉗位到0,這樣可有效地減小開關應力,降低du/dt、di/dt,並且使得電磁干擾(EMI)得到有效的抑制。由於軟開關具有上述優點使其在PWM逆變器高頻化過程中得到很高的關注,也使得各國學者爭相研究各種軟開關拓撲結構。
工作狀態
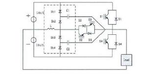
拓撲結構圖為新型H電平軟開關逆變器結構圖,在原有T型H電平逆變器基礎 上加入一個緩衝電感L,兩個緩衝電容C、C,四個二極體D、D、D、D構成了新型H電平軟開關逆變器。和現有的硬開關H電平逆變器相比其可在開關管導通、關斷過程中實現零電壓關斷、零電流導通。這樣可W有效減小開關損耗進而提高逆變器效率。這種軟開關同樣可W套用於二極體鉗位式H電平逆變器中,本文主要分析其在T型H電平逆變器中的套用。
換流過程變化表1
換流過程變化表2對H電平軟開關逆變器進行一個總體概述,根據開關管 導通狀態、輸出電壓及電流方向可以將H電平軟開關逆變器工作狀態分為以下幾類,並列表如圖所示。我們規定電流由逆變器流向負載時電流方向為正,反之電流由負載流向逆變器時電流方向為負,緩衝電容左側電壓高於右側電壓為正。下表主要用來說明在不同工況下所涉及的功率開關器件及電容電 壓變化。從上圖可看出H電平軟開關逆變器具有四種電平開關變換方式。每種電平以變化方式根據電流方向的不同又可分為兩種,但正電平與負電平不能直接變換 。
工作原理
三電平軟開關逆變器圖1為三電平軟開關逆變器結構。在原有T型三電平逆變器基礎上加 入1個緩衝電感L;2個緩衝電容C1,C2;4個二極體VD—VD構成了新型軟開關三電平逆變器。與現有的硬開關三電平逆變器相比,其可以在開關管導通、關斷過程中實現零電壓關斷、零電流導通。這樣可有效減小開關損耗。進而提高逆變器效率。
下面通過軟開關三電平逆變器由1電平換相到0電平過程說明其具體的工作原理:
換相過程(1)1電平穩定工作狀態說明 1電平穩態時,開關管V1,V3導通,V2,V4關斷;L的初始電流iL=0;C1,C2的電壓分別為Uc1=0,UC2=-Udc,Udc為直流母線電壓;負載電流五方向如圖1所示(規 定C2電壓左正右負為正,L電流方向向右為正)。
(2)換相第1階段 V2導通V1關斷,此時形成了兩條換流迴路,負母線電壓與L-V2-VD2-C2-VDh4形成第1條迴路,L-V2-VD2負載形成第2條迴路,兩條迴路重疊。V1電流迅速減小為零,而V1所承受電壓為Udc+uc2,由於C2的箝位作用,使V1兩端電壓上升率受到限制,因此V1關斷過程中。大電流和高電壓不會同時產生。可實現開關管的零電壓關斷,因而減少了開關損耗。根據換相過程可列寫出以下方程:
三電平軟開關逆變器放電截止後,由於VD4的箝位作用,使得C2不再被反向充電而通過VD4續流,此後進入下一個換相階段,該階段換相時間為
三電平軟開關逆變器
三電平軟開關逆變器為諧振電路諧振角頻率。
三電平軟開關逆變器(3)換相第2階段 由於VD4的箝位作用,使C2不會被反向充電,電流經VD4續流,此時負母線電壓與L-V2-VD2-VD4形成迴路,負母線電壓直接加在L兩端,iL線性降低,流過VD4的電流也相應降低。當iL正向增大到IL時,VD4電流降為零後截止。實現了零電流自然關斷。經計算換相時間為 ,換相結束後逆變器進入0電平穩定工作狀態。
(4)0電平穩定工作狀態說明 0電平穩態工作過程時V2,V3導通,V1,V4關斷;iL=IL;UC1=0,UC2=0。其他換相過程可類似推導出。圖2a給出了換相各過程中iL和uc2的變化。圖2b給出了換相過程中uv1,iv1的變化,可以看出V1可實現軟關斷 。

