簡介
極低的電流消耗,當工作在發射模式下發射功率為0dBm時電流消耗為11.3mA,接收模式時為13.5mA,掉電模式和待機模式下電流消耗更低。
因為在無線通訊套用中經常會遇到遠距離通訊的要求,目前有一些nRF24L01+無線模組在原設計上增加了PA(功率放大器)和LNA(低噪聲放大器)的型號,如“ nRF24L01+PA”等。在發射部分通過PA電路將nRF24L01+最大0dBm的輸出功率放大到+22dBm左右,同時在接收部分通過LNA電路增加接收信號的強度。通過這種方式可以有效的增加nRF24L01+無線模組的通訊距離,在空曠環境下最高可增加到2km。
nrf24l01+套用領域
●線數據傳輸系統
●無線滑鼠
●遙控開鎖
●遙控玩具
● 超低功耗無線收發器
● 無線感測網路
● 家庭和樓宇自動化
● 無線報警安全系統
性能參數
nrf24l01+◆2.4~2.5GHz全球免申請ISM工作頻段。
◆125個通訊頻道,滿足多點通訊、分組、跳頻等套用需求。
◆發射功率可設定為:0dBm、-6dBm、-12dBm和-18dBm。
◆實際發射功率≥0dBm(設定為0dBm時測試得出)。
◆SMA接口,可方便連線同軸電纜或外置天線。
◆通過SPI接口與MCU連線,速率0~8Mbps。
◆支持2Mbps、1Mbps和250kbps傳輸速率。
◆增強型ShockBurst,完全兼容nRF2401A、nRF24L01等晶片。
◆支持自動應答及自動重發,內置地址及CRC數據校驗模功能。
◆工作電壓範圍:1.9V~3.6V,待機模式下電流低於1µA。
◆工作溫度範圍:-40℃~+85℃
原理圖
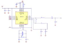
電路原理
nrf24l01+nRF24L01+原理圖
引腳定義
nRF24L01+引腳定義
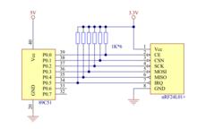
nrf24l01+接線圖
nrf24l01+nRF24L01+與5V單片機的連線(只適用於高阻引腳)
兼容性
nRF2401A(nRF2401AG)
nRF2401A為nRF2401的改進型號(nRF2401AG為無鉛工藝型號)。nRF2401A工作在2.4GHz的國際通用ISM免申請頻段GFSK調製的無線數傳晶片。最高發射功率0dBm,接收靈敏度-90dBm,支持124個接收頻率與126個發射頻率。使用ShockBurst™傳輸模式,具備兩個獨立的數據接收通道。支持250kbps和1Mbps的空中數據速率。使用SPI接口與MCU完成數據通訊與通訊控制等功能。
nRF24L01
nRF24L01是工作在2.4GHz的國際通用ISM免申請頻段GFSK調製的無線數傳晶片。最高發射功率0dBm,接收靈敏度為-85dBm,支持125個通訊頻率。使用增強型的 Enhanced ShockBurst™傳輸模式,支持6個數據通道(共用FIFO)。支持1Mbps和2Mbps的空中數據傳輸速率。使用SPI接口與MCU完成數據通訊與通訊控制等功能。
與前兩者的兼容
RF2401A、nRF24L01和nRF24L01+之間是可以完成相互通訊的。前提是,它們必須在配置的過程中使用相同的通訊頻率、空中傳輸速率、地址長度、地址信息、數據長度和CRC校驗方式。

