器件簡介
LTC1966 可接受單端或差分輸入信號 (為了抑制 EMI / RFI),並且支持高至 4 的峰值因數。共模輸入範圍為軌至軌。差分輸入範圍為 1VPEAK,並提供了前所未有的線性度。與此前的 RMS 至 DC 轉換器不同,LTC1966 的絕佳線性度可在任何輸入電壓條件下實現輕鬆的系統校準。
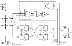
LTC1966原理框圖器件特點
使用簡單,只需要一個電容器採用 ΔΣ 技術的真正 RMS 至 DC 轉換高準確度:
0.1% 增益準確度 (從 50Hz 至 1kHz)
0.25% 總誤差 (從 50Hz 至 1kHz)
高線性度:
0.02% 線性度可實現簡單的系統校準
低電源電流:
155μA (典型值),170μA (最大值)
超低停機電流:
0.1μA
恆定頻寬:
與輸入電壓無關
800kHz -3dB,6kHz±1%
靈活的電源:
2.7V 至 5.5V 單電源
高達 ±5.5V 的雙電源
靈活的輸入:差分或單端軌至軌共模電壓範圍
高達 1VPEAK 的差分電壓
靈活的輸出:軌至軌輸出
單獨的輸出基準引腳可提供電平移動
寬溫度範圍:
-55℃ 至 125℃
小外形尺寸:
節省空間的 8 引腳 MSOP 封裝
套用領域
真正的 RMS 數字萬用表和面板式儀表
真正的 RMS AC + DC 測量
