適用範圍
本系列為重型機械行業標準【Q/ZB125-73】,是一級傳動的WD【蝸桿下置】WS【蝸桿上置】阿基米德圓柱蝸桿減速器。其適用範圍如下:
①蝸桿嚙合處滑動速度不大於7.5M/S ②蝸桿轉速不超過757rad/S[1500rpm]
③工作的環境溫度為零上40度-零下四十度 ④可用於正反兩向運轉
減速器中心距及減速比
本系列減速器中心距為:80 100 120 150 180 210 250 300 360 等九種
減速比規定為:9.67 11.67 13.67 15.67 19.5 21.5 23.5 25.5 27.5 30 33 37 41 47 53 60 等十七種
規格及基本參數
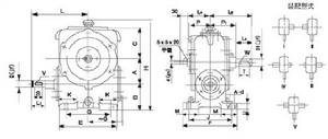
WD80-120型尺寸及裝配WD80-120型減速機外形和安裝尺寸
套用及特點
WD圓柱蝸桿減速機符合待業推薦性標準JB/T7935-95(原國標GB9147-88),此標準達到國際九十年代水平。全系列共包括三種型號,16種中心距,12種速比。輸入功率範圍在0.39~189KW之間,輸出扭矩在107~13500N·m之間。 圓弧圓柱蝸桿軸可正、反兩個方向運轉,輸入轉速不超過1500r/min,工作環境溫度為-40~40℃時,必須採取冷卻措施。
1. 圓柱蝸桿減速機在使用前應對安裝軸進行清洗。並檢查安裝軸是否有碰傷、污物,若有應全部清除乾淨。
2.減速機的使用溫度為 0~40 ℃。
3.檢查與減速機聯接的孔(或軸)的配合尺寸是否符合要求,孔的公差應為H7(軸的公差為H6)。
4.使用前應將最高位處的堵塞換上排氣螺塞,保證減速機運行時排出體內氣體。
