基本信息
類型:電晶體
電壓, Vceo:100V
功耗, Pd:65W
集電極直流電流:5A
直流電流增益 hFE:1000
封裝類型:TO-220
針腳數:3
總功率, Ptot:65W
電晶體數:1
電晶體類型:功率達林頓
最大連續電流, Ic:5A
溫度:25°C
電壓, Vcbo:100V
電流, Ic hFE:3A
電流, Ic 最大:5A
直流電流增益 hfe, 最小值:1000
表面安裝器件:通孔安裝
集電極電流, Ic 平均值:5A
飽和電壓, Vce sat 最大:2V
功能
TIP120/121/122,Medium Power Linear Switching Applications,中等功率線性開關器件,常用在低速開關電路之中。
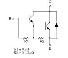
內部構造:
內部簡圖詳細資訊請參考 晶片手冊

