晶片簡介
TA2024TA2024採用Tripath獨創的DigitalPowerProcessing™數碼功率處理技術,在提高功放效率的同時保持了音頻的保真度,使得Class-T功放既有媲美AB類音頻功放的音質,又有D類音頻功放的高效率。TA2024有極高的轉換效率,可為每個聲道輸出最高達15W的功率,而產生的熱量僅有普通甲類功放的1/8左右,很符合當前的低碳環保理念,通過合理的電路設計和PCB布局,完全可以摒棄額外的散熱器。適合DIY桌面音響的功放系統,在成品機中也早有套用,如SonicImpactTechnologiesT-AMP;HiVi惠威S3W等。TripathCalass-T系列晶片由於各種原因已經停產,但市場仍有存貨流通,並深受DIYer的喜愛。
封裝與引腳功能
封裝圖
TA2024採用36引腳PSOP封裝。
TA2024引腳功能
1 +5VGEN 5V電壓調節端
2/3 DCAP2/1 外接電容充/放電端
4 V5D 數字直流5V
9 V5A 模擬直流5V
5/8/17 AGND1/2/3 模擬地
6 REF 內部參考電壓(1.0V左右)
7 OVERLOADB 過流輸出端(低電平有效)
10/14 OAOUT1/2 左右聲道輸入級輸出端
11/15 INV1/INV2 左右聲道輸入端(單端輸入)
12 MUTE 靜音控制輸入端
16 BIASCAP 輸入偏置電壓端
18 SLEEP 休眠模式控制端
19 FAULT 過熱保護輸出端(高電平有效)
20/35 PGND2/1 電源地
22 DGND 數字地
24/27/31/28 OUTP2/OUTM2;OUTP1/OUTM1 左/右通道放大器輸出端(橋接)
25/26/9/30 VDD 電源供電端(12V)
33 VDDA 模擬供電端,12V
36 CPUMP 外接電容充電端
13/21/23/32/34 NC
電氣特性
VDD=12V,F=1kHz,測量頻寬=22kHz,RL=4Ω,TA=25℃
| SYMBOL | PARAMETER | CONDITIONS | MIN. | TYP. | MAX. | UNITS |
| Po | Output Power (Continuous Average/Channel) | THD+N = 0.1% RL = 4Ω RL = 8Ω THD+N = 10% RL = 4Ω RL = 8Ω | 9 5.5 12 8 | 11 6 15 10 | W W W W | |
| IDD,MUTE | Mute Supply Current | MUTE = VIH | 5.5 | 7 | mA | |
| IDD,SLEEP | Sleep Supply Current | SLEEP = VIH | 0.25 | 2 | mA | |
| Iq | Quiescent Current | VIN = 0 V | 61 | 75 | mA | |
| THD + N | Total Harmonic Distortion Plus Noise | PO = 9W/Channel | 0.03 | % | ||
| IHF-IM | IHF Intermodulation Distortion | 19kHz, 20kHz, 1:1 (IHF) | 0.10 | 0.5 | % | |
| SNR | Signal-to-Noise Ratio | A-Weighted, POUT = 15W, RL = 4Ω | 98 | dB | ||
| CS | Channel Separation | f = 1 kHz 20 Hz < f < 20 kHz | 50 | 85 60 | dB dB | |
| PSRR | Power Supply Rejection Ratio | Vripple = 100mV. | 60 | 80 | dB | |
| η | Power Efficiency | POUT=10W/Channel,RL=8Ω | 90 | % | ||
| VOFFSET | Output Offset Voltage | No Load, MUTE = Logic Low | 50 | 150 | mV | |
| VOH | High-level output voltage (FAULT & OVERLOAD) | 3.5 | V | |||
| VOL | Low-level output voltage (FAULT & OVERLOAD) | 1 | V | |||
| eOUT | Output Noise Voltage | A-Weighted,input AC grounded | 100 | μV |
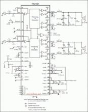
套用電路
典型套用電路
圖為官方推薦的TA2024典型套用電路。
TA2024製作要點
在電路中,Pin1(+5VGEN)是晶片輸出其內部產生的5V基準電源,電阻分壓後得到約2.4V偏壓,通過1M左右電阻接輸入管腳,調節分壓電阻,就可以調節輸出的直流電平(註:最佳輸出直流U0=0V,過大的直流電平可能引起靜態噪音並導致開關機衝擊聲,甚至損壞揚聲器)。功放輸入採用比較典型的電容耦合形式,R5和R6是反饋電阻,和輸入電阻一起決定了功放增益Av,例如第一個聲道增益 Av1=12×(R5/R2)。
Pin12是MUTE(靜音)控制輸入引腳。將該引腳上拉到高電平(5V邏輯)時候,處於“靜音”狀態;接地時候則為“非靜音”,即正常工作狀態。需要注意該引腳具有內部上拉,所以如果懸空不用,晶片默認處於“靜音”狀態。
Pin19 是Fault(出錯標誌)輸出引腳。如果電路出現過熱、輸出對地短路等情況,該引腳輸出高電平。
將Pin12和Pin19連線起來,如果有出現上述錯誤,則會自動將功放置為“靜音”狀態,防止晶片燒毀。
另外晶片還有SLEEP(休眠)輸入控制和Over Load(過載)狀態輸出引腳,可根據實際情況加以利用。
注意到功放的輸出實際上是平衡形式的,沒有公共地。輸出接有LC濾波網路,這是因為T類功放的輸出帶有高頻信號。10uH電感和0.47uF電容大概設定頻率截止點73kHz。輸出另外帶有阻容串連的茹貝爾(Zobel)濾波網路,同樣也是為了濾去高頻,同時可以降低負載阻抗變化。另外還有一個電容跨接在揚聲器兩極,這個可以使負載接近“純電阻”。
在輸出還接有4個肖特基二極體,靠近輸出引腳,可以防止輸出信號水平低於地電平,防止損壞晶片內的輸出功率管。選擇合適的反向擊穿電壓的型號,還可以防止過高的輸出電平出現。
製作實例
TA2024的實際套用TA2024構成的電路具有80%以上的效率,在10W(@8歐)情況下,效率達到了88%,所以不需要大的散熱器來支持(除非電路設計不合理,導致異常發熱),一般情況下使用電路板的露銅來散熱就足夠了。所以TA2024晶片也設計成貼片(而不是TO-220類型),下方有金屬導熱塊。額外地增加散熱器無助於散熱,因為TA2024的晶片晶體是貼在下表面金屬塊上的,發熱傳導到上方很少,也很慢,在晶片上方增加散熱器反而導致空氣不流通,影響散熱效果。

