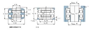
SKF54207軸承尺寸參數型號:54207軸承品牌:SKF軸承系列:推力球軸承,雙向,帶球面軸承座墊圈SKF54207軸承用途可以用於:礦業物探儀器,重力式噴槍,等離子焊機,縫紉機,立式車床,環保節能設備,齒輪減速機,排焊機,鑄造及熱處理設備,石墨換熱器,打樁機,流程泵,玻璃設備,清洗機械,其他石油設備,等等用途。SKF54207軸承樣本圖片SKF 54207軸承樣本圖