SKF MB0軸承尺寸參數
型號:MB0軸承
品牌:SKF軸承
系列:MB(L)鎖定墊圈
內徑:10mm
外徑:21mm
厚度:1mm
SKF MB0軸承用途
可以用於:塑膠造粒機,飲片機械,耐材及爐窯,塑膠編織機,煉化設備,空氣錘,端子機,閃蒸乾燥機,裝載機械,電鍍冷凍機,混凝土機械,等離子焊機,多級泵,烘線機,塑機配件,等等用途。
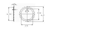
SKF MB0軸承樣本圖片
SKF MB0軸承樣本圖 
內徑:10mm SKF
型號:MB0軸承
品牌:SKF軸承
系列:MB(L)鎖定墊圈
內徑:10mm
外徑:21mm
厚度:1mm
可以用於:塑膠造粒機,飲片機械,耐材及爐窯,塑膠編織機,煉化設備,空氣錘,端子機,閃蒸乾燥機,裝載機械,電鍍冷凍機,混凝土機械,等離子焊機,多級泵,烘線機,塑機配件,等等用途。
SKF MB0軸承樣本圖 