SKF 54312軸承

SKF 54312軸承

SKF

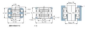
SKF54312軸承尺寸參數

型號:54312軸承
品牌:SKF軸承
系列:推力球軸承,雙向,帶球面軸承座墊圈

SKF54312軸承用途

可以用於:電烙鐵,平衡機,塑膠混色機,化纖機械,插床,煤磨機,空氣乾燥機,潷水器,減速機,模切機,包衣機,西餐店設備,塑膠管材設備,製鞋機械,手柄套、手柄座,等等用途。
SKF54312軸承樣本圖片
SKF 54312軸承樣本圖SKF 54312軸承樣本圖

相關詞條

相關搜尋

熱門詞條

聯絡我們