SKF 51110軸承

SKF 51110軸承

SKF

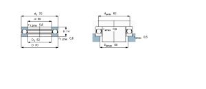
SKF 51110軸承尺寸參數

型號:51110軸承
品牌:SKF軸承 
系列:推力球軸承, 單向 
內徑:50mm 
外徑:70mm 
厚度:14mm 

 SKF 51110軸承用途 

  可以用於:地礦勘測、選礦設備,自然通風冷卻塔,脈衝焊機,冶煉成套設備,鑄造工具機,脫硫除塵設備,單級泵,咖啡店設備,吹膜機,米麵機械,填料塔,履帶挖掘機,管道泵,試驗機,塑膠擠出機,等等用途。 
SKF 51110軸承樣本
SKF 51110軸承樣本圖 SKF 51110軸承樣本圖
圖片 

相關搜尋

熱門詞條

聯絡我們