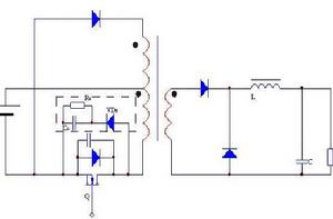
原理
若開關斷開,蓄積在寄生電感中能量通過開關的寄生電容充電,開關電壓上升。其電壓上升到吸收電容的電壓時,吸收二極體導通,開關電壓被吸收二極體所嵌位,約為1V左右。寄生電感中蓄積的能量也對吸收電容充電。開關接通期間,吸收電容通過電阻放電。
RCD吸收電路設計
一﹑首先對mos管的VD進行分段:
Ⅰ,輸入的直流電壓VDC;
Ⅱ,次級反射初級的VOR;
Ⅲ,主MOS管VD餘量VDS;
Ⅳ,RCD吸收有效電壓VRCD1。
二﹑對於以上主MOS管VD的幾部分進行計算:
Ⅰ,輸入的直流電壓VDC。
在計算VDC時,是依最高輸入電壓值為準。如寬電壓應選擇AC265V,即DC375V。
VDC=VAC *√2
Ⅱ,次級反射初級的VOR。
VOR是依在次級輸出最高電壓,整流二極體壓降最大時計算的,如輸出電壓為:5.0V±5%(依Vo =5.25V計算),二極體VF為0.525V(此值是在1N5822的資料中查找額定電流下VF值).
VOR=(VF +Vo)*Np/Ns
Ⅲ,主MOS管VD的餘量VDS.
VDS是依MOS管VD的10%為最小值.如KA05H0165R的VD=650應選擇DC65V.
VDS=VD* 10%
Ⅳ,RCD吸收VRCD.
MOS管的VD減去Ⅰ,Ⅲ三項就剩下VRCD的最大值。實際選取的VRCD應為最大值的90%(這裡主要是考慮到開關電源各個元件的分散性,溫度漂移和時間飄移等因素得影響)。
VRCD=(VD-VDC -VDS)*90%
注意:
① VRCD是計算出理論值,再通過實驗進行調整,使得實際值與理論值相吻合.
② VRCD必須大於VOR的1.3倍.(如果小於1.3倍,則主MOS管的VD值選擇就太低了)
③ MOS管VD應當小於VDC的2倍.(如果大於2倍,則主MOS管的VD值就過大了)
④ 如果VRCD的實測值小於VOR的1.2倍,那么RCD吸收迴路就影響電源效率。
⑤ VRCD是由VRCD1和VOR組成的
Ⅴ,RC時間常數τ確定.
τ是依開關電源工作頻率而定的,一般選擇10~20個開關電源周期。
三﹑試驗調整VRCD值
首先假設一個RC參數,R=100K/RJ15, C="10nF/1KV"。再上市電,應遵循先低壓後高壓,再由輕載到重載的原則。在試驗時應當嚴密注視RC元件上的電壓值,務必使VRCD小於計算值。 如發現到達計算值,就應當立即斷電,待將R值減小後,重複以上試驗。(RC元件上的電壓值是用示波器觀察的,示波器的地接到輸入電解電容“+”極的RC一 點上,測試點接到RC另一點上)
一個合適的RC值應當在最高輸入電壓,最重的電源負載下,VRCD的試驗值等於理論計算值。
四﹑試驗中值得注意的現象
輸入電網電壓越低VRCD就越高,負載越重VRCD也越高。那么在最低輸入電壓,重負載時VRCD的試驗值如果大於以上理論計算的VRCD值,是否和(三)的內容相矛盾哪?一點都不矛盾,理論值是在最高輸入電壓時的計算結果,而現在是低輸入電壓。
重負載是指開關電源可能達到的最大負載。主要是通過試驗測得開關電源的極限功率。
RCD吸收電路與RC電路的比較
採用RC、RCD吸收電路也可以對變壓器消磁,這時就不必另設變壓器繞組與二極體組成的去磁電路。變壓器的勵磁能量都在吸收電阻中消耗掉。RC與RCD吸收電路不僅消耗變壓器漏感中蓄積的能量,而 且也消耗變壓器勵磁能量,因此降低了變換器變換效率。RCD吸收電路是通過二極體對開關電壓嵌位,效果比RC好,它也可以採用較大電阻,能量損耗也比RC 小。
RCD吸收電路的影響
1.RCD電容C偏大
電容端電壓上升很慢,因此導致mos 管電壓上升較慢,導致mos管關斷至次級導通的間隔時間過長,變壓器能量傳遞過程較慢,相當一部分初級勵磁電感能量消耗在RC電路上 。
2.RCD電容C特別大(導致電壓無法上升至次級反射電壓)
電容電壓很小,電壓峰值小於次級的反射電壓,因此次級不能導通,導致初級能量全部消耗在RCD電路中的電阻上,因此次級電壓下降後達成新的平衡,理論計算無效了,輸出電壓降低。
3.RCD電阻電容乘積R×C偏小
電壓上沖後,電容上儲存的能量很小,因此電壓很快下降至次級反射電壓,電阻將消耗初級勵磁電感能量,直至mos管開通後,電阻才緩慢釋放電容能量,由於RC較小,因此可能出現震盪,就像沒有加RCD電路一樣。
4.RCD電阻電容乘積R×C合理,C偏小
如果參數選擇合理,mos管開通前,電容上的電壓接近次級反射電壓,此時電容能量泄放完畢,缺點是此時電壓尖峰比較高,電容和mos管應力都很大
5.RCD電阻電容乘積R×C合理,R,C都合適
在上面的情況下,加大電容,可以降低電壓峰值,調節電阻後,使mos管開通之前,電容始終在釋放能量,與上面的最大不同,還是在於讓電容始終存有一定的能量。

