實物圖1 概述
MT8888是採用CMOS 工藝生產的DTMF信號收發一體積體電路,它的傳送部分採用信號失真小、頻率穩定性高的開關電容式D/A變換器,可發出16種雙音多頻DTMF信號。接收部分用於完成DTMF信號的接收、分離和解碼,並以4位並行二進制碼的方式輸出。MT8888晶片集成度高、功耗低,可調整雙音頻模式的占空比,能自動抑制撥號音和調整信號增益,還帶有標準的數據匯流排,可與TTL電平兼容,並可方便地進行編程控制。
2 引腳排列與功能

MT8888晶片的引腳排列右圖所示;各引腳的功能如下:
IN+:運放同相輸入端;
IN-:運放反相輸入端;
GS:運放輸出端;
VREF:基準電壓輸出端,電壓值為VDD/2;
Vss:接地端;
OSC1:振盪器輸入端;
OSC2:振盪器輸出端;
TONE:DTMF信號輸出端;
RD:寫控制端,低電平有效,與TTL兼容;
CS:片選端,低電平有效;
RSO:存儲器選擇輸入端,與TTL兼容;
WR:讀控制端,低電平有效,與TTL兼容;
IRQ/CP:中斷信號請求端;
D0~D3:數據匯流排,在=1或 =1時,外於高阻狀態,與TTL電平兼容;
ESt:初始控制輸出端;
St/GT:控制輸入/時間檢測輸出;
VDD:+5V電源端。
3內部結構

4暫存器與控制
MT8888內部有兩個數據暫存器,一個是只執行讀操作的接收數據暫存器RDR;另一個是只執行寫操作的傳送數據暫存器TDR。另外,MT8888中還有兩個4位的收、發控制暫存器CRA和 CRB。對CRB的操作的,因此編程中應對其進行初始化;而MT8888中的4位狀態暫存器SR則用來反映收、發信號的工作狀態。暫存器的選擇與操作由 RS0及和RD口線來控制,控制功能如表1所列。
MT8888在傳送信號時可提供三種工作模式,即DTMF模式、突發模式、CP模式。這三種工作模式均可通過寄存器進行設定,各暫存器的功能見表2和表3所列。
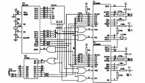
5 套用電路
MT8888的外圍電路非常簡單,與微機接口也很方便,通過改變R2可調節輸入信號的增益。具體套用電路如下圖所示。

