KJ041

KJ041

電源電流:≤20mA。 a.脈衝幅度:≥1V。 制端正向電流:≤3mA。

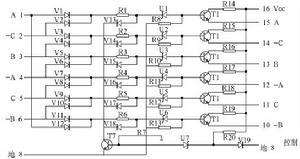
KJ041六路雙脈衝形成器是三相全控橋式觸發線路中必備的電路,它具有雙脈衝形成和電子開關的功能。使用兩塊有電子開關控制的KJ041電路組成邏輯控制,適用於正反組可逆系統。
電參數如下:
電源電壓:直流+15V,允許波動±5%(±10功能正常)
電源電流:≤20mA。
輸出脈衝:
a.脈衝幅度:≥1V。
b.最大輸出能力:20mA(流出脈衝電流)。
輸入端二極體反壓:≥30V。
制端正向電流:≤3mA。
內部原理圖如下:

相關詞條

熱門詞條

聯絡我們