軸承特點
軸承為雙向推力軸承,用於絲槓安裝
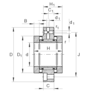
INA 滾針/推力圓柱滾子軸承 ZARF1762-TV 軸承參數
內徑(d):17mm
外徑(D):62mm
高度(H):43mm
基本額定動載荷,軸向(Ca):26KN
基本額定靜載荷,軸向(Coa):57KN

INA 滾針/推力圓柱滾子軸承 ZARF1762-TV 軸承特點及其型號參數。
軸承為雙向推力軸承,用於絲槓安裝
INA 滾針/推力圓柱滾子軸承 ZARF1762-TV 內徑(d):17mm
外徑(D):62mm
高度(H):43mm
基本額定動載荷,軸向(Ca):26KN
基本額定靜載荷,軸向(Coa):57KN
