圖解
CF12B 軸承系列圖片重量:95
d:30
C:14
d1:12
G:M12X1.5
G1:13
B:15.2max
B1:40.2max
B2:25
C1:0.6
H:6
動載:7910
靜載:9790
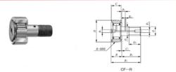
日本IKO軸承 CF12B規格圖IKO軸承 CF12B是一款IKO品牌下的螺栓型滾輪軸承。
圖解
CF12B 軸承系列圖片重量:95
d:30
C:14
d1:12
G:M12X1.5
G1:13
B:15.2max
B1:40.2max
B2:25
C1:0.6
H:6
動載:7910
靜載:9790
日本IKO軸承 CF12B規格圖