格式
G01 X(U)_ Z(W)_ F_(直線插補以直線方式和命令給定的移動速率從當前位置移動到命令位置)
X、Z為要求移動到的位置的絕對坐標值;
U、W為要求移動到的位置的增量坐標值;
F為刀具的進給速度。
舉例
① 絕對坐標程式G01 X50. Z75. F200;
② 增量坐標程式G01 U5 W5. F100。
說明
1.G01指令是在刀具加工直線軌跡時採用的,如車外圓、斷面、內孔,切槽等。
2.工具機執行直線插補指令時,程式段中必須有F指令。刀具移動的快慢是由F後面的數值大小來決定。
3.G01和F都是模態指令,前一段已指定,後面的程式段 都可不再重寫,只需寫出移動坐標值。
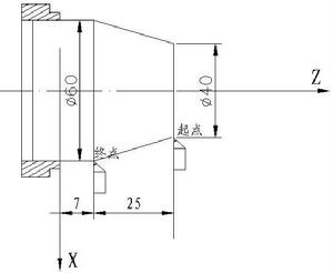
示例:從直徑Φ40切削到Φ60的程式指令.
G01[數控加工技術指令]程式:
G01 X60 Z7 F500; (絕對值編程)
G01 U20 W-25; (相對值編程)
G01 X60 W-25; (混合編程)
G01 U20 Z7; (混合編程)
![G01[數控加工技術指令] G01[數控加工技術指令]](/img/f/f5e/nBnauM3X2UjM1IzNyQjMyQTO4QTMxEDO1MDM0QTNwAzMwIzL0IzL1IzLt92YucmbvRWdo5Cd0FmLxE2LvoDc0RHa.jpg)
