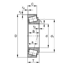
FAG 33212軸承是圓錐滾子軸承,內徑:60mm,外徑:110mm,厚度:38mm。
內徑:60mm
外徑:110mm
厚度:38mm
):69D3(min ):93D3(max):101D4(min ):6a2(min