簡介
DDZ-Ⅱ型單元組合儀表是利用電晶體作為放大元件,採用0~10mA直流電流作為統一標準信號,信號傳輸採用電流傳送一電流接收的串聯制方式,現場變送器與控制室儀表之間用0~10mA電流信號聯繫,控制室內接受同一信號的各儀表串聯在電流信號迴路中。DDZ-Ⅱ型調節器是電動單元組合儀表中的一個核心單元,它與測量感測器、變送器及執行器等配合,可組成定值、比值、串級等控制系統,實現工藝要求的 P、 PI、 P D或 PID等控制作用。DDZ-II型調節器的品種很多,它們的工作原理基本相同。
工作原理
圖1 DTL-12l型電動調節器方框圖DTL-121型電動調節器由輸入迴路、自激調製放大器、隔離電路、 PID運算反饋電路及手動操作電路等組成,如圖1所示。
由測量變送器送入的0~10mA直流信號在輸入迴路內經電阻(200Ω)轉換為0~2V直流電壓,與0~2V設定信號(內給定或外給定)相比較,其輸入電路的偏差 U 與反饋信號 U 綜合後的信號,經調製器變換為交流信號,經交流電壓放大器後由變壓器傳送給整流功率放大器進行整流及放大,再經濾波得到平滑的0~10mA DC統一信號輸出,用以操縱執行機構動作。同時,輸出電流中的交流分量經隔離電路產生與調節器輸出直流電流相對應的直流電壓。再送至 PID運算反饋迴路進行運算後得到反饋電壓 U 返回到自激調製放大器的輸入端與偏差信號 U ,進行綜合,使整機輸出一個連續的 PID控制作用信號。
調節器電路分析
圖2 DTL-121型電動調節器簡化線路原理圖DTL-121型調節器整機簡化電路原理見圖2所示。
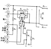
輸入迴路
圖3 輸入迴路調節器的輸入迴路如圖3所示。它由輸入通道、設定電路及偏差檢測電路等組成。
輸入迴路有兩個相互串聯的輸入通道:I為主輸入通道,接受被控變數的主信號;II為副輸入通道,接受輔助信號。來自測量變送器的0~10mA DC信號,分別經過200Ω的輸入電阻 R 和 R ,轉換成相應的0~2V DC電壓信號。對於單參數控制系統,一般單獨使用主通道I,而副通道Ⅱ由於信號不通過偏差指示表 A ,因此不單獨使用。兩個輸人通道也可以同時使用,只要適當改變端子①、②及③、④輸入電流的極性,可實現兩輸人通道信號的疊加或相減。
“偏差一平衡”切換開關 K ,可使偏差表 A 一表多用。 K 置“偏差”時 A 指示輸入信號與設定信號之差;而當 K置“平衡”時, A 可指示內、外設定之差,藉以實現內、外設定的無擾動切換。
調節器的設定值有內設定和外設定兩種方式,它可通過內、外設定選擇開關 K 來實現。當 K 置“內”時,設定值取自儀表內部的電位器 W 輸出的0~2V DC電壓,內設定一般用於簡單的定值控制系統。當 K 置“外”時,外設定是由外部輸人的0~2V DC 電壓(由端子⑦、⑧輸入)或0~10mA DC電流(由端子⑤、⑥輸入)。外設定一般使用電流設定較多,常用於較複雜的控制系統。
“正-反”作用切換開關 K 是用來選擇調節器的作用方向,以滿足控制系統的要求。 K 置“正”作用時,調節器的輸出隨著偏差的增大而增大;反之,調節器的輸出隨偏差的增大而減小。使用時根據控制系統的需要來選擇 K 的位置。
偏差檢測電路中的 R 為 A 表的量程調整電阻;二極體 D 、 D 對偏差信號起限幅作用,防止 A 表因偏差過大而損壞。
自激調製放大器
自激調製放大器的作用是把輸入迴路送來的偏差信號 U ,與反饋電路送來的反饋信號 U 並聯疊加後的綜合信號進行放大,最後得到0~10mA DC的統一輸出信號。
自激調製放大器是由調製器、交流電壓放大器和整流功率放大器等三部分所組成,其結構方框圖如圖1所示。
自激調製放大器首先把輸入的微小綜合信號通過場效應管等組成的調製器變換成與輸入相對應的交流信號,經交流電壓放大器放大以後再分兩路輸出:一路作為場效管調製器的開關信號,使調製器輸出正負交替的方波信號,其幅值與綜合信號的大小成比例,而其頻率則與開關信號的頻率相同;另一路通過變壓器耦合到整流功率放大級,進行整流和功率放大成0~10mA DC電流信號,作為整機的輸出信號。同時,放大器輸出的交流分量,經隔離電路變成直流電流,送至 PID運算反饋電路,作為反饋電路的輸入電流。
PID反饋運算電路
DTL-121型調節器的PID運算反饋電路如圖2所示。它實際是由①隔離變壓器及整流濾波電路( D 、 D 和 C );②微分、積分運算電路( R 、 C 、 R 、 C );③比例運算電路( R 、 W )等三部分組成。調節器的 P 、I、D控制作用,主要是由這個反饋電路來實現,其參數刻度範圍是:比例帶 P=1~200%;積分時間 T =6~1500s,有×1和×10兩檔;微分時間 T =3~300s。
手動操作與自動跟蹤
1.手動操作
有時由於系統或工藝上的需要,要求手動操作來進行控制。調節器備有手動操作單元,可提供0~10V手動操作電壓,如圖2中所示。手動→自動切換開關 K 能將調節器從自動轉入手動狀態。此時通過手動操作使調節器輸出一個手操電流到執行器去,或者調節器從手動轉入自動狀態,調節器便送出一個自動操作電流到執行器去。
在自動切換到手動前,必須先經過平衡操作調整手操撥盤,將手操電流值調到等於自動電流值,再進行切換。這樣在切換的瞬問,調節器輸出電流不致因切換而發生變化。可實現對系統的無擾動切換。
2.自動跟蹤
所謂自動跟蹤,就是當系統處於手動操作時,將一個正比於手操電流的跟蹤電壓,加在運算反饋電路的積分電容兩端,使電流能夠自動跟蹤手操電流。這樣從“手動”切換到“自動”就不需要經過手動平衡操作,即能實現無擾動切換。但從“自動”切換到“手動”之前,仍經過上述的平衡操作,才不致於干擾和影響系統的運行。
