概述
C8051F340器件是完全集成的混合信號片上系統型MCU。
高速、流水線結構的8051兼容的微控制器核心(可達48MIPS)
全速、非侵入式的在系統調試接口(片內)
通用串列匯流排(USB)功能控制器,有8個靈活的端點管道,集成收發器和1K FIFO RAM
電源穩壓器
真正10位200 ksps的單端/差分ADC,帶模擬多路器
片內電壓基準和和溫度感測器
片內電壓比較器(兩個)
精確校準的12MHz內部振盪器和4倍時鐘乘法器
多達64KB的片內FLASH存儲器
多達4352位元組片內RAM(256+4KB)
硬體實現的SMBus/ I2C、增強型UART(最多兩個)和增強型SPI串列接口
4個通用的16位定時器
具有5個捕捉/比較模組和看門狗定時器功能的可程式計數器/定時器陣列(PCA)
片內上電復位、VDD監視器和時鐘丟失檢測器
多達40個連線埠I/O(容許5V輸入)
具有片內上電復位、VDD監視器、電壓調整器、看門狗定時器和時鐘振盪器的C8051F340/1/2/3/4/5/6/7器件是真正能獨立工作的片上系統。FLASH存儲器還具有在系統重新編程能力,可用於非易失性數據存儲,並允許現場更新8051固件。用戶軟體對所有外設具有完全的控制,可以關斷任何一個或所有外設以節省功耗。
片內Silicon Labs二線(C2)開發接口允許使用安裝在最終套用系統上的產品MCU進行非侵入式(不占用片內資源)、全速、在系統調試。調試邏輯支持觀察和修改存儲器和暫存器,支持斷點、單步、運行和停機命令。在使用C2進行調試時,所有的模擬和數字外設都可全功能運行。兩個C2接口引腳可以與用戶功能共享,使在系統調試功能不占用封裝引腳。
每種器件都可在工業溫度範圍(-45℃到+85℃)內用2.7V-5.25V的電壓工作。電源電壓大於3.6V時,必須使用內部穩壓器。對於USB通信,電源電壓最小值為3.0V。連線埠I/O和/RST引腳都容許5V的輸入信號電壓。C8051F340/1/2/3/4/5/6/7採用48腳TQFP封裝或32腳LQFP封裝。
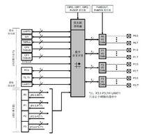
C8051F340圖1: 原理框圖
1.1 與8051完全兼容
C8051F340/1/2/3/4/5/6/7系列器件使用Silicon Labs的專利CIP-51微控制器核心。CIP-51與MCS-51TM指令集完全兼容,可以使用標準803x/805x的彙編器和編譯器進行軟體開發。CIP-51核心具有標準8052的所有外設部件,包括4個16位計數器/定時器、兩個具有擴展波特率配置的全雙工UART、一個增強型SPI連線埠、多達4352位元組的內部RAM、128位元組特殊功能暫存器(SFR)地址空間及多達40個I/O引腳。
1.2 速度提高
CIP-51採用流水線結構,與標準的8051結構相比指令執行速度有很大的提高。在一個標準的8051中,除MUL和DIV以外所有指令都需要12或24個系統時鐘周期,最大系統時鐘頻率為12-24MHz。而對於CIP-51核心,70%的指令的執行時間為1或2個系統時鐘周期,只有4條指令的執行時間大於4個系統時鐘周期。
CIP-51共有111條指令。下表列出了指令條數與執行時所需的系統時鐘周期數的關係。
| 執行周期數 | 1 | 2 | 2/3 | 3 | 3/4 | 4 | 4/5 | 5 | 8 |
| 指令數 | 26 | 50 | 5 | 16 | 7 | 3 | 1 | 2 | 1 |
1.3 增加的功能
C8051F340/1/2/3/4/5/6/7 SoC系列MCU在CIP-51核心和外設方面有幾項關鍵性的改進,提高了整體性能,更易於在最終套用中使用。
擴展的中斷系統向CIP-51提供16箇中斷源(標準8051隻有7箇中斷源),允許大量的模擬和數字外設中斷微控制器。一個中斷驅動的系統需要較少的MCU干預,因而有更高的執行效率。在設計一個多任務實時系統時,這些增加的中斷源是非常有用的。
C8051F340/1/2/3/4/5/6/7有多達9個復位源:上電復位電路(POR)、片內VDD監視器(當電源電壓低於VRST時強制復位)、USB控制器(USB匯流排復位或VBUS狀態變化)、看門狗定時器、時鐘丟失檢測器、由比較器0提供的電壓檢測器、軟體強制復位、外部復位輸入引腳和FLASH讀/寫錯誤保護電路復位。除了POR、復位輸入引腳及FLASH操作錯誤這三個復位源之外,其他復位源都可以被軟體禁止。在一次上電復位之後的MCU初始化期間,WDT可以被永久性使能。
高速內部振盪器在出廠時已經被校準為12MHz ±1.5%。時鐘恢復電路允許內部振盪器與4倍時鐘乘法器配合,提供全速方式USB時鐘源。內部振盪器還被用作低速方式下的USB時鐘源。外部振盪器也可以與4倍時鐘乘法器配合使用。器件內集成了一個低頻振盪器,可以在功耗關鍵的套用中使用。器件內還集成了外部振盪器驅動電路,允許使用晶體、陶瓷諧振器、電容、RC或外部CMOS時鐘源產生系統時鐘。系統時鐘可以被配置為使用內部振盪器、外部振盪器或時鐘乘法器輸出二分頻。如果需要,可以在CPU運行時切換系統時鐘振盪源。低頻內部振盪器或外部振盪器在低功耗系統中是非常有用的,它允許MCU從一個低頻率(節電)的時鐘源運行,當需要時再周期性地切換到高速時鐘源。
C8051F340圖2: 片內時鐘和復位電路
1.4 片記憶體儲器
CIP-51有標準8051的程式和數據地址配置。它包括256位元組的數據RAM,其中高128位元組為雙映射。用間接定址訪問通用RAM的高128位元組,用直接定址訪問128位元組的SFR地址空間。數據RAM的低128位元組可用直接或間接定址方式訪問。前32個位元組為4個通用暫存器區,接下來的16位元組既可以按位元組定址也可以按位定址。
程式存儲器包含64KB(C8051F340/2/4/6)或32KB(C8051F341/3/5/7)的FLASH。該存儲器以512位元組為一個扇區,可以在系統編程,且不需特別的編程電壓。該系列器件都包含片內XRAM。64KB FLASH器件(C8051F340/2/4/6)具有4KB的XRAM,32KB FLASH器件(C8051F341/3/5/7)具有2KB的XRAM。所有器件都有獨立的1KB USB FIFO RAM。圖1.4給出了64KB FLASH器件的存儲器組織。注意,對於64KB器件,位於0xFC00 ~ 0xFFFF的1024位元組被保留。
1.5通用串列匯流排控制器
通用串列匯流排控制器(USB0)符合USB2.0規範,可以全速或低速工作,集成了收發器和端點FIFO RAM。共有8個端點:一個雙向控制端點(端點0)和三對輸入/輸出端點(端點1-3 輸入/輸出)。
有1KB的RAM塊被用作USB FIFO空間。該FIFO空間被分配給端點0-3;端點1-3 的FIFO可以被配置為輸入(IN)、輸出(OUT)或輸入/輸出(分割模式)。最大的FIFO大小為512位元組(端點3)。
USB0可以工作在全速或低速方式。片內4倍時鐘乘法器和時鐘恢復電路允許使用內部高精度振盪器作為USB時鐘源,實現全速和低速通信。外部振盪器也可以與4倍時鐘乘法器配合使用來產生USB時鐘。CPU時鐘源與USB時鐘相互獨立。
USB收發器符合USB2.0規範,並包含內部匹配和上拉電阻。上拉電阻可以被用軟體使能/禁止,可以根據軟體選擇的速度設定(全速或低速)出現在D+或D-引腳。
C8051F340圖3:USB控制器原理框圖
1.6 穩壓器
C8051F340/1/2/3/4/5/6/7器件內部包含一個穩壓器(REG0)。當被使能時,REG0輸出連到VDD引腳,並可為外部器件提供電源。REG0可以被軟體使能/禁止。
1.7片內調試電路
C8051F340/1/2/3/4/5/6/7器件具有片內Silicon Labs 2線(C2)接口調試電路,支持使用安裝在最終套用系統中的產品器件進行非侵入式、全速的在系統調試。
Silicon Labs的調試系統支持觀察和修改存儲器和暫存器,支持斷點和單步執行。不需要額外的目標RAM、程式存儲器、定時器或通信通道。在調試時所有的模擬和數字外設都正常工作。當MCU單步執行或遇到斷點而停止運行時,所有的外設(USB、ADC和SMBus除外)都停止運行,以保持與指令執行同步。
開發套件C8051F340DK具有開發套用代碼和對C8051F340/1/2/3/4/5/6/7 MCU進行在系統調試所需要的全部硬體和軟體。開發套件中包括開發者工作室軟體和調試器、8051彙編器和連結器、評估版C編譯器和一個調試適配器。套件中還包括一塊裝有C8051F340MCU的目標套用板、與PC機連線的電纜及一個牆裝電源。通過使用連線電纜與編程引腳正確連線,開發套件還可用於對產品PCB上的器件進行調試和編程。
對於開發和調試來說,Silicon Labs IDE接口比採用標準MCU仿真器要優越得多。標準的MCU仿真器要使用在板仿真晶片和目標電纜,還需要在套用板上有MCU的插座。Silicon Labs的調試環境既便於使用又能保證精確模擬外設的性能。
1.8可程式數字I/O和交叉開關
C8051F340/1/4/5有40個I/O引腳(5個8位口);C8051F342/3/6/7有25個I/O引腳(3個8位口、和一個1位口)。C8051F340/1/2/3/4/5/6/7連線埠的工作情況與典型8051連線埠相似,但有一些改進。每個連線埠引腳都可以被配置為模擬輸入或數字I/O引腳。被選擇作為數字I/O的引腳還可以被配置為推挽或漏極開路輸出。在標準8051中固定的“弱上拉”可以被總體禁止,這為低功耗套用提供了進一步節電的能力。
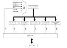
數字交叉開關允許將內部數字系統資源映射到連線埠I/O引腳(見圖1.6)。可通過設定交叉開關控制暫存器將片內的計數器/定時器、串列匯流排、硬體中斷、比較器輸出以及微控制器內部的其它數位訊號配置為出現在連線埠I/O引腳。這一特性允許用戶根據自己的特定套用選擇通用連線埠I/O和所需數字資源的組合。
C8051F340圖4:數字交叉開關原理框圖
1.9 串列連線埠
C8051F340/1/2/3/4/5/6/7系列MCU內部有一個SMBus/I2C接口、一或兩個全雙工UART和一個增強型SPI接口。每種串列匯流排都完全用硬體實現,都能向CIP-51產生中斷,因此需要很少的CPU干預。
1.10 可程式計數器陣列
除了4個16位的通用計數器/定時器之外,MCU中還有一個片內可程式計數器/定時器陣列(PCA)。PCA包括一個專用的16位計數器/定時器時間基準和5個可程式的捕捉/比較模組。PCA的時鐘可以是下面的六個時鐘源之一:系統時鐘/12、系統時鐘/4、定時器0溢出、外部時鐘輸入(ECI)、系統時鐘和外部振盪源頻率/8。外部時鐘源對於實時時鐘功能是非常有用的,可以在使用內部振盪器驅動系統時鐘的同時由外部振盪器給PCA提供時鐘。
每個捕捉/比較模組都有六種工作方式:邊沿觸發捕捉、軟體定時器、高速輸出、8位或16位脈衝寬度調製器、頻率輸出。此外,捕捉/比較模組4還提供看門狗定時器(WDT)功能。在系統復位後,捕捉/比較模組4被配置並被使能為WDT方式。PCA捕捉/比較模組的I/O和外部時鐘輸入可以通過數字交叉開關連到連線埠I/O。
C8051F340圖5:PCA原理框圖
1.11 10位模/數轉換器
C8051F340/1/2/3/4/5/6/7內部有一個10位SAR ADC和一個差分輸入多路選擇器。該ADC工作在200ksps的最大採樣速率時可提供真正10位的線性度,INL為±1LSB。ADC系統包含一個可程式的模擬多路選擇器,用於選擇ADC的正輸入和負輸入。連線埠I/O引腳中的20個(48腳封裝)或21個(32腳封裝)引腳可用作ADC的輸入;另外,片內溫度感測器的輸出和電源電壓(VDD)也可以作為ADC的輸入。用戶固件可以將ADC置於關斷狀態以節省功耗。
A/D轉換可以有6種啟動方式:軟體命令、定時器0溢出、定時器1溢出、定時器2溢出、定時器3溢出或外部轉換啟動信號。這種靈活性允許用軟體事件、周期性信號(定時器溢出)或外部硬體信號觸發轉換。一個狀態位用於指示轉換完成,或產生中斷(如果被允許)。轉換結束後10位結果數據字被鎖存到ADC數據暫存器中。
視窗比較暫存器可被配置為當ADC數據位於一個規定的範圍之內或之外時向控制器申請中斷。ADC可以用後台方式連續監視一個關鍵電壓,當轉換數據位於規定的範圍之內/外時才向控制器申請中斷。
1.12 比較器
C8051F340/1/2/3/4/5/6/7器件內部有兩個電壓比較器,可以由用戶軟體使能/禁止和配置。連線埠I/O引腳可以通過多路選擇器被配置為比較器輸入。如果需要,可以將兩個比較器輸出連到連線埠引腳:一個鎖存輸出和/或一個未鎖存的輸出(異步)。比較器的回響時間是可程式的,允許用戶在高速和低功耗方式之間選擇。比較器的正向和負向回差電壓也是可配置的。
比較器能在上升沿、下降沿產生中斷,或在兩個邊沿都產生中斷。當MCU工作在空閒方式時,這些中斷可用於喚醒MCU。比較器0還可以被配置為復位源。圖1.10給出了比較器0的原理框圖。
C8051F340圖6:比較器原理框圖
引腳和封裝定義
C8051F340
C8051F340