概述
,。
功能特點
精度高,在 500:1 動態範圍內線性誤差低於0.1%;
高頻輸出 CF 用於校準,並提供即時有功功率;
具有電能-脈衝轉換功能,F1,F2 輸出頻率表示平均有功功率;
F1,F2 可直接驅動機電計數器和兩相步進電機;
REVP 端出可以用來指示錯誤接線或負功率;
可選擇通道增益,模擬輸入範圍廣;
在片電源監控電路;
具有防盜電,防潛動功能;
在片電壓源 2.5V±8%;
單 5V 電源,低功耗;
採用 SKDIP24 或SSOP24 封裝。
引腳說明
ADE7751的引腳說明詳見表格
ADE7751引腳說明功能框圖
右圖是ADE7751的功能框圖
ADE7751功能框圖參數
極限參數
極限參數表格如圖所示
ADE7751極限參數電參數
AVDD=DVDD=5V±5%, AGND=DGND=0V, 片內基準, CLKIN=3.58MHz, 溫度範圍= –40℃~+85℃
ADE7751電參數功能說明
ADE7751 是一種用於單相高精度電能計量表的積體電路,它只在ADC 和基準電路中使用了模擬電路,其它的信號處理都由數字電路完成,在惡劣的環境下仍可以保持極高的準確度和長時間的穩定性。
ADE7751 內部結合了一個新穎的FAULT 檢測電路,可以在檢測到FAULT 時報警並且繼續精確的進行電能計量,持續的監測相線和中線(迴路)電流。當兩個電流差超過12.5%時電路檢測到FAULT發生。當兩個電流差超過14%,電路按照兩個電流中較大的電流進行計量。
ADE7751 通過引腳F1、F2 以低頻率形式輸出有功功率的平均值,可以直接驅動機電式計數器,或與微控制器接口。從引腳CF 以高頻形式輸出有功功率的瞬時值,用於電能計量表的校準。
在ADE7751 內部有一對AVDD 電源引腳進行監控的電路,在AVDD 引腳上的電壓上升到4V 之前,電路一直保持復位狀態。當AVDD 引腳上的電壓降到4V 以下時,電路也會產生復位,CF、F1、F2 沒有輸出。無論通道1 內的高通濾波器(HPF)是接通還是斷開的,內部相位匹配電路使電壓和電流通道的相位始終是匹配的。內部的空載閥值特性保證了ADE7751 在空載時不會產生潛動。
工作原理
兩個 ADC 對來自電流和電壓感測器的電壓信號進行數位化,這兩個ADC 都是16 位二階ΣΔ模數轉換器,,過採樣速率達900kHz。ADE7751 的模擬輸入結構具有寬動態範圍,大大簡化了感測器接口(可以與感測器直接連線),也簡化了抗混疊濾波器的設計。電流通道中的PGA 進一步簡化了感測器接口。電流通道中的HPF 濾掉電流信號中的直流分量,從而消除了由於電壓或電流失調所造成的有功功率計算上的誤差。
有功功率是從瞬時功率信號推導計算出來的,瞬時功率信號是用電流和電壓信號直接相乘得到的。為了得到有功功率分量(即直流分量),只要對瞬時功率信號進行低通濾波就行了。下圖示出了有功功率信號進行低通濾波來獲取有功功率,這個設計方案也能正確計算非正弦和電壓波形在不同功率因數情況下的有用功率。所有的信號處理都是由數字電路完成的,因此具有優良的溫度和時間穩定性。
頻率輸出
脈衝輸出CF端主要用於儀表校驗。CF端輸出的脈衝頻率可高達F1 和F2 的輸出脈衝頻率的2048倍。F1-4 頻率選得越低,CF 得倍率越高。下表給出了兩者之間的關係,它們取決於邏輯輸入S0、S1和SCF 的狀態。因為CF 輸出的頻率比較高,所以它與瞬時有用功率成正比。如同F1 和F2 一樣,CF 輸出頻率也是相乘後經低通濾波器獲得的。然而,因為輸出頻率較高,有功功率的累計時間非常短,因此在數字-頻率轉換過程中完成的平均作用較小。由於對有功功率信號的平均作用較小,所以CF 的輸出對功率波動的回響較敏感,見信號處理框圖。
CF的最高輸出頻率(交流信號)CF 的最高輸出頻率(交流信號)
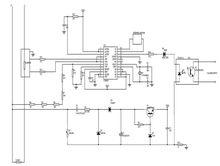
典型套用線路圖
ADE7751典型套用線路圖圖給出了ADE7751的典型套用電路圖

